发展迅速的AC直接驱动LED光源技术
摘要:综述AC LED的发展,从技术的角度对AC LED的结构、原理、应用技术进行分析,通过AC LED灯具与其它光源灯具的优势比较,说明其强大生命力。
LED光源作为绿色、节能、省电、长寿命的第四代照明灯具而异军突起、广受关注、如火如荼地迅速发展。目前的LED光源是低电压(VF=2→3.6V)、大电流(IF=200→1500mA)工作的半导体器件,必须提供合适的直流流才能正常发光。直流(DC)驱动LED光源发光的技术已经越来越成熟,由于我们日常照明使用的电源是高压交流(AC 100~220V),所以必须使用降压的技术来获得较低的电压,常用的是变压器或开关电源降压,然后将交流(AC)变换成直流(DC),再变换成直流恒流源,才能促使LED光源发光。因此直流驱动LED光源的系统应用方案必然是:变压器+整流(或开关电源)+恒流源(图1)。LED灯具里必然要有一定的空间来安置这个模块,但是对于E27标准螺口的灯具来说空间十分有限,很难安置。无论是经由变压器+整流或是开关电源降压,系统都会有一定量的损耗,DC LED在交流、直流之间转换时约15%~30%的电力被损耗,系统效率很难做到90%以上。如果能用交流(AC)直接驱动LED光源发光,系统应用方案将大大简化,系统效率将很轻松地达到90%以上。

图1 直流驱动LED光源的系统应用方案
韩国汉城半导体公司即今天的首尔半导体早在2005年已发明可以用交流直接驱动使其发光的AC LED,其次是美国 III-N Technology,3N技术开发MOCVD生长技术基础上的氮化镓衬底,可以增进照明和传感器的应用,并降低成本和提高生产效率。对大大小小的硅发光二极管提供6英寸生产技术。3N发明的单芯片交流发光二极管(AC LED) ,建立了全面的专利组合,以保护和改善技术,牢固地确立其专有的立场,是首屈一指的大规模商业化生产的交流发光二极管产品。我国台湾省“工业技术研究院”2008年也完成可产业化生产并有实际应用系统方案的AC LED产品,可直接插电于60Hz或更高频率的AC 110V 交流压使其交流发光,应用于指示灯、霓虹灯、低瓦数照明灯,能有效解决现有 LED 无法直接在交流源下使用,造成产品应用成本较高的缺点。台湾工研院的On Chip AC LED(片上AC LED)因此获得素有美国产业创新奥斯卡奖之称的2008年R&D 100 Award大奖。现在全世界只有美国、韩国与中国台湾有此技术,台湾工研院开发出白光、蓝光及绿光AC LED的制程技术,不仅与国际同步,也是全球领先者之一。
AC LED灯具的优点
与白炽灯、卤素灯、荧光日光灯、荧光节能灯、直流LED灯相比,AC LED灯具有更节能省电、更长寿、更有能效的高性价比。AC LED发光省去了成本不菲的AC/DC转换器和恒流源。交流LED与现有的照明灯具性能比较如表1所示。
表1 交流LED与现有的照明灯具性能比较

AC LED光源超细晶粒采用特殊交错的矩阵排列
AC LED光源的重大技术突破是超细LED晶粒在封装时的特殊排列组合技术,同时利用LED PN结的二极管特性兼作整流,半导体制程在其中扮演着相当重要的角色。AC LED通过半导体制程整合成一堆微小晶粒,采用交错的矩阵式排列工艺,并加入桥式电路至芯片设计,使AC电流可双向导通,实现发光。?晶粒的排列如图2所示,左图是AC LED晶粒采用交错的矩阵式排列示意图,右小图是实际AC LED晶粒排列照片,AC LED晶粒在接上交流后通体发光,因此只需要二根引线导入交流源即能发光工作。

图2 AC LED晶粒排列照片与示意图
AC LED光源的工作原理
AC LED光源的工作原理如图3,将一堆LED微小晶粒采用交错的矩阵式排列工艺均分为五串,AC LED晶粒串组成类似一个整流桥,整流桥的两端分别联接交流源,另两端联接一串LED晶粒,交流的正半周沿蓝色通路流动,3串LED晶粒发光,负半周沿绿色通路流动,又有3串LED晶粒发光,四个桥臂上的LED晶粒轮番发光,相对桥臂上的LED晶粒同时发光,中间一串LED晶粒因共用而一直在发光。在60Hz的交流中会以每秒60次的频率轮替点亮。整流桥取得的直流是脉动直流,LED的发光也是闪动的,LED有断电余辉续光的特性,余辉可保持几十微秒,因人眼对流动光点记忆是有惰性的,结果人眼对LED光源的发光+余辉的工作模式解读是连续在发光。LED有一半时间在工作,有一半时间在休息,因而发热得以减少40%~20%。因此AC LED的使用寿命较DC LED长。

图3 AC LED光源的工作原理
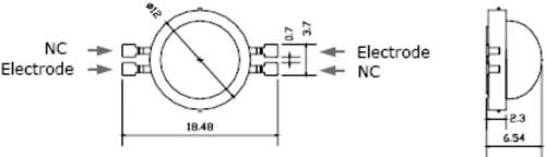
AC LED成熟的产品如首尔用于AC110V的AX3201、AX3211和用于220V的AX3221、AX3231。用于AC110V功率在3.3W~4W,工作电流40mA;用于AC220V功率在3.3W-4W,工作电流20mA(图4)。LED晶粒直接邦定在铜铝基板上。引脚如图5所示。

图4 首尔半导体的AC LED

图5 AC LED引脚图
AC LED的典型应用技术
AC LED的典型应用电原理图如图6所示十分简单,在AC LED两端分别串入正温度系数热敏电阻PTC,和限流电阻R1、R2、R3,接上110V或220V交流即可进入照明工作。
LED在大批量生产时,其阻抗有一定的离散性,AC LED也如此,为便于下游厂家的大批量应用,LED光源生产厂商在出厂时对批量生产的产品按阻抗分档,客户在使用时可按LED光源厂家提供的VF分档表查用相应阻值的限流电阻,如表2所示是AX3221/AX3231的VF分档与限流电阻表。

图6 AC LED的典型应用电原理图
表2 AX3221/AX3231的VF分档与限流电阻表

AC LED的发展
AC LED在家用电力上的方便性,不需要像DC LED一样另外得帮灯具装上一个交流转直流的转换器,不但节省了这颗转换器的成本,也避免LED光源本身还没坏,但转换器却先坏掉的窘境。交直流转换器可说是一种随着时间会老化、坏掉的电子元器件,其寿命比LED光源本身更短,故目前很多LED灯具坏掉,并不是LED光源寿命已尽,而是LED灯具使用的交直流转换器先坏掉了。AC LED还有一个特性,就是因为其工艺采用交错的矩阵式排列,是轮流点亮的,在60Hz的交流中会以每秒60次的频率轮替点亮,也让AC LED的使用寿命较DC LED长。
不过,AC LED现阶段有两个缺点,其一是发光效率并没有DC LED高,这是因为DC LED发展目前是主流,AC LED刚刚起步,AC LED的发光效率是可以追上,甚至超过DC LED的。其二是AC LED有触电的风险。故AC LED如果要应用在LED照明灯具上,应避免金属鳍片的裸露,而应是间接地把热带走,这也就是发展新的充液LED固态照明灯具的设计核心概念。
AC LED刚刚步入成长期,目前在发光亮度、功率等方面还不够理想,但AC LED的应用简便、无需变压转换器和恒流源,以及低成本、高效率已显现强大的生命力。AC LED的技术在飞跃发展,要不了几年,高亮度、大功率、低成本的产品将大量面世。
相关阅读:
- ...· Efinix® 全力驱动AI边缘计算,成功推出Trion™ T20 FPGA样品, 同时将产品扩展到二十万逻辑单元的T200 FPGA
- ...· 英飞凌亮相进博会,引领智慧新生活
- ...· 三电产品开发及测试研讨会北汽新能源专场成功举行
- ...· Manz亚智科技跨入半导体领域 为面板级扇出型封装提供化学湿制程、涂布及激光应用等生产设备解决方案
- ...· 中电瑞华BITRODE动力电池测试系统顺利交付北汽新能源
- ...· 中电瑞华FTF系列电池测试系统中标北京新能源汽车股份有限公司
- ...· 中电瑞华大功率高压能源反馈式负载系统成功交付中电熊猫
- ...· 中电瑞华国际在电动汽车及关键部件测评研讨会上演绎先进测评技术
- ...· 华芯微国产汽车芯片门电路系列(篇一)
- ...· 华芯微国产汽车芯片CAN收发器系列(篇一)
- ...· 华芯微国产汽车芯片DC/DC转换器系列
- ...· 华芯微国产汽车芯片DC/DC转换器系列
- ...· 华芯微国产汽车芯片运算放大器系列(篇一)
- ...· 华芯微国产汽车芯片MOSFET 驱动器系列(篇一)
- ...· 数据采集终端系统设备
- ...· 简仪科技踏上新征程








