哪里来的噪声?
作者:Bonnie C. Baker,德州仪器 (TI)
关键字:模拟电路设计、工业应用、医疗电子、运算放大器、系统设计、工程教育、物理验证和分析、信号完整性、设计方法
自上市以来,CMOS 单电源放大器就让全球的单电源系统设计人员受益非浅。影响双电源放大器总谐波失真加噪声 (THD+N) 特性的主要因素是输入噪声和输出级交叉失真。单电源放大器的 THD+N 性能源于放大器的输入和输出级。然而,输入级对 THD+N 的影响又让单电源放大器的这种规范本身复杂化。
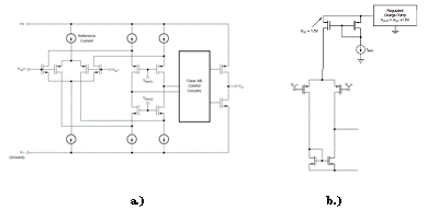
有两种单电源放大器拓扑可以接受电源之间的输入信号。图 1a 所示拓扑具有一个互补差动输入级。在该拓扑中,放大器的输入位于负轨附近时,PMOS 晶体管为“开”,而 NMOS 晶体管为“关”。当放大器的输入更接近于正电压轨时,NMOS 晶体管为“开”,而 PMOS 晶体管为“关”。

图 1 互补输入级、单电源放大器:a)。
带一个正充电泵的单差动对输入级:b)
这种设计拓扑在共模输入范围会存在极大的放大器失调电压差异。在接地电压附近的输入范围,PMOS 晶体管的失调误差为主要误差。在正电源附近的区域,NMOS 晶体管对主导失调误差。由于放大器的输入通过这两个区域之间,因此两个对均为“开”。较终结果是,输入失调电压将在两个级之间变化。当 PMOS 和 NMOS 均为“开”时,共模电压区域约为 400 mV。这种交叉失真现象会影响放大器的总谐波失真 (THD)。如果您以一种非反相结构来配置互补输入放大器,则输入交叉失真就会影响放大器的 THD+N 性能。例如,在图 2 中,如果不出现输入过渡区域,则 THD+N 等于0.0006%。如果 THD+N 测试包括了放大器的输入交叉失真,则 THD+N 等于 0.004%。您可以利用一种反相结构来避免出现这类放大器交叉失真。

图 2 一个互补输入级单电源放大器的 THD+N 性能
另一个主要的 THD+N 影响因素是运算放大器的输出级。通常,单电源放大器的输出级有一个 AB 拓扑(请参见图 1a)。输出信号做轨至轨扫描时,输出级显示出了一种与输入级交叉失真类似的交叉失真,因为输出级在晶体管之间切换。一般而言,更高电平的输出级静态电流可以降低放大器的 THD。
放大器的输入噪声是影响 THD+N 规范的另一个因素。高级别的输入噪声和/或高闭环增益都会增加放大器的总 THD+N 水平。
要想优化互补输入单电源放大器的 THD+N 性能,可将放大器置于一个反相增益结构中,并保持低闭环增益。如果系统要求放大器配置为非反相缓冲器,则选择一个具有单差动输入级和充电泵的放大器更为合适。
参考文献
如欲下载相关的产品说明书和有关的技术文档,敬请访问以下网址:
http://focus.ti.com.cn/opa350.html 和 http://focus.ti.com.cn/opa363.html。
相关阅读:
- ...2011/06/02 15:11·哪里来的噪声?
- ...· Efinix® 全力驱动AI边缘计算,成功推出Trion™ T20 FPGA样品, 同时将产品扩展到二十万逻辑单元的T200 FPGA
- ...· 英飞凌亮相进博会,引领智慧新生活
- ...· 三电产品开发及测试研讨会北汽新能源专场成功举行
- ...· Manz亚智科技跨入半导体领域 为面板级扇出型封装提供化学湿制程、涂布及激光应用等生产设备解决方案
- ...· 中电瑞华BITRODE动力电池测试系统顺利交付北汽新能源
- ...· 中电瑞华FTF系列电池测试系统中标北京新能源汽车股份有限公司
- ...· 中电瑞华大功率高压能源反馈式负载系统成功交付中电熊猫
- ...· 中电瑞华国际在电动汽车及关键部件测评研讨会上演绎先进测评技术
- ...· 华芯微国产汽车芯片门电路系列(篇一)
- ...· 华芯微国产汽车芯片CAN收发器系列(篇一)
- ...· 华芯微国产汽车芯片DC/DC转换器系列
- ...· 华芯微国产汽车芯片DC/DC转换器系列
- ...· 华芯微国产汽车芯片运算放大器系列(篇一)
- ...· 华芯微国产汽车芯片MOSFET 驱动器系列(篇一)
- ...· 数据采集终端系统设备
- ...· 简仪科技踏上新征程








