许昌卷烟厂“九五”制丝线中控系统改造项目制造执行系统设计
1 前言
许昌卷烟厂“九五”制丝线中控系统2000年设计,2001年12月投入正式运行。随着新产品、新技术、新工艺的不断发展,及新版工艺规范的推广应用,目前在系统运行上存在很多不适应的情况。
(1)原中控系统为第一代研制产品。原设计的各工序控制模块间高度关联,整个系统呈钢性结构,稍加改动,就影响整个系统运转。与现行的高内聚、低偶合的设计思想完全相反。新增设备或工艺调度模式无法集成进MES系统。
(2)当时设计时为单批、单柜操作调度,随着我厂合并批次生产、分组加工、回丝掺配、烟丝转存等多道工序改造的实施和应用,已使得其调度模式无法进行控制,多数生产操作隔离在调度系统之外,从MES系统看,已处于调度失控状态。
(3)无法进行分组加工调度,使进出柜和相关配比控制必须人工反复确认,操作高度紧张,压力大,易出错。
(4)实际批次信息也无法有效跟踪。给批次生产情况数据追溯和工艺数据的批量分析带来严重负担或漏洞。批量历史批次数据出现较大范围内无法关联问题。
基于解决以上问题,提出了本次制丝线中控系统改造项目。
2 系统总体设计
2.1 系统平台选择
制造执行系统(Manufacturing Execution System,MES)是近10年来在国际上迅速发展、面向车间层的生产管理技术与实时信息系统。GE 电气公司的Proficy Plant Application(以下简称GE PA)系统是利用了较新软件技术的平台化方案,是目前自动化业界集成度较高,开放性和易用性较好的产品平台。它建立在微软系统平台上,依托于较新的 Web 服务架构和.NET 技术。目前主要应用在烟草、汽车、零售、食品等行业。
2.2 系统总体结构
本项目以GE PA系统的平台为基础,结合烟草行业的特点,利用.NET平台进行二次开发,设计出一套适合卷烟厂的MES系统。通过GE PA各种组件化应用模块和系统连接器形成一个整体的解决方案,具有清晰的信息流和模块构成。
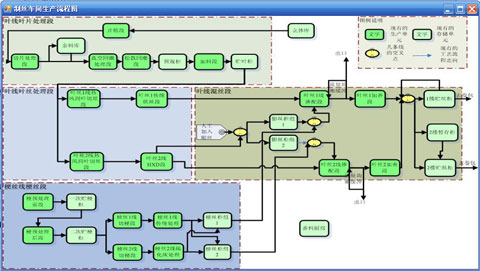
系统功能模块图见下图1系统整体解决方案,较下层为IFIX数据采集层,主要有制丝主线IO数据采集系统,HXD数据采集系统,采集数据中重要的参数保存到GE Proficy Historian (以下简称IH)数据库中,用于MES层查询统计分析等,ORALCE数据库用来保存质量检验数据,质量统计数据以及设备管理等内容,通过GE PA各种组件化应用模块和系统连接器与IH和ORACLE数据库相连。许昌MES以GE PA平台为基础,二次开发出适合于卷烟厂的MES服务层和客户端。同时把PORTAL信息门户也集成进MES客户端,让用户可以从统一入口登陆MES平台和远程监控WEB平台。

图1系统总体结构图

图2 MES服务管理层
3系统详细设计
本系统主要由系统管理、生产建模、生产管理、质量管理、设备管理、人员管理、报表管理等几个子系统组成。其中各子系统又分别包括几个功能模块,各子系统之间相互关联、相辅相成,它们之间的功能协作构成一个功能完备、性能可靠的制丝线制造执行系统。
3.1生产建模
3.1.1生产单元划分
生产单元是整个工厂模型的基础,因此对生产单元的划分很重要。
(1)具体的生产单元划分:
能独立处理物料的较小工作单位,每段自己下发工艺参数,独立的批号、牌号,单独启停,相邻段不得存在不同牌号,作为工艺路线的基础。
(2) 存储单元:
存储单元为一组贮柜或者其他的大型存储设备(主要是能保存一或几批批物料,且保存至少几个小时以上)可划分成一个存储单元,存储单元是作为生产单元的源头或者目的。因此和前生产单元或者后生产单元一块控制。

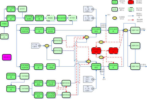
图3 制丝车间生产线生产单元划分情况
3.1.2 生产设备建模
生产建模系统能够根据车间的设备情况按照国际ISA95标准对车间的生产情况进行动态的数字建模,整个平台的数据以数字模型为基础;当设备进行改动后,只需在数字模型中对相应的设备进行改动就可,其他模块会相应的自动改变。
工厂建模内容主要分为部门建模(负责车间的生产单元建模),公共信息(负责生产过程中的公共基础信息建模),贮柜信息和物料信息。详细的结构树内容见图2.

图4工厂建模主体页面

图5工厂建模结构树内容
3.1.3 生产事件的建模
生产事件建模对生产设备及路径上发生的各种生产事件进行定义,主要是生产单元批次事件、设备运行事件、贮柜状态事件等。
3.2 产品管理系统
产品管理系统负责烟厂产品以及相关的工艺配方管理,产品可以根据不同的产品家族进行管理,比如全配方、分组加工烟牌,香料厨房香糖料等。

图6 产品家族的详细树形结构
对于不同烟牌产品可能会经过不同的工艺设备,因此需要制定不同产品的工艺路线,工艺路线由工厂建模中的生产单元组成。

图7生产路线管理界面

图8 生产路线的图形标示
同时每个产品的工艺参数、配方参数、设备参数可以保存所有做过的版本,可以很清楚的知道这个烟牌的参数变更的版本记录,制定参数时可以从其他的相近的烟牌引用参数进行制定,增加的产品配方参数维护的灵活性;工艺参数由工艺制定后,车间只能查询不能修改,制定计划时,工艺配方参数会随着选定的烟牌下发到PLC去进行生产控制。

图9 工艺配方管理
3.3 生产管理
生产管理承担着从计划的执行到现场操作的很多重要任务,其主要功能是建立在生产配置基础上的。通过对生产过程进行统筹安排,提供对生产过程的指导,生产过程中对各种数据的采集和录入,对生产数据进行分类储存、挖掘和分析,生成各种报告用以跟踪和研究生产过程,提高对生产过程的控制力。

图10 计划处理流程

图11 计划调度画面
3.4、质量管理:
质量管理是整个系统的重要模块,能对各种质量参数进行统计分析,由于MES的数据以IH数据库为主要数据源,IH数据库能以百毫秒级的粒度保存数据,保存只要硬盘足够大,可以保存很长时间的数据,因此管理系统能很方便的取到所需要的数据,用于各种质量分析。
以彩虹图形式实时显示主要工序的生产数据,能对生产数据有一个直接快速的了解,可以实时监控一个批次中该参数失控趋势以及实时统计结果。

图12 彩虹图分析
对于检验数据,通过检验员录入离线数据,输入录入时间后能和同时间的在线采集数据进行对比。

图13 离线检验保存

图14 离线检验查询
对各个工段的参数进行实时SPC的X-R、X-S控制图形分析,也可以查找历史的数据进行相应的SPC控制图形分析,真正的实现过程控制、分析以及预测,然后用于指导生产。

图15 PORTAL上的X-R 与X-S实时控制图主页

图16 加料机出口水分X-R图
同时能对过程参数进行质量数据查询、分析;同时能对一个工段内的多个参数进行同时分析,查找生产中异常的原因,有助于提高生产能力。

图17 工艺参数统计分析

图18 单个过程数据的历史统计分析

图19 多个过程数据的历史统计分析
3.5、设备管理:
设备管理主要以以下几个模块为主:
工艺段效率管理主要记录工艺段的总体运行时间、有效运行时间、故障运行时间,同时录入故障时间和原因、是否造成该工艺段停产等,通过以上基础数据等进行设备运行效率和故障分析。
设备档案管理,把设备的资料统一管理起来,提高生产车间维护查询设备资料的效率,能更加方便的查询相应设备的相关资料。
设备
相关阅读:
- ...· Efinix® 全力驱动AI边缘计算,成功推出Trion™ T20 FPGA样品, 同时将产品扩展到二十万逻辑单元的T200 FPGA
- ...· 英飞凌亮相进博会,引领智慧新生活
- ...· 三电产品开发及测试研讨会北汽新能源专场成功举行
- ...· Manz亚智科技跨入半导体领域 为面板级扇出型封装提供化学湿制程、涂布及激光应用等生产设备解决方案
- ...· 中电瑞华BITRODE动力电池测试系统顺利交付北汽新能源
- ...· 中电瑞华FTF系列电池测试系统中标北京新能源汽车股份有限公司
- ...· 中电瑞华大功率高压能源反馈式负载系统成功交付中电熊猫
- ...· 中电瑞华国际在电动汽车及关键部件测评研讨会上演绎先进测评技术
- ...· 华芯微国产汽车芯片门电路系列(篇一)
- ...· 华芯微国产汽车芯片CAN收发器系列(篇一)
- ...· 华芯微国产汽车芯片DC/DC转换器系列
- ...· 华芯微国产汽车芯片DC/DC转换器系列
- ...· 华芯微国产汽车芯片运算放大器系列(篇一)
- ...· 华芯微国产汽车芯片MOSFET 驱动器系列(篇一)
- ...· 数据采集终端系统设备
- ...· 简仪科技踏上新征程








