电容感应式触摸按键方案在电磁炉中的应用
作者:于洁,张建新,张醒
[提要] 本文介绍意法半导体的8位STM8微控制器实现的电容感应式触摸按键原理,以及在电磁炉应用中的触摸按键解决方案。该方案具有低成本,环境自适应,防水及防电磁干扰等特点,在低品质电网环境中也能可靠工作。
关键词:STM8S,触摸式按键,电磁炉
Capacitance touch sensing solution for Induction Cooker application
Abstract:
This paper introduces principle of the capacitance touch sensing based on the STM8 micro-controller and its application for touch key of induction cooker. The solution has features of low-cost, environment self-adapted, water proof and electromagnetic interference proof etc., It can also work well in harsh power grid environment.
Keywords: STM8S, Capacitance touch sensing, Induction Cooker
1 引言
相较于机械式按键和电阻式触摸按键,电容式触摸按键不仅耐用,造价低廉,机构简单易于安装,防水防污,而且还能提供如滚轮、滑动条的功能。但是电容式触摸按键也存在很多的问题,因为没有机械构造,所有的检测都是电量的微小变化,所以对各种干扰敏感得多。ST针对家电应用特别是电磁炉应用,推出了一个基于STM8系列8位通用微控制器平台的电容式触摸感应方案,无需增加专用触摸芯片,仅用简单的外围电路即可实现电容式触摸感应功能,方便客户二次开发。
2 方案介绍
ST的电容式触摸按键方案通过一个电阻和感应电极的电容CX构成的阻容网络的充电/放电时间来检测人体触摸所带来的电容变化。如图1所示,当人手按下时相当于感应电极上并联了一个电容CT,增加了感应电极上的电容,感应电极进行充放电的时间会增加,从而检测到按键的状态。而感应电极可以直接在PCB板上绘制成按键、滚轮或滑动条的应用样式,也可以做成弹簧件插在PCB板上,即使隔着绝缘层(玻璃、树脂)也不会对其检测性能有所影响。


图1 STM8S电容式触摸按键的工作原理
电磁炉是采用磁场感应电流的加热原理对食物进行加热。加热时,通过面板下方的线圈产生强磁场,磁力线穿过导磁体做的锅的底部时,锅具切割交变磁力线而在锅具底部产生涡流使锅底迅速发热,达到加热食物的目的。在本解决方案中采用44pin的STM8S105S4做按键显示板的主控芯片,控制13个按键的扫描、24个LED及一个4位数码管的显示、I2C与主板的通讯,并留有一个SWIM接口方便工程师调试之用(如图2)。
STM8S105S4采用的是ST高级STM8内核,具备3级流水线的哈佛结构,3.0~5.5V工作电压,内部16MHz RC可提供MCU 16MHz工作频率,提供低功耗模式和外设时钟关闭功能,共有34个I/O可用。STM8S105S4 具有2KB的RAM和16KB的FLASH,还有可达30万次擦写次数的1KB EEPROM数据存储器。

图2 电磁炉按键板原理
3 电磁炉工作环境中的干扰
1. 电磁干扰
电磁炉在加热锅的同时,也对电路板上感应电极正向或反向的电流,从而会缩短或增长按键充放电时间,会对按键的检测造成很大影响,甚至产生误动作,常见的方法采用硬件屏蔽和过零点检测来消除电磁辐射对按键的影响。
硬件屏蔽
在STM8S的解决方案中,ST提供了感应电极和走线的设计规范和如图3所示的Driven Shield功能(在Shield线上提供与按键管脚相同的驱动信号,电极与Shield之间的寄生电容就不会被充放电),能有效地减少感应电极走线的寄生电容对按键灵敏度的影响。

图3 Driven Shield
过零点检测
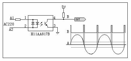
1) 硬件过零点检测
过零点检测可采用硬件实现,在硬件设计中,可以增加如图4 或图5过零点的硬件检测电路,通过在B端输出为高电平时进行按键状态的判断,以期在电磁辐射较小的时候对触摸按键进行检测。

图4 硬件过零点检测电路1

图5 硬件过零点检测电路2
2) 软件过零点检测
硬件过零点检测增加硬件电路设计的复杂性,增加方案成本,在我们的解决方案中,针对电磁炉的工作环境,我们采用软件进行过零点检测,从而降低成本,有效解决电磁炉主功率电路对触摸按键的干扰
2. 电网干扰
因为国内电网质量不一,在一些质量差的地区,容易影响电磁炉触摸按键的正常工作。如果不能做电源隔离,就会看到一下图6的差别(蓝色表示无按键,红色表示键被按下),而这些图还只是在电磁炉没有开功率的情况下的,当电磁炉工作时产生的电磁辐射将会使看到的信号更加杂乱无章。在实验中发现,采用与外界电网隔离或使用软件滤波,按键效果都能得到明显改善。



图6 质量好的电网 质量差的电网1 质量差的电网 2
3. 溅水,溅油的影响
在电磁炉的使用当中,常常会出现水或油溅到触摸面板上,它可能导致按键误触发,本解决方案采用特殊软件算法可靠地将覆水溅油与手指按下的状态区分开。
4. 环境自适应能力
电磁炉在工作的时候,会产生大量的热量与湿气,面板温度/湿度,电路板温度/湿度都是会在一个很宽的范围浮动,而随着使用时间的推移,包括玻璃面板、PCB板都会出现不同程序的老化,从而影响按键检测的准确度。在ST的解决方案中,实现了自动校准功能,实时地提供环境检测,实现环境自适应的机制。
4 总结
ST提供的解决方案包含了触摸面板自校准、软件滤波、软件过零点检测及环境自适应等功能,尽可能地使用软件算法去屏蔽各种复杂环境的干扰,具有低成本及工作可靠等特点。当然在其他产品的应用中,也会有一些与电磁炉环境不同的要求,这里只是介绍了其中一些有代表性的干扰,但只要掌握了电容式触摸的工作原理,还是有很多种方法来处理各种应用情况。
参考文献
1. ST, Guidelines for designing touch sensing applications, April 2010
2. ST, RC acquisition principle for touch sensing applications, March 2009
相关阅读:
- ...2015/06/12 13:19·感测的内容是什么?用于电容感测的有源屏蔽
- ...· Efinix® 全力驱动AI边缘计算,成功推出Trion™ T20 FPGA样品, 同时将产品扩展到二十万逻辑单元的T200 FPGA
- ...· 英飞凌亮相进博会,引领智慧新生活
- ...· 三电产品开发及测试研讨会北汽新能源专场成功举行
- ...· Manz亚智科技跨入半导体领域 为面板级扇出型封装提供化学湿制程、涂布及激光应用等生产设备解决方案
- ...· 中电瑞华BITRODE动力电池测试系统顺利交付北汽新能源
- ...· 中电瑞华FTF系列电池测试系统中标北京新能源汽车股份有限公司
- ...· 中电瑞华大功率高压能源反馈式负载系统成功交付中电熊猫
- ...· 中电瑞华国际在电动汽车及关键部件测评研讨会上演绎先进测评技术
- ...· 华芯微国产汽车芯片门电路系列(篇一)
- ...· 华芯微国产汽车芯片CAN收发器系列(篇一)
- ...· 华芯微国产汽车芯片DC/DC转换器系列
- ...· 华芯微国产汽车芯片DC/DC转换器系列
- ...· 华芯微国产汽车芯片运算放大器系列(篇一)
- ...· 华芯微国产汽车芯片MOSFET 驱动器系列(篇一)
- ...· 数据采集终端系统设备
- ...· 简仪科技踏上新征程








