信号链基础知识之桥接
作者:Rick Downs,德州仪器 (TI) 高精度模拟应用工程经理
测量现实世界现象的许多传感器都以改变电阻的形式表现其输出:热敏电阻为温度敏感型电阻,应变计随作用力而改变电阻大小,诸如此类。系统设计人员面对的挑战是如何精确地测量电阻。

图 1 简易分压器
图 1 显示的是您如何使用一个分压器测量电阻。VE 表示激发电压。RG 值为:

就大多数传感器而言,如果 R1 和 RG 的值大约相等,则该电路往往会产生非常小的电压变化,且具有较大的失调电压。当失调量未知时,要进行测量非常困难且关系也为非线性。增加一个分压器并差分测量输出可以消除大失调量,请见图 2。

图 2 增加第二个分压器并进行差分测量
该电路的输出电压为:

其假设,静止 RG 约等于 R1,同时所有 R1 均非常近似。桥接传感器几乎总是以这种方法来构建。请注意,关系仍为非线性。

图 3 绘制桥接的传统方法
图 3 所示的电路与图 2 所示的电路具有相同的电气特性。这就是绘制桥接传感器的常见方法。请注意,图 2-3 所示桥接并非真的与您在学校所学的惠斯通桥接相同。
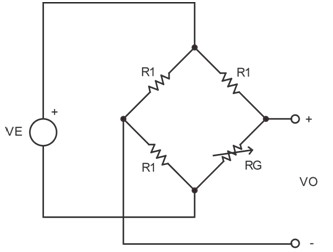
图 4 所示的惠斯通桥接是一款我们所熟悉的电路,主要用于高精度地测量电阻。1833 年, Hunter Christie 发明了这种电路,随后 Charles Wheatstone 对其进行了研究,并做了广泛的分析,Wheatstone 桥接便因此得名。Wheatstone 还首次运用独特的钻石形风格绘制这种电路,并一直沿用至今。

图 4 Wheatstone 桥接
Wheatstone 桥接的原理是:如果交叉分支的三个电阻和电流均已知,则可计算得到第四个电阻。使用一个高灵敏度电流计,可以非常精确地探测到零电流,因此能够非常精确地实施测量。所以,当电流为零时,桥接获得平衡,而第四个电阻与其他三个电阻相等——但只有在这三个电阻都相等的条件下,如图 2-3 所示。
当前,大多数人都测量电压差分而非电流,与图 2-3 所示情况类似。
参考文献
《桥接测量系统》,作者:Ashton,M.P.,TI 2006 年高精度模拟研讨会。
作者简介
Rick Downs 现任TI(图森,亚利桑那州)高精度模拟产品部应用工程经理。在过去的 23 年里,Rick 曾担任过模拟半导体应用和市场营销的多种职位,主要包括音频产品、数据采集产品、数字温度传感器和电池管理产品。Rick 毕业于亚利桑那大学 (University of Arizona),获电子工程理学士学位,并拥有 4 项专利。他撰写了多篇关于模拟的文章和应用手册,并组织和举办了多次数据采集研讨会。
相关阅读:
- ...2015/11/26 13:02·信号链基础知识:用子系统过流检测和监视重新审视系统级管理
- ...2012/03/31 14:43·信号链基础知识 57 工业远距离通信使用的RS-232至RS-485转换器
- ...2011/10/31 16:02·使用追踪电源来提高信号链性能
- ...2011/06/02 15:11·信号链基础知识(第 37 部分):LVDS——低压差分信号传输
- ...2011/05/31 10:25·信号链基础知识 RS-485:总线电流要求与收发器驱动能力
- ...2011/05/23 14:18·信号链基础:时钟抖动解秘——高速链路时钟抖动规范基础知识
- ...· Efinix® 全力驱动AI边缘计算,成功推出Trion™ T20 FPGA样品, 同时将产品扩展到二十万逻辑单元的T200 FPGA
- ...· 英飞凌亮相进博会,引领智慧新生活
- ...· 三电产品开发及测试研讨会北汽新能源专场成功举行
- ...· Manz亚智科技跨入半导体领域 为面板级扇出型封装提供化学湿制程、涂布及激光应用等生产设备解决方案
- ...· 中电瑞华BITRODE动力电池测试系统顺利交付北汽新能源
- ...· 中电瑞华FTF系列电池测试系统中标北京新能源汽车股份有限公司
- ...· 中电瑞华大功率高压能源反馈式负载系统成功交付中电熊猫
- ...· 中电瑞华国际在电动汽车及关键部件测评研讨会上演绎先进测评技术
- ...· 华芯微国产汽车芯片门电路系列(篇一)
- ...· 华芯微国产汽车芯片CAN收发器系列(篇一)
- ...· 华芯微国产汽车芯片DC/DC转换器系列
- ...· 华芯微国产汽车芯片DC/DC转换器系列
- ...· 华芯微国产汽车芯片运算放大器系列(篇一)
- ...· 华芯微国产汽车芯片MOSFET 驱动器系列(篇一)
- ...· 数据采集终端系统设备
- ...· 简仪科技踏上新征程








