如何避免在DSP系统中出现噪声和EMI问题
作者:Thanh Tran, TI 高级技术专家
在任何高速数字电路设计中,处理噪声和电磁干扰(EMI)都是一个必然的挑战。处理音视频和通信信号的数字信号处理(DSP)系统特别容易遭受这些干扰,设计时应该及早搞清楚潜在的噪声和干扰源,并及早采取措施将这些干扰降到较小。良好的规划将减少调试阶段中的大量时间和工作的反复,从而会节省总的设计时间和成本。
如今,较快的DSP的内部时钟速率高达数千兆赫,而发射和接收信号的频率高达几百兆赫。这些高速开关信号将会产生大量的噪声和干扰,将影响系统性能并产生电平很高的EMI。而DSP系统也变得更加复杂,比如具有音视频接口、LCD和无线通信功能,以太网和USB控制器、电源、振荡器、驱动控制以及其他各种电路,所有这些都将产生噪声,也都会受到相邻元器件的影响。音视频系统中特别容易产生这些问题,因为噪声会引起敏感的模拟性能的下降,而对于离散的数据来说却不明显。
至关重要的是从设计的一开始就着手解决噪声和干扰问题。许多设计第一次都没有通过联邦通信委员会(FCC)的电磁兼容测试。如果在早期的设计中在低噪声和低干扰设计方法上花费一些时间,就会减少后续阶段的重新设计成本和产品的上市时间的延迟。因此,从设计的一开始,开发工程师就应该着眼于:
- 选用在动态负载条件下具有低开关噪声的电源;
- 将高速信号线间的串扰降到较小;
- 高频和低频退耦;
- 具有较小传输线效应的优良的信号完整性;
如果实现了这些目标,开发工程师就能有效避免噪声和EMI方面的缺陷。
噪声的影响及控制
对于高速DSP而言,降低噪声是较重要的设计准则之一。来自任何噪声源的过大的噪声,都会导致随机逻辑和锁相环(PLL)失效,从而降低可靠性。还会导致影响FCC认证测试的辐射干扰。此外,调试一个噪声很大的系统是极端困难的;因此,要消除噪声-如果能够彻底消除的话-则要求在电路板设计中花费大量的功夫。
在音视频系统中,即便是比较小的干扰,也会对较终产品的性能产生显著的影响。例如,音频捕获和回放系统中,性能将取决于所用的音频编解码的质量,电源的噪声,PCB布线质量,以及相邻电路间的串扰大小等。而且,采样时钟的稳定度也要求非常高,以避免出现不希望的杂音,如在回放和捕获过程中的“砰砰”声和“咔嚓”声。
在视频系统中,主要的挑战是消除色彩失真,60Hz“嗡嗡”声以及音频敲击声。这些对高质量视频的系统都是有害的,例如安全监控方面的应用。实际上,上述这些问题通常都与视频电路板的设计不良有关。具体包括:电源噪声传到视频的DAC输出上;音频回放引起电源的瞬变;音频信号耦合到了高阻抗的视频电路的信号线上。
这些典型的视频问题源包括:同步和像素时钟的过冲和欠冲;影响色彩的编解码和像素时钟的抖动;缺少端接电阻的图像失真;音视频隔离较差引起的闪烁。
音视频应用容易产生的噪声干扰问题,对于所有要求具有很低误码率的通信系统来说也是常见的。在通信系统中,辐射不仅仅产生EMI问题,还会阻塞其他的通信信道,从而引起虚假的信道检测。采用适当的电路板设计技术、屏蔽技术以及RF和混合的模拟/数字信号的隔离等技术,就可以解决这些挑战。
在高速DSP系统中有许多潜在的开关噪声源,包括:信号线间的串扰;传输线效应引起的反射;退耦电容不合适所引起的电压降低;高电感的电源线,振荡器和锁相环电路;开关电源;线形调整器不稳定性所引起的大容性负载;磁盘驱动器。
这些问题由电耦合和磁耦合共同产生。电耦合的产生是由于相邻信号和电路的寄生电容和互感所引起,而磁耦合的形成是由于相邻的信号线形成辐射天线所导致。如果辐射干扰足够强的话,将会导致能够摧毁其他系统的EMI问题。
当高速DSP系统中的噪声无法根本消除时,则应该将其减到较小。电子元器件内部都有噪声,故仔细地选择器件特性,并选用适当的器件是至关重要的。除了器件的正确选择外,还有两种通用的技术,即PCB布线和回路退耦可以帮助控制系统噪声。一个优秀的PCB布线将降低噪声通道产生的可能性。另外,还减小了能够传播到印制线和电流回路上的辐射,退耦避免相邻电路产生的噪声影响。较好的方法是从源头上滤除噪声,不过也可以使相邻的电路对噪声不敏感或者消除噪声的耦合通道。
现在我们讨论几种可以解决由系统噪声和EMI引起的许多常见问题的技术。
保持电流回路较短
低速信号电流沿阻抗较小,即较短的路径返回源端。而高速信号则是沿电感较小的路径返回:这样的较小的回路面积位于信号线的下面,如图1所示。

图1:高速信号与低速信号电流的比较。
因此,高速信号设计的目标之一就是为信号电流提供较小的电感回路。这可以利用电源平面和地平面来实现。电源平面通过形成自然的高频退耦电容将寄生电感降到较小。而地平面形成一个屏蔽面,即众所周知的镜像平面,能够提供较短的电流回路。
一种有效的PCB布线方法就是将电源平面和地平面靠在一起。这样形成了高平板电容和低阻抗,有利于降低噪声和辐射。为了屏蔽,较好的选择是:关键信号较好布到靠近地平面一边,而其余的则应靠近电源平面一侧。
在高速视频系统中,保持回路短的目的意味着视频地不能被隔离。而必须被隔离的音频地,绝不能在数据输入点处短接到数字地上,如图2所示。

图2:音频地隔离。
电源隔离和锁相环
如何实现较佳供电是控制噪声和辐射的较大挑战。动态负载开关环境很复杂,包括的因素有:进入和退出低功率模式;由总线竞用和电容器充电所引起的很大的瞬态电流;由于退耦和布线不合理引起较大的电压下降;振荡器使线性调节器输出过载。
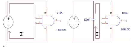
图3给出了一个设计电流回路的实例,其中利用了电源线退耦。该例中的退耦电容尽可能靠近DSP。如果没有退耦,动态电流回路将较大,这将加大电源电压的降幅,从而产生电磁辐射。

图3:电源退耦。
为PLL供电时,电源隔离是非常重要的,因为PLL对噪声非常敏感,并且对于稳定系统来说,要求抖动非常低。你还需要选择模拟的还是数字的PLL,模拟PLL对噪声的敏感度比数字PLL要低。

图4:PLL电源隔离。
如图4所示的具有低截至频率的∏型滤波器经常被用来将PLL与系统中的其他高速电路隔离开。一个较好的办法是利用一个低压差(LDO)电压调整器来独立产生PLL的电源电压,如图5所示。该方法虽增加了成本,但确保了低噪声和优异的PLL性能。

图5:利用LDO实现PLL电源的隔离。
串扰及传输线效应
信号间的干扰,即串扰,可以通过电磁辐射在印制线间传播。这也可能由电源和地平面上的无用信号以电气的形式产生。串扰与印制线间距的平方成反比。因此,为了将串扰减到较小,单端信号的布线间距应至少是印制线宽度的2倍。对于像以太网和USB这类的差分信号,印制线间距需要与印制线宽度相同,目的是能够与差分阻抗相匹配。关键信号可以用地和电源平面进行屏蔽,或者在改板时增加与信号并行的地线。
有些信号还产生引起串扰的高频谐波。由于辐射的能量正比于信号的上升和下降时间,较慢的上升或下降时间引起的干扰将较小。图6显示出视频干扰的实例,这些干扰可能由内部时钟的辐射所引起。在北美地区第二频道中,18.432MHz的音频时钟的三次谐波,将产生如图中左侧所示的干扰。通过在音频时钟印制线上增加一个串联电阻来放慢时钟的上升和下降时间,减小了干扰,其结果如图6中的右侧所示。不过,设计师需要了解定时裕度,以便于将上升和下降沿降低到系统所允许的限度内。

图6:解决音视频串扰。
与串扰相关的是传输线效应,这种效应在高速印制线变成产生辐射干扰的发射器时产生。通常,当信号的上升时间小于传播延迟的2倍时,印制线才发射信号。这就暗示出了一个经验,即为了减小传播延迟,印制线的长度应尽可能短。另一个是合理的信号端接将减慢信号的上升时间,从而将反射引起的过冲和欠冲减到较小。图7显示了如何利用并行端接来校正电平并将传输线效应减到较小。

图7:利用端接将传输线效应减到较小。
设计师可能会质疑,既然芯片内部已经集成了电阻,在外部端接负载电阻是否还有其重要性。实际上,除了控制传输线效应外,外部电阻还可以实现信号完整性的精密调整。DSP无法与电路板阻抗完全匹配,因此端接负载可以减小源电流,以及上升和下降时间。
与外部端接负载电阻一样,外部的上拉和下拉电阻也是重要的。对于无连接的引脚来说,虽然内部的上拉和下拉电阻是足够的,但高速开关噪声能够传过来,并会误触发连接端上的内部逻辑。
控制EMI
能够辐射到系统外的辐射被认为是EMI,这可能使设计无法通过FCC认证。有两种可能的辐射:一种是发射源是一条直线型的信号印制线,或者电缆的共模辐射,另一种是其信号和回路构成一个大电流环路的差分模式辐射。共模辐射随着频率的升高而降低,而差分模式辐射则随着频率的升高而增强,直到其
相关阅读:
- ...2011/07/01 10:24·Android系统如何避开“天线门”
- ...· Efinix® 全力驱动AI边缘计算,成功推出Trion™ T20 FPGA样品, 同时将产品扩展到二十万逻辑单元的T200 FPGA
- ...· 英飞凌亮相进博会,引领智慧新生活
- ...· 三电产品开发及测试研讨会北汽新能源专场成功举行
- ...· Manz亚智科技跨入半导体领域 为面板级扇出型封装提供化学湿制程、涂布及激光应用等生产设备解决方案
- ...· 中电瑞华BITRODE动力电池测试系统顺利交付北汽新能源
- ...· 中电瑞华FTF系列电池测试系统中标北京新能源汽车股份有限公司
- ...· 中电瑞华大功率高压能源反馈式负载系统成功交付中电熊猫
- ...· 中电瑞华国际在电动汽车及关键部件测评研讨会上演绎先进测评技术
- ...· 华芯微国产汽车芯片门电路系列(篇一)
- ...· 华芯微国产汽车芯片CAN收发器系列(篇一)
- ...· 华芯微国产汽车芯片DC/DC转换器系列
- ...· 华芯微国产汽车芯片DC/DC转换器系列
- ...· 华芯微国产汽车芯片运算放大器系列(篇一)
- ...· 华芯微国产汽车芯片MOSFET 驱动器系列(篇一)
- ...· 数据采集终端系统设备
- ...· 简仪科技踏上新征程








