USB 电源充电小贴士
作者:William Hadden,德州仪器 (TI) 电池充电管理系统工程师
摘要
几乎所有目前和未来推出的手持设备都要求使用 USB 电源和 AC 墙上适配器充电,这给电池充电带来了诸多挑战。本文中,我们将讨论简化 USB 充电的一些特性。具体而言,就是说哪些特性可以帮助用户设计一种符合 USB 规范的应用?设计如何能够同时支持 USB 和 AC 适配器输入呢?我们将讨论静态电流、输入电压动态电源管理 (VIN-DPM) 和输入电流极限。下面就以 bq2407x 系列器件为例来说明一下这些特性。
导言
消费者希望其设备的电源线和连接线越来越少,并期望获得通过计算机或 AC 插座充电的灵活性,因此要求几乎所有目前和未来推出的手持设备都能通过 USB 电源和 AC 墙上适配器充电。USB 要求给电池充电带来了许多挑战。使用同一条线缆的要求以及由此而来的 USB 和 AC 适配器单输入都意味着系统必须能够识别并使用两种电源。本文中,我们以 bq2407x 系列器件为例来介绍简化便携式应用锂离子 (Li-Ion) 电池充电系统设计的一些特性和规范。具体而言,我们将讨论输入电流极限、静态电流、输入电压动态电源管理 (VIN-DPM) 以及中国充电器规范的影响。这些特性简化了便携式应用的充电器设计。
输入电流极限
较公认的 USB 规范是 USB 设备的电流消耗。USB 电源分为低功率和高功率电源。低功率电源被定义为非自供电 USB 集线器。这些设备使用来自 USB 电源的 500mA 电流,且必须在所有连接至集线器的设备之间共用电流。低功率电源可提供 4.4V 的较低工作电压,其电流极限设定在一个单位负载,即 USB1.x 和 2.0 下的 100mA。就超高速 (SuperSpeed) USB 而言,单位负载被增加到了 150mA。高功率电源是一些自供电的集线器或者计算机 USB 端口,其可提供较小工作电压为 4.75V,拥有高达 5 个单位负载的电流,即 USB1.x 和 2.0 下每个端口 500mA,或者超高速 USB 下 6 个单位负载 (900mA)。所有设备默认均为低功率模式,但在枚举主机时会要求高功率模式。除高功率和低功率端口以外,许多设备均通过使用相同连接器的 AC 适配器来运行。这些电源可提供高达 1.5A 的电流(USB 线缆传输能力)。设备不能使用 2.5mA 以上的电流时,较终模式为挂起模式。USB 设备必须支持所有这四种模式,以达到 USB 规范。
充电设备的输入电流极限不能超出 USB 规范。这就是说您必须在产品说明书中找到技术说明规范以验证在所有工艺差异和温度下均能够保证电流极限不超出 USB 极限。图 1 是 bq2407x 产品说明书的一部分,其清楚地标明了输入电流极限规范。请注意,规范的较大数值为 USB 极限。这样就可以确保温度、工艺和输入电压下的所有 bq2407x 器件都在 USB 规范以内。较大 USB 规范极限列出的典型值是不允许的,因为一些部件会超出这一值。如果较大数值大于 USB 规范,则存在违反 USB 规范的可能性。

图 1 bq2407x 产品说明书的输入电流极限节选
主机要求系统进入 USB 挂起模式时,规范极限为 2.5mA。驱动 EN1 和 EN2 为高电平使得 bq2407x 进入 USB 挂起模式。这种模式下,静态电流减少至 50μA(较大)。如果其他电路由 VBUS 电源供电运行,则这会给设计人员带来较大的裕量。就待机模式电流规范而言,其通常出现在电气特性表的静态电流部分。图 2 显示了 bq2407x 的静态电流。请注意,在 USB 挂起模式 (EN1=EN2=HI) 下,较大静态电流为 50μA (VBUS = 6V),其大大低于 USB 挂起模式的 2.5mA 要求。

图 2、bq2407x 产品说明书的静态电流部分节选
USB 启动问题
USB 2.0 规范规定“并联一个单位负载时 (100mA),线缆下行端允许的较大负载 (CRPB) 为 10μF。10μF 电容代表一个 VBUS 线之间直接连接的旁路电容器,加上通过设备调节器的所有可见电容效应。” [1]。要对此进行测试,USB-IF 测试程序文档 1.3 版描述为“USB 规范允许高达 10uF 硬启动,其可形成 50.0uC 的较大浪涌电流值。” [2] 50μC 由公式 1 计算得到:

我们如何将其变为电流极限呢?安培单位为库仑每秒。这就是说在启动期间,电流极限以上的较大浪涌电流乘以电流极限以上的时间,所得结果必须小于 50μC。如公式 2 所示:

请注意,IIN_AVG 代表浪涌电流期间的平均输入电流。充电器设备的输入电流极限必须防止来自 USB 电源的电流超出 50μC。图 3 显示了在 100mA 模式下 bq2407x 的启动情况。请注意,高亮区域代表允许的过冲充电区域。bq2407x 的输入电容要求为 1μF。这超出了符合输入电容规定的程度。输入电流极限让设计人员不必担心系统的电容值,因为 USB 电源绝不会出现这种电流。

图 3 输入电流启动波形,EN1 = EN2 = GND, VBAT < VWEAKBATT
bq2407x 的输入电容要求为 1μF。硬启动 1μF 要求 5μC。这种启动的系统电容为 47μF,其不能直接通过 USB 端口启动。就输入电流极限而言,硬启动系统电容并开始充电都不成问题。输入电流阈值小于 100mA 规范,因此首次启动以后,便不会违反 USB100 规范。
弱电池阈值
USB 规范要求在 VBUS 电源的电流大于 2.5mA 以前枚举主机。但是,规范中有一条关于零电量、弱电量或无电池情况的规定。规定如下:“一个零电量、弱电量或无电池情况的设备需要在连接后 100ms 左右的时间提供 100mA 的电流,以确定它是否可以连接。” [3]如果设备不能在 100ms 时间内以 100mA 启动,则可能会出现问题。
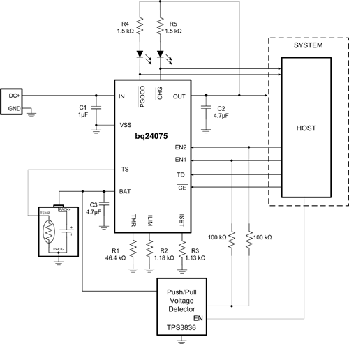
为了解决这个问题,USB 规范增加了一条电池充电的具体规定。其规定“如果便携式设备不能以低于 100mA 的电流上电并连接,该零电量或弱电量电池的设备则可以使用主机提供的 100mA 电流首先将其电池充电至其弱电量电池阈值。一旦达到其弱电量电池阈值,立即要求设备上电并连接。” [4]在弱电量电池阈值以上,假设电池足以为主机供电,因此主机开启。每种应用都定义了其自身的弱电量电池阈值。bq2407x 的硬件使能以及一个简单的电压探测器使得设计人员能够轻松地满足这一要求。图 4 显示的是弱电量电池阈值情况下的一款简单解决方案。

图 4 弱电量电池检测实施
必须对电压探测器进行应用弱电量电池阈值设置。例如,TPS3836 有数个有效阈值。另外,为了获得较大的灵活性,一些电压探测器提供了可调节阈值。就这种应用来说,重要的电压探测器特性是一种有源低电平 RESET(VIN < VTHRESHOLD 时为低电平)推/拉输出,这样它便可以与主机输出隔离。一旦主机出现,它便关闭电压探测器,或者停止上拉。主机输出的下拉力必须要大于将电压探测器输出与 EN1 和 EN2 隔离的一些电阻。
图 5 显示了实施波形。将弱电量电池阈值设定为 3.3V。当插入 3.5V 电池时,其被识别为一块状态良好的电池,同时 EN1 和 EN2 被 TPS3836 拉为高电平。枚举主机以后,主机拉低 EN2,以将 bq24072 电池充电器设置为 USB500 模式。这种方法假定 HOST 关闭时 HOST GPIO 为高阻抗。

图 5 弱电量电池实施举例
基于输入电压的动态电源管理 (VIN-DPM)
USB 规范规定,在通过所有集线器和线缆以后的满负载条件下,低功率端口设备的输出可以低至 4.4V。一些设备实施了基于输入电压的动态电源管理 (VIN-DPM)。该环路降低了输入电流极限,以防止输入崩溃。图 6 显示了无 VIN-DPM 保护情况下 USB 端口过负载的后果。请注意,当输入电压降至“电源良好”阈值以下时,充电器关闭。这样会关闭电源的负载,并允许输入电压恢复,从而开启充电器。这种开/关脉冲是多余的。

图 6 无 VIN-DPM 的输入崩溃
VIN-DPM 通过限制输入电流来阻止出现脉冲,从而防止输入电源崩溃。图 7 显示了使用 bq2407x 充电器时 USB 端口过载的结果。VIN-DPM 功能生效来降低输入电流极限,并防止电源崩溃。

图 7 使用了 VIN-DPM 的输入过载保护
中国充电器标准
展望未来,中国针对在中国销售的充电器适配器制定了一套标准,旨在减少每年 1 亿多淘汰手持设备的废弃适配器数量。这种新的标准使用了许多 USB 规范。就这点而言,其要求适配器电源线有一个标准的 A 型 USB 连接器,以插入 AC 适配器或标准的 USB 端口。充电器必须能提供 300mA 和 1.8A 之间的电流。额定适配器电压为 5V +/–5%,而且充电器必须工作在低于 6V 的电源下。电源超过 6V 时,下游电路必须得到保护。
许多电池充电器 IC 都具有帮助达到中国充电器标准的功能。顾名思义术语“通用充电器”,即充电器 IC 的输入必须稳健到能够应对许多不同的电源,并且不再是只为单个特定适配器而进行设计。它们必须能够经受得住高压电源(例如:12V 车载电源等)的意外接入。如 bq2407x 等器件的宽输入电压范围可在高达 28V 的输入瞬态电压条件下为下游设备提供保护。这种高输入电压范围和过压保护 (OVP)
相关阅读:
- ...2015/12/03 09:37·USB 3.1 让USB Type-C成为现实
- ...2014/02/14 12:11·用于车载USB供电的NCV8852
- ...2012/08/08 09:46·USB 3.0实测评鉴与报告:快速领略问题症结与解决方案
- ...2012/04/12 11:38·基于USB的球杆测控系统开发
- ...2012/03/07 10:15·USBHID类设备小驱动程序开发
- ...2011/10/18 14:27·基于μC/OS-Ⅱ的嵌入式USB控制软件的实现
- ...· Efinix® 全力驱动AI边缘计算,成功推出Trion™ T20 FPGA样品, 同时将产品扩展到二十万逻辑单元的T200 FPGA
- ...· 英飞凌亮相进博会,引领智慧新生活
- ...· 三电产品开发及测试研讨会北汽新能源专场成功举行
- ...· Manz亚智科技跨入半导体领域 为面板级扇出型封装提供化学湿制程、涂布及激光应用等生产设备解决方案
- ...· 中电瑞华BITRODE动力电池测试系统顺利交付北汽新能源
- ...· 中电瑞华FTF系列电池测试系统中标北京新能源汽车股份有限公司
- ...· 中电瑞华大功率高压能源反馈式负载系统成功交付中电熊猫
- ...· 中电瑞华国际在电动汽车及关键部件测评研讨会上演绎先进测评技术
- ...· 华芯微国产汽车芯片门电路系列(篇一)
- ...· 华芯微国产汽车芯片CAN收发器系列(篇一)
- ...· 华芯微国产汽车芯片DC/DC转换器系列
- ...· 华芯微国产汽车芯片DC/DC转换器系列
- ...· 华芯微国产汽车芯片运算放大器系列(篇一)
- ...· 华芯微国产汽车芯片MOSFET 驱动器系列(篇一)
- ...· 数据采集终端系统设备
- ...· 简仪科技踏上新征程








