一款被完全误解的器件
作者:Bonnie C. Baker,德州仪器 (TI)
为什么仪表放大器常常被人们误解呢?图 1 所示的 三运放仪表放大器看似为一种简单的结构,因为它使用已经存在了几十年的基本运算放大器 (op amp) 来获得差动输入信号。运算放大器的输入失调电压误差不难理解。运算放大器开环增益的定义没有改变。运算放大器共模抑制 (CMR) 的简单方法自运算放大器时代之初就已经有了。那么,问题出在哪里呢?

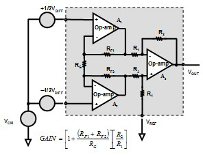
图 1 三 运放仪表放大器,其 VCM 为共模电压,而 VDIFF 为相同仪表放大器的差动输入。
单运算放大器和仪表放大器的共用 CMR 方程式如下:

本方程式中,G 相当于系统增益,?VCM 为相对于接地电压同样施加于系统输入端的变化电压,而 VOUT 为相对于变化 VCM 值的系统输出电压变化。
在 CMR 方面,运算放大器的内部活动很简单,其失调电压变化是唯一的问题。就仪表放大器而言,有两个影响器件 CMR 的因素。第一个也是较重要的因素是,涉及第三个放大器(图 1,A3)电阻比率的平衡问题。例如,如果 R1 等于 R3,R2 等于R4,则理想状况下的 三运放仪表放大器 CMR 为无穷大。然而,我们还是要回到现实世界中来,研究 R1、R2、R3 和 R4 与仪表放大器 CMR 的关系。
具体而言,将 R1:R2 同 R3:R4 匹配至关重要。结合 A3,这 4 个电阻从 A1 和 A2的输出减去并增益信号。电阻比之间的错配会在 A3 输出端形成误差。方程式 2 在这些电阻关系方面会形成 CMR 误差:

例如,如果 R1、R2、R3 和 R4 接近相同值,且 R3:R4 等于 R1/R2 的 1.001,则该 0.1% 错配会带来仪表放大器 CMR 的降低,从理想水平降至 66 dB 级别。
根据方程式 1,仪表放大器 CMR 随系统增益的增加而增加。这是一个非常好的特性。方程式 1 可能会激发仪表放大器设计人员确保有许多可用增益,但是这种方法存在一定的局限性。A1 和 A2 开环增益误差和噪声。放大器的开环增益等于 20 log (ΔVOUT/ΔVOS)。随着 A1 和 A2 增益的增加,放大器开环增益失调误差也随之增加。A1 和 A2 的输出振幅变化一般涵盖电源轨。仪表放大器增益更高的情况下,运算放大器的开环增益误差和噪声占主导。通过 RSS 公式,这些误差降低了更高增益下的仪表 CMR。因此,您会看到仪表放大器的 CMR 性能值往往会在更高增益时达到较大值。
因此,从 CMR 角度来看,仪表放大器就像是一个在不同系统增益下器件各部分都诱发 CMR 误差的系统。当您对器件的内部原理进行研究时,它便不再如此神秘。您把各个部分都分开来,就会一目了然。
参考文献
1. 《并非所有 INA 的 CMRR 都相等》,作者:Baker, Bonnie,《电子世界》,2008 年 12 月。
2. 《仪表放大器的正确使用方法》,作者:Kitchin, Counts,EDN,2005 年 9 月 15 日。
3. 如欲了解运算放大器和其他放大器的更多详情,敬请访问:http://focus.ti.com.cn/amplifiersandlinear。
相关阅读:
- ...2010/06/09 13:52·一款被完全误解的器件
- ...· Efinix® 全力驱动AI边缘计算,成功推出Trion™ T20 FPGA样品, 同时将产品扩展到二十万逻辑单元的T200 FPGA
- ...· 英飞凌亮相进博会,引领智慧新生活
- ...· 三电产品开发及测试研讨会北汽新能源专场成功举行
- ...· Manz亚智科技跨入半导体领域 为面板级扇出型封装提供化学湿制程、涂布及激光应用等生产设备解决方案
- ...· 中电瑞华BITRODE动力电池测试系统顺利交付北汽新能源
- ...· 中电瑞华FTF系列电池测试系统中标北京新能源汽车股份有限公司
- ...· 中电瑞华大功率高压能源反馈式负载系统成功交付中电熊猫
- ...· 中电瑞华国际在电动汽车及关键部件测评研讨会上演绎先进测评技术
- ...· 华芯微国产汽车芯片门电路系列(篇一)
- ...· 华芯微国产汽车芯片CAN收发器系列(篇一)
- ...· 华芯微国产汽车芯片DC/DC转换器系列
- ...· 华芯微国产汽车芯片DC/DC转换器系列
- ...· 华芯微国产汽车芯片运算放大器系列(篇一)
- ...· 华芯微国产汽车芯片MOSFET 驱动器系列(篇一)
- ...· 数据采集终端系统设备
- ...· 简仪科技踏上新征程








