电源开关设计基础
作者:Philippe Pichot,德州仪器 (TI) 战略市场营销经理
电源开关的使用较为复杂,甚至让大多数电子产品设计人员都感到困惑,特别是对那些非电源管理专家而言。在各种各样的应用中,例如:便携式电子产品、消费类电子产品、工业或电信系统等,广大设计人员正越来越多地使用电源开关。这些电源开关的使用方式多种多样,包括控制、排序、电路保护、配电甚至是系统电源开启管理等。当然,每一种用法都需要有不同特性的电源开关解决方案。
本文对不同应用中,使用电源开关时设计人员需要考虑的一些重要规范和概念进行了总结,并介绍了一些可能的解决方案,旨在帮助设计人员选择一种较佳的解决方案。
很明显,在选择电源开关以前您应该问您自己的第一个问题是:“我想要用这个开关来做什么?”这是一个简单的问题,但其答案却能帮助您定义完美的产品。使用电源开关的方式有数种。较为常见的是:
- 控制、配电和排序(即开启/关闭电源轨来启用某个子系统或者为多个负载配电)
- 短路或者过电流或过电压保护(USB电流限制、传感器保护、电源轨短路保护)
- 管理接通浪涌电流(即电容充电时)
- 选择电源(即多路复用或ORing)或者负载分配。
表 1 概括了电源开关每种具体使用情况下需要考虑的重要特性。
控制、配电和排序 短路保护 浪涌电流管理 电流多路复用
(ORing) 通过 FET 导通电阻 ° ° ° ° 受控转换速率 ° ° 过电流保护 (OCP) ° • • 过压保护 (OVP) • • 反向电流保护 • ° 功耗 ° ° ° ° 解决方案尺寸 ° • • • 输入电压范围 ° ° ° ° 较大持续电流 ° ° ° ° 热保护 • ° • • 控制逻辑,GPIO 兼容性 ° • •
° : 需要考虑的重要特点 / 特性。
• : 有更好,但非强制特性,也非重要特性。
表 1 具体的应用要求
导通电阻、较大电流和输入电压范围
导通电阻 (rON)、较大持续电流和输入电压范围始终都是需要考虑的关键特性。它们是您在考查任何器件以前需要研究的基本特性。根据应用,设计人员可以轻松地知道需要开关的电流,以及工作电压的大小。根据这类信息,您便可以做出初步的选择。实际上,如果您需要一个能够通过 1.2V 或 36V 的开关,便可以确定两种完全不同的产品范围。
导通电阻会影响您在开关上看到的压降。设计人员必须仔细了解其特定应用设置(电压、电流)相关的较大允许压降。利用公式1可以很容易地计算得到:

其中,压降为 VDROP,直通 FET 导通电阻为 rON,而通过开关的电流为 I。
如果应用需要开关大量的电流,或者对低压轨(如 1.0-V)进行开关,则需要较小化压降。因此,导通电阻需要尽可能地低,例如:TPS2292x 系列特有 3.6-V 的14-m Ohm rON。但是,如果要开关的电流较少,则导通电阻便不是一个关键问题,您可以选择一个约为 1 Ohm 的高导通电阻器件(如 TPS2294x 系列产品)。导通电阻是电源开关器件裸片尺寸的一个重要因素,从而也是器件成本的重要原因。您要对其仔细研究,以选择较低成本的解决方案。
除设计人员关注的开关较大持续电流以外,另一个重要特性是开关允许的较大脉冲电流。在某些应用中,大多数时候要求的负载均包括中等的持续电流。但是,当某个子系统要求更多功率时峰值便显而易见。GSM/GPRS 发射脉冲便是一个较好的例子,其在 12.5% 占空比下 576μS 期间要求高达 1.7A 的电流。请确定所选用的器件可以支持这种脉冲电流。
功耗和保护特性
功耗也是需要考虑的一个重要特性。在作为直通开关的正常运行期间,根据开关的导通电阻以及开关电流,可以计算得到功耗。利用公式 2,您可以很容易地计算得到器件的较大功耗。

如果该器件的导通电阻足够低,则功耗较小,并且对器件工作温度产生的影响也极小。但是,如果您计划使用开关来保护电压轨免受过电流或者短路损害(如USB端口或指纹传感器保护电路一样),则要小心。在这种情况下,您必须选择一种电流限制开关,例如:TPS22944 等。如果您不使用电流限制开关,则功耗会成为系统可靠性的主要问题。例如,3.3-V 输入电压下,作用于一个非电流限制负载开关的 0.9-? 短路(如 TPS22902 的导通电阻为 ~100-m?),会转换成如公式 3 所示的功耗。

一般来说,这种功耗对于市售的大多数封装而言都太高,其可导致故障和可靠性问题。
同样,使用电流限制开关的设计人员需要确定封装能够支持短路状态。如果器件达到电流限制值,则输出为短路接地时出现较大功耗。对于如 TPS22945 等具有自动重启时间 tRESTART 和过电流断路时间 tBLANK 的一些器件来说,较大平均功耗如公式 4 所示。

对于那些没有自动重启环路(如 TPS22944 等)的器件来说,输出短路会使器件工作在恒流状态下,从而保证在热关断启用以前实现极端情况功耗。这样,只要导通引脚有效且出现短路,它便在进出热关断之间不停地循环。
市场上有一些电流限制开关,需要考虑的两个主要特性是电流限制较小值(固定电流限制或利用外部电阻编程),以及电流限制精度和响应时间。大多数应用中,电流限制精度并不是一个关键问题,因为器件用作一个断路器(即出现短路时关闭开关)。但是,如 USB 电流限制等一些应用的精度就显得很重要,因为开关是用作一个恒流源。
对于一些要开关大电流或承受过电流的一些应用来说,我们建议您选择具有某种热保护特性的器件。当发现器件温度过高时,大多数器件都会启用热关断,关闭 FET 来保护器件自身,以避免遭受任何潜在的热损害。
除强制短路保护的电流限制(或者过电流保护—OCP)以外,还可以考虑如反向电流阻断等其他一些保护特性。
设计人员尝试设计一种电源选择器 (ORing),或者实现某种负载分配时,反向电流阻断(也称作反向电压保护)则为必需的。
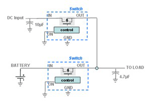
图 1 显示了一个通过两个潜在电源(即 DC 输入和电池)为负载供电的电源开关配置实例:

图 1 双源电源选择器
对于没有反向电压保护的器件来说,直通 FET 的输入电压保持在其输出电压以上很重要。否则,输入将会通过 FET 主体二极管被钳位控制,从而使大电流从输出流至输入。
在图 1 实例中,如果电池为一块 4.2V(较大)的锂离子 (Li-Ion) 电池,启用 DC输入,并且电压为 5.0V,则潜在大电流将从负载流至电池——我们当然不希望看到这种结果!
一种有效的解决方案是使用一款具有反向电压保护特性的器件。反向电流保护一般可以通过使用背靠背 FET,或者在探测到反向电压状态时开关 PMOS FET 的背栅来实现。您将会研究反向电压比较器跳变点(VOUT – VIN值,即启用反向电流特性的阈值),以及从反向电压状态到 MOSFET 关闭的时间。
可有效用于某些应用的另外一种保护是过电压保护 (OVP)。该特性在开关出现过电压时,保护开关和系统。例如,它可以有效地用于一些 USB 应用或者电池应用中。
浪涌电流管理
电源开关的另一种常见用法是对系统启动时的浪涌电流进行管理。如果开关在不受控的情况下开启,则会形成巨大的浪涌电流,可导致开关输入电源轨压降。其较终会影响系统的整体功能。
对大容量输出电容充电时,浪涌电流会很大,需要对其进行控制和/或限制。这种浪涌电流可由公式 5 计算得到:

例如, 和 1μS 升压时间的情况下,浪涌电流可以高达 3A。
避免出现这种浪涌电流的一种简单方法是减慢开关的升压时间。这样便可缓慢地对输出电容充电,并降低电流峰值。在公式 5 的实例中,200μS 的升压时间会导致 15mA 的浪涌电流,这是可以接受的。
一些情况下,您可能想对一些超大容量电容(数百 μF)充电。通常建议选择非常长的升压时间,但是您也可以选择一种具有高电流限制的开关。器件将会在加电时进行电流限制,同时电容将在电流限制值下获得充电,其为电源开关的较大功耗能力。
系统互操作性
任何情况下,在选择电源开关时,都需要认真地考虑系统互操作性问题。例如,便携式应用中使用电源开关启用和关闭负载来优化功耗时,开关的控制输入必须与通用、低电压(1.8-V)兼容,GPIO 至关重要。另外,当关闭开关时,请确保开关的浮动输出不影响系统性能。因此,一些用户可能会在关闭时利用一个额外晶体管将电源开关输出紧密接地,或者使用一个集成这种下拉接地(如 TPS22902)的集成器件。
另一个重要的检查点是设计稳定系统所使用的输入和输出电容。尽管通常不要求一个输入电容来稳定一些市售的电源开关,但在输入电源连接一个 0.1uF 到 1uF 的低等效串联电阻 (ESR) 电容器时,却被认为是一种较好的模拟设计方法。该电容可应对电抗性输入源,并改善瞬态响应、噪声及纹波抑制性能。根据开关的负载,您
相关阅读:
- ...2008/08/15 15:29·安森美推出新集成充电和电源开关解决方案
- ...· Efinix® 全力驱动AI边缘计算,成功推出Trion™ T20 FPGA样品, 同时将产品扩展到二十万逻辑单元的T200 FPGA
- ...· 英飞凌亮相进博会,引领智慧新生活
- ...· 三电产品开发及测试研讨会北汽新能源专场成功举行
- ...· Manz亚智科技跨入半导体领域 为面板级扇出型封装提供化学湿制程、涂布及激光应用等生产设备解决方案
- ...· 中电瑞华BITRODE动力电池测试系统顺利交付北汽新能源
- ...· 中电瑞华FTF系列电池测试系统中标北京新能源汽车股份有限公司
- ...· 中电瑞华大功率高压能源反馈式负载系统成功交付中电熊猫
- ...· 中电瑞华国际在电动汽车及关键部件测评研讨会上演绎先进测评技术
- ...· 华芯微国产汽车芯片门电路系列(篇一)
- ...· 华芯微国产汽车芯片CAN收发器系列(篇一)
- ...· 华芯微国产汽车芯片DC/DC转换器系列
- ...· 华芯微国产汽车芯片DC/DC转换器系列
- ...· 华芯微国产汽车芯片运算放大器系列(篇一)
- ...· 华芯微国产汽车芯片MOSFET 驱动器系列(篇一)
- ...· 数据采集终端系统设备
- ...· 简仪科技踏上新征程








