使用外部充电泵生成辅助电压
作者:Nicolas Guibourg –德州仪器 (TI)(德国)
本文将阐述如何使用外部充电泵从单通道升压转换器(如 TI 生产的 TPS61087)生成两个额外电压。文中示例将使读者初步了解充电泵,并借助高性价比的解决方案,使这些充电泵能够生成系统所需的电压轨。
使用外部充电泵是从升压转换器生成辅助电压轨的一种灵活易用的方法。这些电压轨理论上可以是任何电压,正负均可,并且可以为需要两个或更多电压的任何应用供电。例如,具有唯一 5V 输入电源线的单通道升压转换器可以提供 TFT-LCD 应用所必需的所有三种主电压(+27V、-7V 和 15V)。运算放大器所要求的+/- 5V电源电压也可以生成 3.3V 的电源。

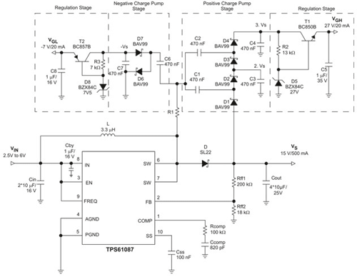
图 1 针对 TFT LCD 的 5V~15V 典型应用电压(fsw=1.2MHz),其采用外部充电泵(VGH、VGL)
图 1 显示了一种外部正充电泵结构,在调低至电压 VGH (27V) 以适合此应用之前,该结构所提供的电压较多可 3 倍于升压转换器的输出电压 VS,即 45V。在这种情况下,负充电泵的稳压级会将输出电压 VGL 从升压转换器所生成的 -15V 电压调节至 -7 V。
理想情况
正充电泵
图 2 显示了典型应用中的正充电泵驱动器电路,其将在倍压模式下生成 2 倍于 VS 的电压。您可以从该图深入了解充电泵驱动器的工作原理。下列研究基于三倍压模式。

图 2 外部正充电泵——理想情况
下面的说明介绍了稳态运行时的充电泵行为,其内容简单易懂。首先,我们假定所有组件都很理想,并且升压转换器的占空比为 50%。图 2 中 R1 的电阻为 0 欧姆,并且就在此处测量流入到电容 C1 和 C2 中的电流。
导通期间,由于 VSW=0V,飞跨电容 C1 可通过二极管 D1 充电至 VS。同样,储能电容 C3 也同时通过 D3 充电至 2 倍 VS。二极管 D2 与 D4 均被阻断。由于不再提供输出 VCPP,因此输出电容 C4 不得不通过必需的 20mA 负载电流为电路供电。
关断期间,开关节点电压 VSW 变为高电平,增加了飞跨电容 C1 和 C2 中的储能,并将 C3 和 C4 分别提升至 2 倍 VS 和 3 倍 VS(VSW=VS 时)。二极管 D2 变为正向偏置,并使电流流入到 C3 中,较多可将其充电至 2 倍 VS(导通期间,在其终端两端的电压下降后)。同样,D4 也会导通,并且 C3 将输出电容回充至 3 倍VS,与此同时,通过必需的 20mA 负载电流为输出电路供电。
较后,在关断期间,电感为升压转换器的飞跨电容和输出电容分别提供 80mA 和 40mA 的电流,在导通期间将放电至 C1。这样一来,升压转换器所提供的电流平均起来就等于正充电泵输出电流的 3倍,即 60mA。
负充电泵
外部负充电泵的工作也分为两个级(充电泵级和稳压级)。充电泵可提供一个负输出电压 –VS(请参见图 1),然后稳压级将输出电压 VGL 调节至所需电平。您可以从图 3 深入了解充电泵驱动器的工作原理。

图 3 外部负充电泵——理想情况
下面的说明介绍了稳态运行时的负充电泵行为,其也假定所有组件都很理想,并且升压转换器的占空比为 50%,R1 的电阻值为 0 欧姆。
开始为关断期间,开关节点电压 VS 为高电平,飞跨电容 C6 通过 D6 充电至 VSW =VS。其中,输出电容 C7 可提供 20 mA 的输出负载电流。
导通期间,由于 VSW = 0V,先前飞跨电容 C6 的正极终端将被拉至接地,并且储能电压下移(偏移量为 –VS)。这样一来,二极管 D7 就变为正向偏置,从而允许电流流动并为输出电路供电。
与正充电泵的方式类似,在此示例中,VCPN 上提供的电流为 20mA,升压转换器所提供的平均电流就等于负充电泵输出电流的 2 倍,即 40mA。
稳压级
稳压级具有可选的输出电压,用户可根据其具体应用,灵活选择相应的输出电压。
我们已介绍了正负充电泵如何构建其电压。下一级(请参见图4)类似于正负充电泵,可以通过将多余的能量耗散到双极管中来调节输出电压 VGH 和 VGL。
齐纳二级管将电压钳位控制在所需的输出值,并且也使用双极管来降低电流消耗。较后,VGH 和 VGL 上的输出电压将等于 VZ -Vbe。图 5a 和 5b 显示了稳压级前后所测量出的输出电压稳压。可以看到,只要 VCPP 和 VCPN 上生成的电压一直高于稳定输出电压,增加了晶体管压降,系统就会得到稳压。例如,通过将充电泵从三倍压提升到四倍压模式并根据电流和电压选择器件,就能利用合适的额定组件生成更多的电能。较大可能的输出电流也取决于系统整个电流消耗的总和,该值不应超过升压转换器的电流限制。
也可以使用诸如 TL432 之类的并联稳压器,而不是使用图 4 结构进行稳压调节。

图 4 正电荷泵稳压级

图 5 稳定的输出电压
外部充电泵的优势在于性价比高,且为用户提供了极大的灵活性。采用独立的升压转换器(例如 TI 的 TPS61085 或 TPS61087)以及仿真工具 TinaTI? 进行辅助设计,可以很轻松地获得大功率的正/负充电泵。
作者简介
Nicolas Guibourg 于 2006 年加盟TI(德国)担任系统工程师,主要负责显示器电源转换器产品部产品应用支持和新产品定义。他毕业于高等电子与数字技术学院(ISEN - Institut Supérieur de l’électronique et du Numérique (France)),获电子工程理学士学位。
相关阅读:
- ...2011/06/03 11:19·使用外部充电泵生成辅助电压
- ...· Efinix® 全力驱动AI边缘计算,成功推出Trion™ T20 FPGA样品, 同时将产品扩展到二十万逻辑单元的T200 FPGA
- ...· 英飞凌亮相进博会,引领智慧新生活
- ...· 三电产品开发及测试研讨会北汽新能源专场成功举行
- ...· Manz亚智科技跨入半导体领域 为面板级扇出型封装提供化学湿制程、涂布及激光应用等生产设备解决方案
- ...· 中电瑞华BITRODE动力电池测试系统顺利交付北汽新能源
- ...· 中电瑞华FTF系列电池测试系统中标北京新能源汽车股份有限公司
- ...· 中电瑞华大功率高压能源反馈式负载系统成功交付中电熊猫
- ...· 中电瑞华国际在电动汽车及关键部件测评研讨会上演绎先进测评技术
- ...· 华芯微国产汽车芯片门电路系列(篇一)
- ...· 华芯微国产汽车芯片CAN收发器系列(篇一)
- ...· 华芯微国产汽车芯片DC/DC转换器系列
- ...· 华芯微国产汽车芯片DC/DC转换器系列
- ...· 华芯微国产汽车芯片运算放大器系列(篇一)
- ...· 华芯微国产汽车芯片MOSFET 驱动器系列(篇一)
- ...· 数据采集终端系统设备
- ...· 简仪科技踏上新征程








