实现更精巧的电源解决方案
作者:Thomas Schaeffner,德州仪器
本文详述电源电路的较新发展状况。文中还将介绍数款器件,说明电路架构与封装技术的进步如何促成体积更小的电源解决方案。
把不同功能集成到同一芯片是PDA、便携式导航系统 (GPS) 和智能型手机等便携式产品的发展趋势。就在几年前,应用产品的每一组电源都需要单独的电源转换器,但随着电池供电型产品的功能日益复杂,电源设计也开始改变,把产品所需的各种电源整合在一起已成为潮流,除了处理器所需的电源外,还有蓝牙模块、无线网络模块和屏幕等其它功能也需要独立的电源。在这类应用中,电源供应方式可分为几种:
- 采用内含其它功能的电源供应芯片,例如 CODEC、ADC、音频放大器和充电器等
- 单个芯片提供全部所需电源
- 功能模块专用的电源转换器
本文将介绍后面两种解决方案。在设计中采用功能模块专用的电源转换器有几项优点:首先是电路板的零件位置更容易安排,因为它们可直接放在处理器或无线网络模块等供电目标的旁边。其次,电路板布局更简单,因为信号不必穿越整张电路板。另外,这些电源与其它电路之间的耦合也会降至较低,这对GPS模块或锁相回路 (PLL) 等敏感性电源特别重要。
这种做法对于以现有解决方案为基础的后续产品开发计划也有好处,因为当工程师要改变产品设计时,他们可将变动范围局限在功能模块层级 – 设计人员只需修改功能升级的部份,其它电路则保持不变;相较之下,若应用只有一个电源芯片,工程师就要花更多精神让设计符合新要求。由于缩短开发时间已成为产品成功的关键,这类电源供应方式显然具有相当优势。
要提供这种解决方案,电源芯片必须达到几项要求。首先必须有一系列器件提供所需的各种电源,且其体积必须尽量缩小,以免占用太多电路板空间。其次,这些芯片应很容易针对不同的需求搭配不同的解决方案。德州仪器 (TI) 的TPS6502x和TPS6505x系列就是例子,这些器件专门为手持装置的应用处理器提供电源。由于不同系列的处理器会有不同的需要,它们也有专属芯片来支持个别型号或个别系列的处理器及应用。
一般而言,使用电池的应用都会要求电源在很大的输出电流范围内维持高效率,因此所有器件的操作都必须针对静态电流较佳化。所谓静态电流是芯片在不提供任何输出电流的情形下,继续维持输出电压所需的电流,这项参数对必须长时间处在待机模式的应用很重要。低静态电流不但延长应用的待机时间,对直流电源转换器在超低输出电流下的工作效率也有很大影响。
降压转换器等直流电源转换器的效率会受到三项因素影响:输出电流很大时,效率主要由内部电源开关的阻抗决定,因此低阻抗对这个操作范围很重要。对于采用固定频率脉宽调制 (PWM) 的降压转换器来说,负载周期是由输入对输出电压的比值决定。输出电压很小时,内部下端开关 (NMOS) 的导通时间会远超过上端开关 (PMOS);如果输出电压很高,就变成上端开关的导通时间比较长。因此若假设所有转换器的输入电压都相同,设计人员就应针对转换器的目标输出电压来选择开关的大小和阻抗;一般来说,便携式应用的锂离子电池的电压范围大约从4.2V到3.0V,未来还可能进一步降低到2.5V。
当输出电流在10-200mA范围时,主要耗电来源就不再是开关阻抗,而是由电源开关的闸极电荷和电感功耗决定其效率。利用开关频率控制输出电流是在此操作范围保持高效率的重要技巧,这种做法称为脉冲频率调制 (PFM)。PFM基本上会提供固定的电能到输出端:输出电流很大时,开关频率就比较高,输出电流低时则降低开关频率,进而减少开关功耗。转换器的输出电流很低时,静态电流造成的固定功耗就如前所述决定整体的效率。
TPS6502x和TPS6505x系列的所有器件都采用低耗电较佳设计,故能在很大的电压和电流范围内提供较高转换效率。表1是TPS502x系列概况,这些器件包含3组降压转换器,分别提供系统电压、内存电压和处理器核心电压;它们还包含两组低压差线性稳压器(LDO),负责提供电源给锁相回路 (PLL) 和SRAM或处理器的其它功能模块。这些器件还有许多功能未列在表中,例如后备电池支持、I2C界面和重置功能。
表 1:TPS6502x系列概况
组件 转换器 1 转换器 2 转换器 3 LDO1 LDO2 QFN 封装 目标处理器 TPS65020 3.3V/1.2A* 1.8V/1A* 1.3V/0.8A* 1.3V 1.1V 6mm x 6mm PXA270 TPS65021 3.3V/1.2A* 1.8V/1A* 1.3V/0.9A* 可调 可调 6mm x 6mm PXA270, DM320 TPS65022 3.3V/1.2A* 1.8V/1A 1.3V/0.9A 可调 可调 6mm x 6mm PXA270 TPS65023 1.2V/1.5A* 1.8V/1.2A 3.3V/1A 可调 可调 5mm x 5mm DaVinci™ 处理器*转换器1-3的输出电压可通过外接电阻分压器调整,LDO电压则由两支数字输入接脚设定。另外,所有转换器和两组LDO的输出电压也能通过I2C界面设定。
若应用处理器需要更多电源,也可选择TPS6505x系列。上述器件包括两个降压转换器和4个具有较高的电源抑制比 (PSRR)的LDO。LDO可以提供电源给需要低噪声的模块,例如PLL、GPS模块或无线网络模块。TPS6505x系列的封装很小,而且只需很少的外部组件,故能设计出较小的电源供应解决方案。TPS6505x系列采用小巧的4 x 4毫米QFN封装,引脚间距只有0.4毫米,引脚总数则多达32支。这么多的引脚和QFN封装底部的散热垫,让TPS6505x系列成为散热效能优异的高集成解决方案。

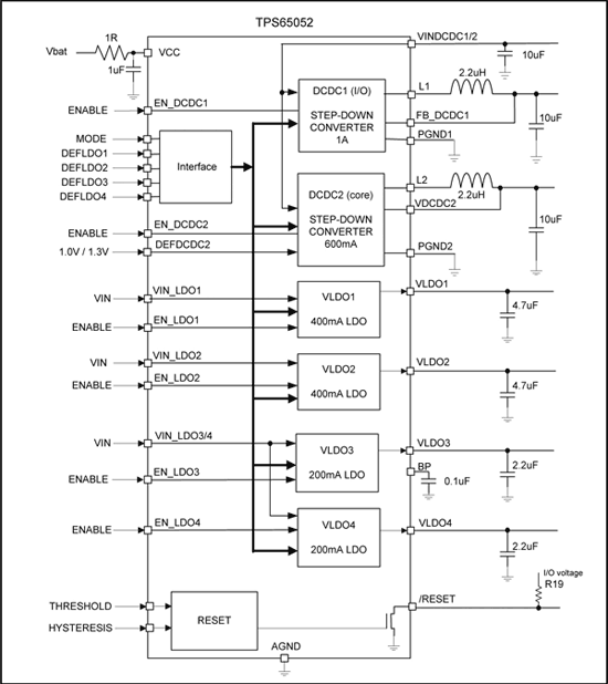
图1:TPS65052的结构图
图1是TPS65052的结构图。这款器件专门支持三星电子 (Samsung) 的应用处理器,它们在低耗电模式需要1.0V核心电压,正常操作模式则需要1.3V电压。为了将外部零件减到较少,这款器件的降压转换器1会提供3.3V固定输出电压给I/O使用,转换器2则负责提供核心电压,且输出电压可设为1.0V或1.3V,具体设置视DEFDCDC2数字输入引脚的状态而定,因此不需外部零件来设定降压转换器的电压。LDO也是如此,这款器件会根据内部表格解读DEFLDO1到DEFLDO4等4只数字输入引脚的状态,再按照解读结果设定LDO输出电压。在这4组LDO中,有3组拥有独立的输入电压引脚,可接受1.5-6.5V之间的任何输入电压。这些LDO还能接受不同的电源,其中1组可由电池提供,其它则可来自降压转换器1或系统内的任何可用电源。工程师应为LDO选择较低输入电压,这能将设计较佳化以实现高效率。此系列的其它器件还能通过外部电阻分压器设定输出电压,确保应用设计更有灵活性。表2是TPS6505x系列选项。
表 2:TPS6505x系列选项
组件 转换器 1 转换器 2 LDOs QFN 封装 目标处理器 TPS65050 可调电压/ 0.6A 可调电压/ 0.6A 通过DEFLDO引脚调整 4mm x 4mm 通用型和S3C2410/2/3 TPS65051 可调电压/ 1.0A 可调电压/ 0.6A 通过电阻分压器调整 4mm x 4mm 通用型和OMAP850 TPS65052 3.3V / 1.0A 1.0V或1.3V / 0.6A 通过DEFLDO引脚调整 4mm x 4mm S3C2410/2/3 TPS65054 可调电压/ 0.6A 1.05V / 1.3V / 0.6A 通过电阻分压器调整 4mm x 4mm OMAP1710 TPS65056 3.3V / 1.0A 1.0V或1.3V / 0.6A 通过电阻分压器调整 4mm x 4mm S3C2410/2/3除了降压转换器和LDO外,TPS6505x系列还包含1个具有100ms延迟时间的比较器,当它发现输入电压达到1V临界值时,就会在漏极开路输出引脚产生重置信号;另外,它还能通过引脚设定比较器动作的滞后时间。设计人员只要将比较器输出连接到任何一个转换器或LDO的启动引脚,就能在电压超过临界值时启动该LDO或转换器。TPS6505x使设计人员只需一个很小的芯片,就能产生6组不同的电源和处理器重置信号。
相关阅读:
- ...2015/09/09 16:42·安森美半导体新一代同步整流驱动控制器NCP4305 显著实现更高能效
- ...2011/06/09 14:01·硅芯片助力汽车制动系统实现更高安全性
- ...2010/08/23 15:56·使用LabVIEW 2010实现更高效的测量
- ...2010/08/17 15:21·SMPS提供了实现更高效率的方法
- ...2009/04/17 16:14·硅芯片助力汽车制动系统实现更高安全性
- ...· Efinix® 全力驱动AI边缘计算,成功推出Trion™ T20 FPGA样品, 同时将产品扩展到二十万逻辑单元的T200 FPGA
- ...· 英飞凌亮相进博会,引领智慧新生活
- ...· 三电产品开发及测试研讨会北汽新能源专场成功举行
- ...· Manz亚智科技跨入半导体领域 为面板级扇出型封装提供化学湿制程、涂布及激光应用等生产设备解决方案
- ...· 中电瑞华BITRODE动力电池测试系统顺利交付北汽新能源
- ...· 中电瑞华FTF系列电池测试系统中标北京新能源汽车股份有限公司
- ...· 中电瑞华大功率高压能源反馈式负载系统成功交付中电熊猫
- ...· 中电瑞华国际在电动汽车及关键部件测评研讨会上演绎先进测评技术
- ...· 华芯微国产汽车芯片门电路系列(篇一)
- ...· 华芯微国产汽车芯片CAN收发器系列(篇一)
- ...· 华芯微国产汽车芯片DC/DC转换器系列
- ...· 华芯微国产汽车芯片DC/DC转换器系列
- ...· 华芯微国产汽车芯片运算放大器系列(篇一)
- ...· 华芯微国产汽车芯片MOSFET 驱动器系列(篇一)
- ...· 数据采集终端系统设备
- ...· 简仪科技踏上新征程








