共射放大器反馈类型判断方法
关键字:应用
判断放大器的反馈类型,通常是采用输出端短路或采用取样法判断是电压反馈还是电流反馈。在输入端、是按照反馈信号与输入信号是以电压形式相加减或以电流形式相加减来判断是串联反馈还是并联反馈的。这种判断方法从理论上讲是容易的,但在实际应用中,要判断电路的反馈类型,对初学者来说却是困难的。为解决这一问题,笔者针对放大器中应用较为广泛的共射放大器,总结出判断反馈类型的简易公式。
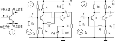
这里笔者判断共射放大器反馈的类型,仅针对反馈取样的一级和取样信号叠加的一级放大器均为共发射极放大器才适用,对不符合这一条件者均不适用。该公式是:凡从三极管集电极取样输出则为电压反馈,从发射极取样输出则为电流反馈。反馈信号经反馈网络加到三极管基极的为并联反馈,加到三极管发射极的为串联反馈,如图1所示,举例说明如下。
例1:试判断图2所示电路的反馈类型
在该电路中,取样信号是从T2的集电极输出,所以为电压反馈,取样信号叠加到T1的发射极,所以是串联反馈,因此该反馈放大器为电压串联反馈。
例2;试判断图3所示电路的反馈类型
在该电路中,取样信号是从T2的发射极输出,所以为电流反馈,取样信号叠加到T1的基极,所以是并联反馈,因此该反馈放大器为电流并联反馈。

相关阅读:
- ...2011/09/29 16:10·Multisim 10在单管共射放大电路中的应用
- ...· Efinix® 全力驱动AI边缘计算,成功推出Trion™ T20 FPGA样品, 同时将产品扩展到二十万逻辑单元的T200 FPGA
- ...· 英飞凌亮相进博会,引领智慧新生活
- ...· 三电产品开发及测试研讨会北汽新能源专场成功举行
- ...· Manz亚智科技跨入半导体领域 为面板级扇出型封装提供化学湿制程、涂布及激光应用等生产设备解决方案
- ...· 中电瑞华BITRODE动力电池测试系统顺利交付北汽新能源
- ...· 中电瑞华FTF系列电池测试系统中标北京新能源汽车股份有限公司
- ...· 中电瑞华大功率高压能源反馈式负载系统成功交付中电熊猫
- ...· 中电瑞华国际在电动汽车及关键部件测评研讨会上演绎先进测评技术
产品快讯更多
企业新闻更多
- ...· 华芯微国产汽车芯片门电路系列(篇一)
- ...· 华芯微国产汽车芯片CAN收发器系列(篇一)
- ...· 华芯微国产汽车芯片DC/DC转换器系列
- ...· 华芯微国产汽车芯片DC/DC转换器系列
- ...· 华芯微国产汽车芯片运算放大器系列(篇一)
- ...· 华芯微国产汽车芯片MOSFET 驱动器系列(篇一)
- ...· 数据采集终端系统设备
- ...· 简仪科技踏上新征程








