新型膜片钳放大器系统的设计实现
引言
膜片钳是细胞膜离子通道电流检测的重要工具。1976年Neher和Sakmann发明了膜片钳技术。1980年以来此项技术已可用于很多细胞系的研究。目前,细胞膜离子通道的研究已经应用到了各种疾病的诊断治疗、药物作用、环境对细胞膜离子通道的影响以及经络研究等多个领域。因此,作为其测量工具的膜片钳技术也就得到了越来越多的重视。已有的产品基本上都是由前部的模拟电路完成电流信号的采集、转换和放大,在计算机上安装数据采集卡实现信号的采集,并在PC机安装专用的软件实现快慢电容和串联电阻补偿的调节以及采集到的电流信号的显示。不过这些产品的膜片钳放大器部分的体积都比较大,价格也比较昂贵,一般在几万到几十万之间,更重要的是,由于模拟采集系统和PC机直接相连,所以PC机带来的干扰非常大。
为了解决上述问题,我们研究了一种新型的膜片钳放大器。本系统分为上位机和下位机两个部分,下位机是一个单片机为控制核心的采集系统,可以单独工作完成微电流信号的采集、放大、电容和电阻的补偿以及波形的显示和数据的存储。另外下位机还可以和上位机进行通讯,通讯是采用红外传输的方式实现的,用串口驱动红外发射器实现上位机和下位机的通讯。上位机主要完成把下位机传输的信号进行处理和分析。
系统结构
为了实现信号的采集、显示以及传输,系统具有以下的几个基本功能:
·离子通道电流的采集和放大
·钳位电压发生器
·电阻电容补偿
·模拟信号到数字信号的转换
·人机界面
·系统和PC机通讯
为实现上述功能要求,系统主要分为微电流的采集和放大、钳位电压发生器、电阻电容补偿电路、ADμC841控制核心、液晶显示模块LCM3202401及按键控制、系统和PC机之间通讯六个主要模块。图1给出了系统的功能框图。

图1 膜片钳放大器系统功能框图
由图1可知,经过电极得到的离子通道电流信号经过微电流采集和放大,同时进行电阻和电容的补偿以后进入单片机的A/D转换部分把模拟信号数字化,采集到的信号同时送到液晶显示器进行显示。另外也可以实现采集信号的存储和传输。按键模块可以友好、方便的实现多种操作功能的控制。
系统硬件设计
控制模块—单片机系统ADmC841
ADmsC841 是ADI公司新近推出一款单片机,它的内部集成了8052微处理器的内核,并提供了很大的存储空间。此外,该芯片还集成了许多的外围部件。其中精确、高速的8通道12位模数转换(其转换速率较高可达420Ksps),可以方便地实现与前级传感器的接口;UART、SPI、I2C通讯接口、时间间隔计数器以及看门狗定时器和电源监视器等,这些模块可以便捷地实现与其他单片机或PC机(此时需电平转换电路)通讯,还可以有效地保障单片机电源的正常工作和程序的正常运行。
钳位电压发生器
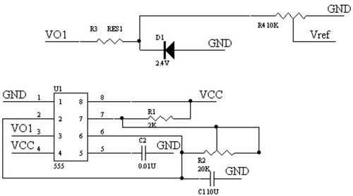
监测细胞膜离子通道电流有电压钳位和电流钳位两种方法,我们采用的是电压钳位的方法,即在I-V 转换器的同相输入端接入一个钳位电压,把细胞膜电位钳制在一个固定的电压值。这个电压的幅值在几十到几百 mV 范围内,脉冲时间10~50ms。图2 给出了钳位电压发生器的电路。电路中采用的是555 构成多谐振荡的方式来实现方波的发生。555 直接产生的方波信号幅值接近电源电压,而所用的钳位电压应该是一个电压幅值在几百个毫伏左右的信号,所以要对555 产生的信号进行幅度的调节。555 产生的方波信号经过电阻R3 和稳压管D1后在D1 两端输出稳定的2.4V 电压,再在这个电压两端并上电位器R4,从它的滑动端取出电压作为钳位电压。这样可以对钳位电压进行灵活的调节,得到需要的幅度。产生的方波的周期可通过调节电位器R2 在14ms~154ms 之间变化。

图2 钳位电压发生电路
微电流采集放大与阻容补偿
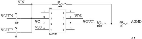
膜片钳放大器的较主要部分就是电流的采集、I-V变换和放大以及各种补偿电路。由于测量的是电流信号,所以要首先把电流转换为电压。由于细胞膜离子通道电流非常微弱,仅为几个 pA ,所以对电流电压转换部分所用放大器的性能要求比较高,要求它具有很高的输入阻抗和很低的偏置电流。为满足上面的要求,笔者选用ADI公司的高精度、低功耗、轨-轨放大器AD8627。它具有极低的偏置电流,较大只有1pA;用5~26V的单电源供电或±2.5到±13V均可;较大的失调电压为 500mV。图3中给出了具体电路。

图3 电流电压转换电路
当使用膜片钳放大器对细胞膜离子通道电流进行记录时,由于电极输入端存在杂散的电极电容Cp、细胞膜电容 Cm和电极输入端至细胞膜之间的串联电阻Rs;若钳制电压Vc端施加阶跃电压时,必将引起Cp、Cm的暂态充电电流和Rs上的压降,其充电电流通过电阻 Rf,导致输出电压产生动态误差,同时可能使放大器饱和,以致不能正常工作,为校正这些误差必须采用相应的补偿措施。图4示出阻容补偿电路的电路图。本电路中的放大器均采用的是ADI公司的OP4177 ,OP4177内部集成了四个运放,采用5V供电,可以和电路的其他部分统一供电,它的失调电压为 60mV、偏置电流为2nA,噪声很低,能够很好的满足设计的要求。

图4 阻容补偿电路
其中电极电位Vp是串联电阻补偿信号V1与修正后的控制电压10 Vc之和经过两个电阻组成的十分之一衰减电路实现。A6输出的电压经一个电位器后进入跟随器,然后通过一个1pF的电容实现快电容补偿。其中电位器可以实现补偿调节,使电路灵活方便。慢电容补偿信号是由Vc经过由A3,A4和A5所组成的状态变量环而获得。预测注入电流在Rs上所产生的误差电压V2也是由状态变量环得到,并与控制电压Vc通过 A2相加。由于正反馈的作用,由A2经过状态变量环,产生与Vc相对应的过冲电压Vc,从而产生超量充电作用。同时,慢电容的补偿电路还实现串联电阻误差的预测,从电流监测输出端输出的电压经A1后又经过预测电路的同步调节实现了串联电阻的补偿。快电容和慢电容补偿电路均示于图4中,分别通过各自的电流注入电容器与电极入端相连。
液晶显示模块
本系统选择北京青云公司的图形液晶LCM3202401,它具有320240的点阵,采用SED1335作为控制器,可以实现图形和文本两种显示方式。液晶模块直接通过ADmC841进行控制。
按键模块及菜单界面
在系统中,提供三个按键,对应于液晶显示屏上的相关菜单。每一级菜单提供给使用者简单的提示,方便使用,因而只需要在菜单的提示下按一键(有A、B、C三个键)便可完成所需要的操作。
本系统采用的是独立式按键,直接用I/O口线构成单个按键电路。每个按键单独占有一根I/O口线,且其工作状态不会影响其他I/O口线的工作状态。控制口线分别用p1.2、p1.3和p1.4进行控制,按键输入为高电平有效。由于在使用过程当中,每个按键和液晶菜单相联系,系统目前的设计是一个按键对应一个功能。
系统软件设计
本系统软件主要是完成单片机对模拟信号的采集、存储,原有数据的回放,系统和PC机的通讯并且控制液晶和按键实现人机交互,方便操作。系统软件设计采用模块化结构,主要分为测量模块、打印模块和无线传输模块。系统采用中文菜单友好用户界面,便于操作。开机后首先对系统进行初始化,然后显示主菜单,显示完主菜单延时5秒后显示各功能菜单。功能菜单有原有数据的回放、实时采样显示和红外线传输三个部分。
结语
本设计的电路适用于微电流信号的采集,一定程度上克服了现有膜片嵌系统体积大、价格昂贵的缺点,并且通过使用无线通讯的方式消弱了由于测量和PC机直接连接带来的干扰。
参考文献:
1. 康华光,膜片钳技术及应用,科学出版社,2003
2. 陈军。 膜片钳实验技术。 科学出版社,2001
3. 任继红,韦顺会,瞿安连。PC-Ⅲ型膜片钳放大器自动电容补偿的实现。 华中理工大学学报,1998:26(5):27-29
4. 冈田泰伸,小原正裕,膜片钳技术的原理和操作.日本生理学杂志,1995:56:133-145
5. F.J.Sigworth, Design of the EPC-9, a computer controlled patch-clampamplifier.1. Hardware, Journal of Neuroscience Methods, 56(1995),195-202
相关阅读:
- ...· Efinix® 全力驱动AI边缘计算,成功推出Trion™ T20 FPGA样品, 同时将产品扩展到二十万逻辑单元的T200 FPGA
- ...· 英飞凌亮相进博会,引领智慧新生活
- ...· 三电产品开发及测试研讨会北汽新能源专场成功举行
- ...· Manz亚智科技跨入半导体领域 为面板级扇出型封装提供化学湿制程、涂布及激光应用等生产设备解决方案
- ...· 中电瑞华BITRODE动力电池测试系统顺利交付北汽新能源
- ...· 中电瑞华FTF系列电池测试系统中标北京新能源汽车股份有限公司
- ...· 中电瑞华大功率高压能源反馈式负载系统成功交付中电熊猫
- ...· 中电瑞华国际在电动汽车及关键部件测评研讨会上演绎先进测评技术
- ...· 华芯微国产汽车芯片门电路系列(篇一)
- ...· 华芯微国产汽车芯片CAN收发器系列(篇一)
- ...· 华芯微国产汽车芯片DC/DC转换器系列
- ...· 华芯微国产汽车芯片DC/DC转换器系列
- ...· 华芯微国产汽车芯片运算放大器系列(篇一)
- ...· 华芯微国产汽车芯片MOSFET 驱动器系列(篇一)
- ...· 数据采集终端系统设备
- ...· 简仪科技踏上新征程








