单片机系统中RAM数据掉电保护的处理方法
在测量、控制等领域的应用中,常要求单片机内部和外部RAM中的数据在电源掉电时不丢失,重新加电时,RAM中的数据能够保存完好,这就要求对单片机系统加接掉电保护电路。掉电保护通常可采用以下三种方法:一是加接不间断电源,让整个系统在掉电时继续工作,二是采用备份电源,掉电后保护系统中全部或部分数据存储单元的内容;三是采用EEPROM来保存数据。由于第一种方法体积大、成本高,对单片机系统来说,不宜采用。第二种方法是根据实际需要,掉电时保存一些必要的数据,使系统在电源恢复后,能够继续执行程序,因而经济实用,故大量采用[1]。EEPROM既具有ROM掉电不丢失数据的特点,又有RAM随机读写的特点。但由于其读写速度与读写次数的限制,使得EEPROM不能完全代替RAM。下面将介绍较常用的一些掉电保护的处理方法,希望能对相关设计人员在实际工作中有所帮助。
1 简单的RAM数据掉电保护电路
在具有掉电保护功能的单片机系统中,一般采用CMOS单片机和CMOS RAM。CMOS型RAM存储器静态电源小,在正常工作状态下一般由电源向片外 RAM供电,而在断电状态下由小型蓄电池向片外RAM供电,以保存有用数据,采用这种方法保存数据,时间一般在3-5个月[2]。然而,系统在上电及断电过程中,总线状态的不确定性往往导致RAM内某些数据的变化,即数据受到冲失。因此对于断电保护数据用的RAM存储器,除了配置供电切换电路外,还要采取数据防冲失措施,当电源突然断电时,电压下降有个过程,CPU在此过程中会失控,可能会误发出写信而冲失RAM中的数据,仅有电池是不能有效完成数据保护的,还需要对片选信号加以控制,保证整个切换过程中CS引脚的信号一直保持接近VCC。通常,采用在RAM的CS和VCC引脚之间接一个电阻来实现 COMS RAM的电源切换,然而,如果在掉电时,译码器的输出出现低电平,就可能出现问题,图1给出一种简单的电路设计,它能够避免上述问题的产生。
图1中,4060开关电路起到对CS控制的作用。当电压小于等于4.5V时就使开关断开,CS线上拉至“1”,这样,RAM中的数据就不会冲失;当电压大于4.5V时,4060开关接通,使RAM能正常进行读写。

2 可靠的RAM掉电保护电路
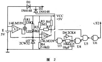
上述的电路虽然简单,但有时可能起不到RAM掉电保护的作用,原因是在电源掉电和重新加电的过程中,电源电压跃变的干扰可能使RAM瞬间处于读写状态,使原来RAM中的数据遭到破坏,因此,在掉电刚刚开始以及重新加电直到电源电压保持稳定下来之前,RAM应处于数据保持状态,6264 RAM、 5101 RAM等RAM芯片上都有一个CE2引脚,在一般情况下需将此引脚拉高,当把该引脚拉至小于或等于0.2V时,RAM就进入数据保持状态。
实用的静态RAM掉电保护电路如图2所示,图2中U1、U2为电压比较器,稳压管D3提供一个基准电压Vr(Vr= 3.5V)。当Vcc为5V时,在R4上得到的分压大于Vr,U2输出高电平,又因为U4输出也为高电平,故CE2输出为高电位,单片机此时可对RAM进行存取,当电源掉电时,Vcc开始下降,当满足如下条件时:
R4×Vcc/[(R4+R3)/(R5+R6)]≥Vr


U2 输出低电平,通过U5和U6使CE2输出小于等于0.2V,RAM进入数据保持状态(按图2中元件参数代入上式,当Vcc降到4.7V时,U2输出为低电位)。若Vcc继续下降使U3翻转,再通过D4、U4和U6进一步保证CE2为低电平。此外,当Vcc下降到小于E时,D2截止,D1导通,这时E作为 RAM的备份电源,当单片机重新加电时,Vcc由0跃变到5V时,U2的输出端会出现瞬间的干扰脉冲,由于U3和U4间电路的积分延迟(约0.7RC), CE2并不立即升到高电平,因而阻止了U2的干扰脉冲,当延时结束时,电源电压已稳定在5V,此后CE2升高,单片机便可对RAM进行存取。图2中U3和 U6为一块四施秘特与非门(CD4093),该电路直接由E供电,这样才能保证掉电后使CE2≤0.2V,并在重新加电时CE2不受电源电压跃变的干扰,比较器U1和U2为电源供电,Vcc为后备电源U1的电压监视电路,当后备电池快用完时(小于3.5V),发光管会发出亮光,表明要换上新电池,备份电源可用3节5号干电池,也可以采用锂电池或镍电池。
在测量、控制等领域的应用中,常要求单片机内部和外部RAM中的数据在电源掉电时不丢失,重新加电时,RAM中的数据能够保存完好,这就要求对单片机系统加接掉电保护电路。掉电保护通常可采用以下三种方法:一是加接不间断电源,让整个系统在掉电时继续工作,二是采用备份电源,掉电后保护系统中全部或部分数据存储单元的内容;三是采用EEPROM来保存数据。由于第一种方法体积大、成本高,对单片机系统来说,不宜采用。第二种方法是根据实际需要,掉电时保存一些必要的数据,使系统在电源恢复后,能够继续执行程序,因而经济实用,故大量采用[1]。EEPROM既具有ROM掉电不丢失数据的特点,又有RAM随机读写的特点。但由于其读写速度与读写次数的限制,使得EEPROM不能完全代替RAM。下面将介绍较常用的一些掉电保护的处理方法,希望能对相关设计人员在实际工作中有所帮助。
1 简单的RAM数据掉电保护电路
在具有掉电保护功能的单片机系统中,一般采用CMOS单片机和CMOS RAM。CMOS型RAM存储器静态电源小,在正常工作状态下一般由电源向片外 RAM供电,而在断电状态下由小型蓄电池向片外RAM供电,以保存有用数据,采用这种方法保存数据,时间一般在3-5个月[2]。然而,系统在上电及断电过程中,总线状态的不确定性往往导致RAM内某些数据的变化,即数据受到冲失。因此对于断电保护数据用的RAM存储器,除了配置供电切换电路外,还要采取数据防冲失措施,当电源突然断电时,电压下降有个过程,CPU在此过程中会失控,可能会误发出写信而冲失RAM中的数据,仅有电池是不能有效完成数据保护的,还需要对片选信号加以控制,保证整个切换过程中CS引脚的信号一直保持接近VCC。通常,采用在RAM的CS和VCC引脚之间接一个电阻来实现 COMS RAM的电源切换,然而,如果在掉电时,译码器的输出出现低电平,就可能出现问题,图1给出一种简单的电路设计,它能够避免上述问题的产生。
图1中,4060开关电路起到对CS控制的作用。当电压小于等于4.5V时就使开关断开,CS线上拉至“1”,这样,RAM中的数据就不会冲失;当电压大于4.5V时,4060开关接通,使RAM能正常进行读写。

2 可靠的RAM掉电保护电路
上述的电路虽然简单,但有时可能起不到RAM掉电保护的作用,原因是在电源掉电和重新加电的过程中,电源电压跃变的干扰可能使RAM瞬间处于读写状态,使原来RAM中的数据遭到破坏,因此,在掉电刚刚开始以及重新加电直到电源电压保持稳定下来之前,RAM应处于数据保持状态,6264 RAM、 5101 RAM等RAM芯片上都有一个CE2引脚,在一般情况下需将此引脚拉高,当把该引脚拉至小于或等于0.2V时,RAM就进入数据保持状态。
实用的静态RAM掉电保护电路如图2所示,图2中U1、U2为电压比较器,稳压管D3提供一个基准电压Vr(Vr= 3.5V)。当Vcc为5V时,在R4上得到的分压大于Vr,U2输出高电平,又因为U4输出也为高电平,故CE2输出为高电位,单片机此时可对RAM进行存取,当电源掉电时,Vcc开始下降,当满足如下条件时:
R4×Vcc/[(R4+R3)/(R5+R6)]≥Vr


U2 输出低电平,通过U5和U6使CE2输出小于等于0.2V,RAM进入数据保持状态(按图2中元件参数代入上式,当Vcc降到4.7V时,U2输出为低电位)。若Vcc继续下降使U3翻转,再通过D4、U4和U6进一步保证CE2为低电平。此外,当Vcc下降到小于E时,D2截止,D1导通,这时E作为 RAM的备份电源,当单片机重新加电时,Vcc由0跃变到5V时,U2的输出端会出现瞬间的干扰脉冲,由于U3和U4间电路的积分延迟(约0.7RC), CE2并不立即升到高电平,因而阻止了U2的干扰脉冲,当延时结束时,电源电压已稳定在5V,此后CE2升高,单片机便可对RAM进行存取。图2中U3和 U6为一块四施秘特与非门(CD4093),该电路直接由E供电,这样才能保证掉电后使CE2≤0.2V,并在重新加电时CE2不受电源电压跃变的干扰,比较器U1和U2为电源供电,Vcc为后备电源U1的电压监视电路,当后备电池快用完时(小于3.5V),发光管会发出亮光,表明要换上新电池,备份电源可用3节5号干电池,也可以采用锂电池或镍电池。
3 利用TL7705对现场数据进行保护
单片机构成的应用系统在突然断电时,往往使片内RAM数据遭到破坏,下面介绍一种利用TL7705构成的电源监控电路,使单片机系统在掉电时自动保护现场数据。
3.1 TL7705的工作原理
TL7705 是电源
相关阅读:
- ...2012/04/23 12:15·基于AVR单片机的中频电源测试系统
- ...2012/01/10 11:12·利用单片机实现远程数据传送
- ...2011/11/29 09:33·基于单片机AT89C51SND1C的MP3方案设计
- ...2011/11/28 14:39·基于单片机简单实现图形显示的方法
- ...2011/11/14 10:49·单片机实现声音导引系统方案
- ...2011/11/14 10:31·利用单片机控制的数字气压计开发与实现
- ...· Efinix® 全力驱动AI边缘计算,成功推出Trion™ T20 FPGA样品, 同时将产品扩展到二十万逻辑单元的T200 FPGA
- ...· 英飞凌亮相进博会,引领智慧新生活
- ...· 三电产品开发及测试研讨会北汽新能源专场成功举行
- ...· Manz亚智科技跨入半导体领域 为面板级扇出型封装提供化学湿制程、涂布及激光应用等生产设备解决方案
- ...· 中电瑞华BITRODE动力电池测试系统顺利交付北汽新能源
- ...· 中电瑞华FTF系列电池测试系统中标北京新能源汽车股份有限公司
- ...· 中电瑞华大功率高压能源反馈式负载系统成功交付中电熊猫
- ...· 中电瑞华国际在电动汽车及关键部件测评研讨会上演绎先进测评技术
- ...· 华芯微国产汽车芯片门电路系列(篇一)
- ...· 华芯微国产汽车芯片CAN收发器系列(篇一)
- ...· 华芯微国产汽车芯片DC/DC转换器系列
- ...· 华芯微国产汽车芯片DC/DC转换器系列
- ...· 华芯微国产汽车芯片运算放大器系列(篇一)
- ...· 华芯微国产汽车芯片MOSFET 驱动器系列(篇一)
- ...· 数据采集终端系统设备
- ...· 简仪科技踏上新征程








