30V/3A恒压/恒流直流可调稳压电源
电路特点
(1)数字电压表电压上图电流显示,显示精度0.1 V上图0.01A
(2)过流保护功能,限制电流通过电流表设置。即具有恒流功能。此功能在维修、调整有短路故障的电路时可以防止电流过大而烧毁线路板或稳压电源本身。
(3)具有自动风扇控制电路,电源调整管散热片超过55℃时自动启动散热风扇。
工作原理

主电路:图1由1M31 7、Q1、Q2组成。是1M31 7的典型扩流应用电路。未采用目前流行的大功率稳压集成电路1M338,是因为它的过流保护功能太灵敏,瞬间超过5A即进入保护状态,而小型电动工具(如小电钻、直流电机)的启动电流往往超过5A且不能带感性负载,这一点我已经试验过。电流表取样电阻R6如果采用康铜丝绕制,由于阻值太小,即使事先用电桥精密测好,加上接点(焊点)电阻也会超出误差范围。这里采用0.12Ω水泥电阻,电流产生的压降经RP3调整后送至满度为2V的电压表头,电流满度为20.00A。

控制电路如图2所示。恒流控制电路由电压比较器1M393的一个比较器构成,RP4为电流调整电位器,由IC5产生的精密电压基准(约2.5-2.6V)经RP3分压后送至IC6的反相输入端。由RP4分压后产生的电流取样电压送至IC6的同相输入端。如果实际电流超过设定的恒流值,IC6输出高电平,Q4导通,1M317调整端电位下降→输出电压下降→输出电流下降,直至实际电流等于设定电流值。同时Q3导通,发光二极管VD6显示处于恒流状态。
短路保护功能:1M317本身具有完善的保护功能,但输出短路时并不能保护扩流功率管。
短路时输出电流远大于设定的电流值使Q4完全导通,1M317的输出为较小值(约1.2V)此时实测显示的短路电流值约4-5A。虽然限制了短路电流,但由于扩流功率管的耗散功率较大,时间长还是有危险较好加装输出短路保护保险管(5A)。
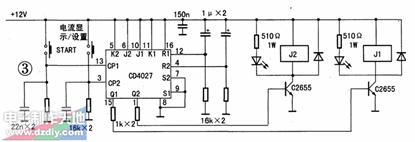
J2为电流设置/显示转换继电器。处于1位置时,电流取样电阻R6的压降经RP3调整后送至电流表,显示当前的实际电流。处于位置2时,电流调整电位器RP4上的电压送至电流表,显示设置的电流值。电流表是一个满度为2V的电压表头。1M393的另一个比较器构成风扇控制电路,这里采用的是滞回比较电路。图中的电路可实现在55℃时风扇自动启动,低于45℃时风扇停止。从而减小了噪声,提高风扇寿命。RH为820欧的负温度系数热敏电阻,应紧固于散热片上。动作温度可通过调整滞回比较器对应电阻选定。
轻触按钮控制电路:考虑到操作的手感舒适,未采用普通按钮/钮子开关,而采用轻触开关+数字控制电路+继电器模式。电路如图3所示。

元件选择
电压表采用满度200V的电压表头,十位数后的小数点点亮。电流表采用满度2V的电压表头,百位数后的小数点点亮(即满度20.00A)。
变压器采用150W以上的工频变压器或环型火牛改制,功率绕组用1.4mm漆包线。
J1采用触点电流大于10A的12V继电器。J2采用JRX型小型继电器。
RP1.RP2由于通过的电流较大,不能用普通碳膜电位器,采用WX13-1 1型线绕电位器,可显着提高使用寿命。RP3采用多圈精密微调电阻。Q1采用Ic≥10A,BVceo≥60V的大功率NPN管,Q2采用一般PNP中功率管即可。
12V风扇用10×10cm的仪表风扇。
电路调整
组装完成。电压、电流表正常显示,且电压可调后,进行如下调试:
将10Ω、5W的负载电阻和数字万用表(在大电流档)接电源输出端,调节电压输出使万用表显示1.00A,调整RP3使本机电流表显示1.00A。
将1 0 Ω、5W的负载电阻接输出端,K2打在2位置,设置恒流电流在某一值(例如0.50A),再将K2打在1位置,缓慢提高输出电压,负载电流升高值设定值时,电压、电流均不再上升,维持在电流设定值。此时恒流功能发挥作用。
短路测试:将输出端短路,电流表显示在4-5A之间,同时VD6点亮,提示过流。
相关阅读:
- ...2011/06/20 13:50·9V~30Vin 至 ±5Vout/350mA No Opto 隔离型反激式控制器
- ...2011/06/09 14:04·13V~30Vin 至 ±5V/500mA 输出 No Opto 隔离型反激式控制器
- ...2011/05/20 10:41·Supercap Charger Plus a 5V at 4A DC/DC Buck Converter from 5.5V to 30V Input
- ...· Efinix® 全力驱动AI边缘计算,成功推出Trion™ T20 FPGA样品, 同时将产品扩展到二十万逻辑单元的T200 FPGA
- ...· 英飞凌亮相进博会,引领智慧新生活
- ...· 三电产品开发及测试研讨会北汽新能源专场成功举行
- ...· Manz亚智科技跨入半导体领域 为面板级扇出型封装提供化学湿制程、涂布及激光应用等生产设备解决方案
- ...· 中电瑞华BITRODE动力电池测试系统顺利交付北汽新能源
- ...· 中电瑞华FTF系列电池测试系统中标北京新能源汽车股份有限公司
- ...· 中电瑞华大功率高压能源反馈式负载系统成功交付中电熊猫
- ...· 中电瑞华国际在电动汽车及关键部件测评研讨会上演绎先进测评技术
- ...· 华芯微国产汽车芯片门电路系列(篇一)
- ...· 华芯微国产汽车芯片CAN收发器系列(篇一)
- ...· 华芯微国产汽车芯片DC/DC转换器系列
- ...· 华芯微国产汽车芯片DC/DC转换器系列
- ...· 华芯微国产汽车芯片运算放大器系列(篇一)
- ...· 华芯微国产汽车芯片MOSFET 驱动器系列(篇一)
- ...· 数据采集终端系统设备
- ...· 简仪科技踏上新征程








