E2ROM存储器读写器的制作和使用
随着总线控制技术的应用,彩电上大多采用串行非易失存储器作为数据的存储这种存储器目前常用的有24C××、93C××两种系列,24C××系列有等型号,93C××系列有93C46/56/66/76/86等型号。对于存储器损坏或数据丢失引发一些奇怪的故障已成为维修中一个棘手的问题。特别是存储器的更换,大家知道,市面上出售的存储器芯片都是空白的,需要使用专门的读写器来写入数据。不过串行存储器的接口电路简单,大家可利用电脑的打印机并行接口制作一个读写器,下面介绍其制作和使用方法。
一、制作方法
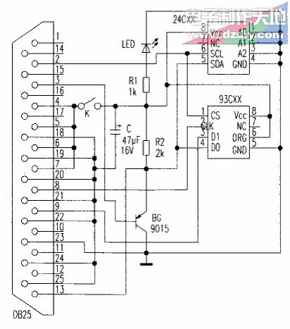
制作材料:在电子市场上购买可拆卸打印头,发光二极管LED,二极管电阻R1:1kΩ、R2:2kΩ,电解电容C:47μF/16V各一只,两个8脚集成电路插座一个微型开关K,热熔胶少许。
制作方法:自制一个可以固定16脚集成电路插座简易电路板,主要目的是便于读出、写入过程中的拆装,两个8脚插座要标明24C和93C,以免搞错,制作方法可参考附图。

二、软件下载
到下载一个831kB软件,解压缩后名为容量为1.63MB的文件夹,里面有、93c.exe、24c中文。exe三个执行程序。
运行其中的24c中文。exe,可得到简体中文版并且能在操作系统内运行的执行程序。点击鼠标右键,把它发送到桌面快捷方式,在桌面上就有两个快捷方式图标点击图标,就可以打开执行程序。
现以W24CXX.EXE程序为例,介绍如何用自制存储器读写器进行芯片的写操作断开读写器的电源开关K,将空白存储器芯片插入24C插座上,再将读写器插到电脑的打印机接口(LPT1)上,启动电脑,然后打开K,这时二极管LED应发光,执行W24CXX.EXE程序,设置好芯片型号,打开要输入的二进制数据文件,就可以执行写操作,结束后断开K,拔出芯片即可完成写操作。
三、数据收集
对于存储器的数据的收集工作,一方面靠平时日积月累,可将平时维修中工作正常的存储器拆下,放到读写器上,读出数据并注明型号加以保存:也可以上网查找,如、http://www.163dz.com等网站都免费提供各种型号的彩电存储器数据下载业务,需要注意的是:下载解压缩后的文件应为扩展名为。BIN的二进制文件。另外一些电子维修市场也有集VCD、显示器、彩电的存储器于一身的数据光盘推出,芯片写操作时可以直接调用。
四、注意事项
该制作电路简单,不过要使该读写器正常工作,电脑上必须装有打印驱动程序驱动程序可以随便装一个,如笔者点添加打印→下一步→选EPSON→→下一步→LPT1打印机端口→点下一步直到要求你插入光盘安装即可。
打印驱动安装成功后,看LPT1有没有中断冲突(右击我的电脑→属性→设备管理器→展开端口→打印机端口LPT1→属性,检查该端口中断请求是否有冲突,如有则更改中断口)。
进行读写时一定要在工具栏(设置)项目里选对插入的芯片型号,否则会产生读写错误。写数据时,如果没有相同型号,可用同系列容量大的芯片代替容量小的芯片即尾数大的存储器可代换尾数小的存储器,反之则不能。如24C04可代换24C01、反过来则不能代换,因为其容量不够。
一般对于美国AT、ST、BR公司生产的24C××系列存储器,在工作时,其⑦脚需接低电平:而韩国KOA、KOR、KS公司生产的24C××系列存储器,其⑦脚则需接高电平。否则会出现不能存台的故障。因此,遇到某些24C××存储器出现只能读不能写的情况时,可改变存储器的⑦脚接法(通过10kΩ电阻接电源正极或直接接地)一试。
两个插座不能同时插上芯片,芯片不能插反。否则会导致读写错误。
中途更换芯片时一定要断开读写器开关。
完成后一定要验空缓冲区再进行校验,以防止读写错误。
计算机外壳要妥善接地,否则用手在装拆芯片接触时,会有触电感。
相关阅读:
- ...· Efinix® 全力驱动AI边缘计算,成功推出Trion™ T20 FPGA样品, 同时将产品扩展到二十万逻辑单元的T200 FPGA
- ...· 英飞凌亮相进博会,引领智慧新生活
- ...· 三电产品开发及测试研讨会北汽新能源专场成功举行
- ...· Manz亚智科技跨入半导体领域 为面板级扇出型封装提供化学湿制程、涂布及激光应用等生产设备解决方案
- ...· 中电瑞华BITRODE动力电池测试系统顺利交付北汽新能源
- ...· 中电瑞华FTF系列电池测试系统中标北京新能源汽车股份有限公司
- ...· 中电瑞华大功率高压能源反馈式负载系统成功交付中电熊猫
- ...· 中电瑞华国际在电动汽车及关键部件测评研讨会上演绎先进测评技术
- ...· 华芯微国产汽车芯片门电路系列(篇一)
- ...· 华芯微国产汽车芯片CAN收发器系列(篇一)
- ...· 华芯微国产汽车芯片DC/DC转换器系列
- ...· 华芯微国产汽车芯片DC/DC转换器系列
- ...· 华芯微国产汽车芯片运算放大器系列(篇一)
- ...· 华芯微国产汽车芯片MOSFET 驱动器系列(篇一)
- ...· 数据采集终端系统设备
- ...· 简仪科技踏上新征程








