应用热敏电阻抑制浪涌电流的电源设计实例
随着电子产品对可靠性要求的不断提高和能源资源的日益紧缩,高可靠性和高效节能的电子产品将是未来电子产品发展的一个方向,因此在产品的电源设计上,必须要充分考虑其可靠性能和电源使用效率。
本文首先分析电子产品为什么会有开机浪涌,然后以典型的电源电路为例分析如何使用热敏电阻抑制浪涌电流,较后介绍热敏电阻在实际应用中应如何选型。
开机浪涌电流产生的原因
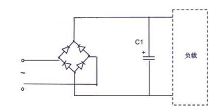
图1是典型的电子产品电源部分简化电路,C1是与负载并联的滤波电容。在开机上电的瞬间,电容电压不能突变,因此会产生一个很大的充电电流。根据一阶电路零状态响应模型所建立的一阶线性非齐次方程可以求出其电流初始值相当于把滤波电容短路而得到的电流值。这个电流就是我们常说的输入浪涌电流,它是在对滤波电容进行初始充电时产生的,其大小取决于启动上电时输入电压的幅值以及由桥式整流器和电解电容其所形成的回路的总电阻。

图1 电源示意图
假设输入电压V1为220Vac,整个电网内阻(含整流桥和滤波电容)Rs=1Ω,若正好在电源输入波形达到90度相位的时候开机,那么开机瞬间浪涌电流的峰值将达到I=220×1.414/1=311(A)。这个浪涌电流虽然时间很短,但如果不加以抑制,会减短输入电容和整流桥的寿命,还可能造成输入电源电压的降低,让使用同一输入电源的其它动力设备瞬间掉电,对临近设备的正常工作产生干扰。
浪涌电流的抑制
浪涌电流的抑制方法有很多,一般中小功率电源中采用电阻限流的办法抑制开机浪涌电流。图2是一个常见的110V/220V双输入电源示意图,以此为例,我们分析一下如何使用NTC热敏电阻进行浪涌电流的抑制。

图2 110/220Vac双输入电源示意图
NTC热敏电阻,即负温度系数热敏电阻,其特性是电阻值随着温度的升高而呈非线性的下降。NTC在应用上一般分为测温热敏电阻和功率型热敏电阻,用于抑制浪涌的NTC热敏电阻指的就是功率型热敏电阻器。
图2中R1~R4为热敏电阻浪涌抑制器通常放置的位置。对于同时兼容110Vac和220Vac输入的双电压输入产品,应该在R1和R2位置同时放两个NTC热敏电阻,这样可使在110Vac输入连接线连接时和220Vac输入连接线断开时的冲击电流大小一致,也可单独在R3或R4处放置一个NTC热敏电阻。对于只有220Vac输入的单电压产品,只需在R3或R1位置放1个NTC热敏电阻即可。
其工作原理如下:
在常温下,NTC热敏电阻具有较高的电阻值(一般选用5Ω或10Ω),即标称零功率电阻值。参考图1的例子,串接10ΩNTC时,开机浪涌电流为:I=220×1.414/(1+10)= 28(A),比未使用NTC热敏电阻时的311A降低了10倍,有效的起到了抑制浪涌电流的作用。
开机后,由于NTC热敏电阻迅速发热、温度升高,其电阻值会在毫秒级的时间内迅速下降到一个很小的级别,一般只有零点几欧到几欧的大小,相对于传统的固定阻值限流电阻而言,这意味着电阻上的功耗因为阻值的下降随之降低了几十到上百倍,因此这种设计非常适合对转换效率和节能有较高要求的产品,如开关电源。
断电后,NTC热敏电阻随着自身的冷却,电阻值会逐渐恢复到标称零功率电阻值,恢复时间需要几十秒到几分钟不等。下一次启动时,又按上述过程循环。
相关阅读:
- ...· Efinix® 全力驱动AI边缘计算,成功推出Trion™ T20 FPGA样品, 同时将产品扩展到二十万逻辑单元的T200 FPGA
- ...· 英飞凌亮相进博会,引领智慧新生活
- ...· 三电产品开发及测试研讨会北汽新能源专场成功举行
- ...· Manz亚智科技跨入半导体领域 为面板级扇出型封装提供化学湿制程、涂布及激光应用等生产设备解决方案
- ...· 中电瑞华BITRODE动力电池测试系统顺利交付北汽新能源
- ...· 中电瑞华FTF系列电池测试系统中标北京新能源汽车股份有限公司
- ...· 中电瑞华大功率高压能源反馈式负载系统成功交付中电熊猫
- ...· 中电瑞华国际在电动汽车及关键部件测评研讨会上演绎先进测评技术
- ...· 华芯微国产汽车芯片门电路系列(篇一)
- ...· 华芯微国产汽车芯片CAN收发器系列(篇一)
- ...· 华芯微国产汽车芯片DC/DC转换器系列
- ...· 华芯微国产汽车芯片DC/DC转换器系列
- ...· 华芯微国产汽车芯片运算放大器系列(篇一)
- ...· 华芯微国产汽车芯片MOSFET 驱动器系列(篇一)
- ...· 数据采集终端系统设备
- ...· 简仪科技踏上新征程








