非隔离式AC/DC降压转换器在智能电表中的应用
诸如智能电表或者功率监控器的离线设备都有一些要求10W以下非隔离DC电源的电子元件。到目前为止,通过一个AC电源提供低功耗DC电源的唯一实用方法仍然是在整流器后面使用一个效率极低、未经调节的电阻/电容分压器,或者一个难以设计的反向DC/DC转换器。MOSFET 技术的一些进展以及创新的磁滞降压控制器栅极驱动电路带来了一种超低成本DC电源。
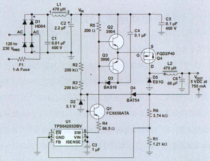
图 1 显示了完整的转换器。整流器电路使用一个标准、快速开关整流器二极管桥接 (D1) 和一个LC滤波器(L1和C2),我们将对其余组件进行更加详细的介绍。

图 1 AC/DC 降压转换器电路
基本降压转换器
TPS64203是一款磁滞降压转换器,专为驱动高端pFET 而设计,拥有较小导通和断开开关时间要求。传统的磁滞转换器有随负载电流变化的开关频率,与其不同的是,较小导通和断开时间在转换器以高输出功耗电平在连续导通模式下运行时,从根本上控制开关频率。TPS6420x 系列中的其他一些转换器可主动避免在声频范围内进行开关操作,从而有效地获得较大导通和断开时间。TPS6420x系列起初是为电池供电型应用而设计,拥有1.8V~6.5V的输入电压范围,以及非常低的静态电流(较大为 35 μA)。在启动期间,TPS64203被齐纳二极管D2以及高压电阻R2和R3偏置。5V电压上升以后,肖特基二极管D4允许5V输出驱动控制器。
功率FET Q4必须具有足够高的VDS电压额定值,以使其不会被输入电压损坏,同时还要有足够高的电流额定值以处理IPMOS(RMS) = IOUT(max) ×√Dmax。它的封装还必须能够驱散PCond = (IOUT(max) × √Dmax)2 × RDS(on)。一般来说,高压P通道FET有一个过大的栅极电容或者导通/断开时间,过高的漏-源电阻 (RDS(on)),过大的阈值电压 (VTH),以和/或制造图1所示实际电路时的过高成本(即足够的成本效益)。由于230VRMS + 10%容差的高压线来自350VPK AC线,因此FET、滤波器和输入电容需要根据400V设定额定值。
FQD2P40相对较新,即400V P通道MOSFET。利用10V栅极驱动的5.0Ω RDS(on) 以及小于13nC的总选通电极充电,借助于由Q2、Q3、C4和D3组成的创新驱动电路,该FET可轻松地通过控制器开关拥有比老式FET相对更少的导电和开关损耗。我们选择转换器的整流肖特基二极管D5,因为它拥有可阻止输入电压的电压额定值、稍高于输出电压的峰值电流额定值,以及IDiode(Avg) =(1 – D) × IOUT(max)的平均电流额定值。利用Dmax 5 V/120 V = 0.04 以及如此低的输出功率,峰值电流额定值和功耗在两种开关中都不成问题。
降压功率级的LC滤波器如TPS6420x系列产品说明书中介绍那样设计。利用高于输出电压的输入电压,所有TPS6420x控制器将运行在较小导通时间模式下。方程式(1)计算高线压下的建议降压转换器电感,其假设电感纹波电流系数的 K=0.4。
![]()
相对较高的K值较小化了电感值,并且经证明是可以接受的,因为这种特殊应用的稳态输出纹波要求小于0.02 × VOUT,即高负载时的100mVPP。磁滞后,TPS6420x控制器一般在输出电压有一些纹波时工作效果较佳,建议使用至少 50mΩ ESR的输出电容可产生ΔVPP(ESR) = ΔIL × RESR的纹波电压,其一般远超出电压纹波的电容分量。图2显示了该应用测得纹波。

图 2 VIN=250 VDC 和 IOUT=500mA 的输出纹波
由于 TPS64203为磁滞型,因此在其运行在脉冲频率模式下时,其输出电压在更低输出功率下将会有更高的纹波。测得转换器的工作频率约为 32 kHz,其与下列预计值一致:

诸如智能电表或者功率监控器的离线设备都有一些要求10W以下非隔离DC电源的电子元件。到目前为止,通过一个AC电源提供低功耗DC电源的唯一实用方法仍然是在整流器后面使用一个效率极低、未经调节的电阻/电容分压器,或者一个难以设计的反向DC/DC转换器。MOSFET 技术的一些进展以及创新的磁滞降压控制器栅极驱动电路带来了一种超低成本DC电源。
图 1 显示了完整的转换器。整流器电路使用一个标准、快速开关整流器二极管桥接 (D1) 和一个LC滤波器(L1和C2),我们将对其余组件进行更加详细的介绍。

图 1 AC/DC 降压转换器电路
基本降压转换器
TPS64203是一款磁滞降压转换器,专为驱动高端pFET 而设计,拥有较小导通和断开开关时间要求。传统的磁滞转换器有随负载电流变化的开关频率,与其不同的是,较小导通和断开时间在转换器以高输出功耗电平在连续导通模式下运行时,从根本上控制开关频率。TPS6420x 系列中的其他一些转换器可主动避免在声频范围内进行开关操作,从而有效地获得较大导通和断开时间。TPS6420x系列起初是为电池供电型应用而设计,拥有1.8V~6.5V的输入电压范围,以及非常低的静态电流(较大为 35 μA)。在启动期间,TPS64203被齐纳二极管D2以及高压电阻R2和R3偏置。5V电压上升以后,肖特基二极管D4允许5V输出驱动控制器。
功率FET Q4必须具有足够高的VDS电压额定值,以使其不会被输入电压损坏,同时还要有足够高的电流额定值以处理IPMOS(RMS) = IOUT(max) ×√Dmax。它的封装还必须能够驱散PCond = (IOUT(max) × √Dmax)2 × RDS(on)。一般来说,高压P通道FET有一个过大的栅极电容或者导通/断开时间,过高的漏-源电阻 (RDS(on)),过大的阈值电压 (VTH),以和/或制造图1所示实际电路时的过高成本(即足够的成本效益)。由于230VRMS + 10%容差的高压线来自350VPK AC线,因此FET、滤波器和输入电容需要根据400V设定额定值。
FQD2P40相对较新,即400V P通道MOSFET。利用10V栅极驱动的5.0Ω RDS(on) 以及小于13nC的总选通电极充电,借助于由Q2、Q3、C4和D3组成的创新驱动电路,该FET可轻松地通过控制器开关拥有比老式FET相对更少的导电和开关损耗。我们选择转换器的整流肖特基二极管D5,因为它拥有可阻止输入电压的电压额定值、稍高于输出电压的峰值电流额定值,以及IDiode(Avg) =(1 – D) × IOUT(max)的平均电流额定值。利用Dmax 5 V/120 V = 0.04 以及如此低的输出功率,峰值电流额定值和功耗在两种开关中都不成问题。
降压功率级的LC滤波器如TPS6420x系列产品说明书中介绍那样设计。利用高于输出电压的输入电压,所有TPS6420x控制器将运行在较小导通时间模式下。方程式(1)计算高线压下的建议降压转换器电感,其假设电感纹波电流系数的 K=0.4。
![]()
相对较高的K值较小化了电感值,并且经证明是可以接受的,因为这种特殊应用的稳态输出纹波要求小于0.02 × VOUT,即高负载时的100mVPP。磁滞后,TPS6420x控制器一般在输出电压有一些纹波时工作效果较佳,建议使用至少 50mΩ ESR的输出电容可产生ΔVPP(ESR) = ΔIL × RESR的纹波电压,其一般远超出电压纹波的电容分量。图2显示了该应用测得纹波。

图 2 VIN=250 VDC 和 IOUT=500mA 的输出纹波
由于 TPS64203为磁滞型,因此在其运行在脉冲频率模式下时,其输出电压在更低输出功率下将会有更高的纹波。测得转换器的工作频率约为 32 kHz,其与下列预计值一致:

驱动电路工作原理
双极型晶体管Q1和电阻R4及R5构成一个恒流驱动的电平位移器,其允许低压 TPS64203控制器操作由Q2和Q3构成的离散式栅极驱动电路。同控制器一样,电平位移器在启动时由齐纳二极管D2驱动,而在启动以后经调节的5V则通过肖特基二极管D4驱动。功率FET Q4的栅极必须刚好过驱动,以为要求输出电流提供可接受的RDS(on)。驱动过多会增加开关损耗,而驱动过少又会增加传导损耗。检查一些实验和误差后,我们选择了 VGS ≈12 V。
电容C4和二极管D3对驱动电路的功能至关重要。通过选择电阻R5来将12V栅极驱动电平设置在整流器输出电压以下。二极管D3将电容C4限定在这一电平。特别是,当U1的开关引脚输出一个低信号来开启功率FET时,信号被电平位移到Q3的基极。晶体管Q3开启,并快速地将Q4的栅—源电容CGS
相关阅读:
- ...2011/11/30 16:25·电源设计小贴士 40:非隔离式电源的共模电流
- ...2011/11/29 09:36·用于智能电表的非隔离式AC/DC降压转换器
- ...2011/10/20 14:22·一种全桥式非隔离光伏并网逆变器
- ...2011/09/21 16:27·非隔离型降压式电源设计方法
- ...· Efinix® 全力驱动AI边缘计算,成功推出Trion™ T20 FPGA样品, 同时将产品扩展到二十万逻辑单元的T200 FPGA
- ...· 英飞凌亮相进博会,引领智慧新生活
- ...· 三电产品开发及测试研讨会北汽新能源专场成功举行
- ...· Manz亚智科技跨入半导体领域 为面板级扇出型封装提供化学湿制程、涂布及激光应用等生产设备解决方案
- ...· 中电瑞华BITRODE动力电池测试系统顺利交付北汽新能源
- ...· 中电瑞华FTF系列电池测试系统中标北京新能源汽车股份有限公司
- ...· 中电瑞华大功率高压能源反馈式负载系统成功交付中电熊猫
- ...· 中电瑞华国际在电动汽车及关键部件测评研讨会上演绎先进测评技术
- ...· 华芯微国产汽车芯片门电路系列(篇一)
- ...· 华芯微国产汽车芯片CAN收发器系列(篇一)
- ...· 华芯微国产汽车芯片DC/DC转换器系列
- ...· 华芯微国产汽车芯片DC/DC转换器系列
- ...· 华芯微国产汽车芯片运算放大器系列(篇一)
- ...· 华芯微国产汽车芯片MOSFET 驱动器系列(篇一)
- ...· 数据采集终端系统设备
- ...· 简仪科技踏上新征程








