用运算放大器LM358制作超低频信号发生器
一、工作原理
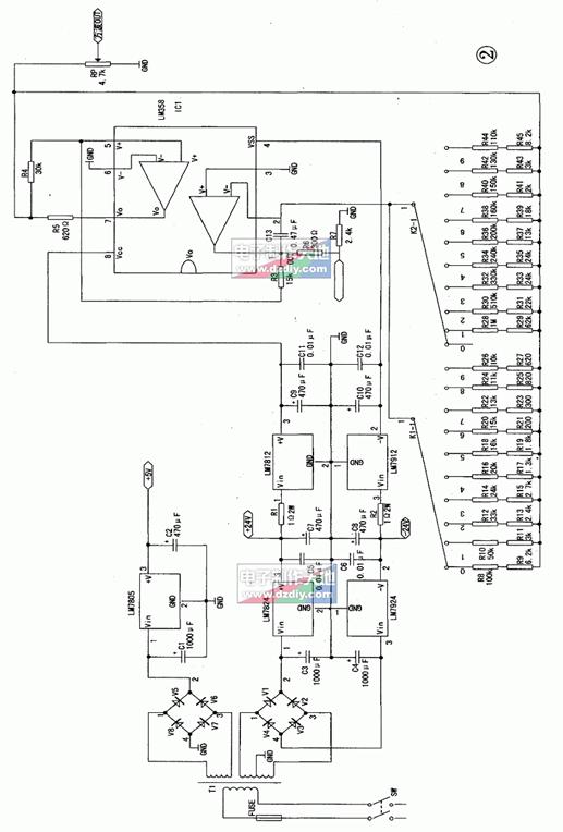
整机电路分为三大模块:(见图1)
1.电源
本信号发生器电源电路的原理图如图2所示。它使用220V交流市电,用双28V、5V降压变压器降压。经桥式整流、电容滤波后。分别用LM7812、LM7912、LM7805得到±12V及5V直流电压前者供给信号发生电路供电;后者供给数字频率显示部分电路。

2.波形发生电路
波形发生的电路如图2所示。其核心是由A1构成的积分器和由A2构成的回差电压比较器。电路的工作构成描述如下。
稳定时,A2的输出电压只能是高电平电压+U02或者低电平-U02。设其初始状态为+U02,且U01为0。此时,电压+U02对积分器A1按斜率U02/(RC13)负向积分使U01下降。当下降到一Uth1=-(R3/R4)U02时,由于电压比较器A2同相端电压为负,即U+<0,则其输出翻转至低电平-U02。此时积分器A1在输入电压-U02的作用下,输出电压U01按恒定斜率正向积分,当积分器输出电压U01上升到上限比较电平Uth1时,电压比较器A2输出电压为高电平+U02,回到负向积分的工作状态。这样就形成了一个振荡器周期。其振荡频率为这个周期的倒数,即f=R4/4R3RC13。积分器A1输出幅度为Uth1的三角波;比较器A2输出的时幅度为U02的方波。
这两个信号的周期相同,都是有正、负向充电斜率控制。调整充、放电斜率可以改变输出频率。

3.显示电路(略)
相关阅读:
- ...2011/05/16 16:28·使用运算放大器来驱动高精度 ADC
- ...2010/01/22 12:54·使用运算放大器来驱动高精度 ADC
- ...· Efinix® 全力驱动AI边缘计算,成功推出Trion™ T20 FPGA样品, 同时将产品扩展到二十万逻辑单元的T200 FPGA
- ...· 英飞凌亮相进博会,引领智慧新生活
- ...· 三电产品开发及测试研讨会北汽新能源专场成功举行
- ...· Manz亚智科技跨入半导体领域 为面板级扇出型封装提供化学湿制程、涂布及激光应用等生产设备解决方案
- ...· 中电瑞华BITRODE动力电池测试系统顺利交付北汽新能源
- ...· 中电瑞华FTF系列电池测试系统中标北京新能源汽车股份有限公司
- ...· 中电瑞华大功率高压能源反馈式负载系统成功交付中电熊猫
- ...· 中电瑞华国际在电动汽车及关键部件测评研讨会上演绎先进测评技术
产品快讯更多
企业新闻更多
- ...· 华芯微国产汽车芯片门电路系列(篇一)
- ...· 华芯微国产汽车芯片CAN收发器系列(篇一)
- ...· 华芯微国产汽车芯片DC/DC转换器系列
- ...· 华芯微国产汽车芯片DC/DC转换器系列
- ...· 华芯微国产汽车芯片运算放大器系列(篇一)
- ...· 华芯微国产汽车芯片MOSFET 驱动器系列(篇一)
- ...· 数据采集终端系统设备
- ...· 简仪科技踏上新征程








