分析便携式投影仪6A RGB LED驱动器参考设计方案
概述
所谓便携式投影仪又称口袋式投影仪、TRT-3M便携式投影机,主要通过3M LCOS RGB三色投影光机和 720P片解码技术,把传统庞大的投影机精巧化、便携化、微小化、娱乐化、实用化,使投影技术更加贴近生活和娱乐。
本参考设计针对便携式投影仪的6A降压型LED驱动器,参考设计基于PWM HB LED驱动器MAX16821,该电路可驱动一个LED;驱动RGB三色LED时需要使用三片MAX16821.
LED驱动器规格
输入电压范围(VIN):10V至15V
输出电压(VLED):4.5V至6V
输出电流(ILED):1.5A至6A,可模拟控制
模拟控制电压:1.1V至2.8V,对应1.5A至6A
较大LED导通占空比:50%
较大LED电流上升/下降时间:< 1μs
较大LED电流纹波:6A时,< 15%
输入
VIN (J1和J2接VIN+,J3和J4接GND):10V至15V输入电源。
通/断控制(J8):浮空或连接到+5V,使能驱动器;J8短路时禁电路板工作。
PWM输入(J7):PWM调光输入,连接一个幅度为3V至5V的PWM信号。为了保证PWM输入能够驱动Q1和Q7,信号源在驱动300pF负载时,上升/下降时间应小于500ns.由于输出信号的上升/下降时间控制在1μs以内,任何周期为1μs的3至4倍的PWM信号都可以使用。
LED电流控制(J6):LED电流调节输入。加载1.1V至2.8V电压,可以在1.5A至5A范围调整LED电流。
输出
LED+ (J9、J10):接LED阳极。
LED- (J11、J12):接LED阴极。
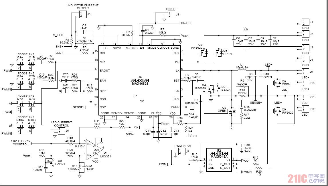
电感电流输出(J5):提供一个与LED电流成比例的信号。OUTV电压为R9电压的135倍。图1. MAX16821 LED驱动器电路板

图1. MAX16821 LED驱动器电路板

PWM调光
在PWM处于关闭状态时,LED输出端的MOSFET Q9导通,LED短路。LED电流降至零,具体取决于Q1的导通时间(本设计中远远小于1?s)。PWM处于关闭期间始终保持电感电流。PWM开始导通时,Q1关闭,电感电流对输出电容充电。输出电压一旦达到LED的起始导通电压,LED电流开始上升。LED电流从0A上升到满幅值的时间取决于几个因素:电感电流、输出电容以及LED的正向导通电压的变化。本参考设计仅在LED电流设定为6A时满足< 1?s LED开启时间的要求。如需在降低的电流时得到快速的LED开启时间,可增大电感值并减小输出电容。
反馈补偿
电阻R2和R23限制高频电流环路的增益,补偿次级谐波振荡。在电流环路传输函数中远远低于单位增益频率的位置设置一个零点,既可以保证在低频区有足够的增益,又可以保证电感电流的误差非常小。利用C1、C19构建该零点。在PWM关闭、导通时,Q1和Q2交替连接到RC网络,实现补偿。本设计可保持C1、C19的电量,使PWM响应更加迅速。
由于直接测量电感电流,驱动电路的传输函数中没有输出极点。外部电压环路简化成一个单极点系统,而电压误差放大器在设定频率范围内确定这唯一极点。为了避免两个反馈环路相互干扰,C21和C22将外部环路的单位增益频率降至电流环路单位增益频率的十分之一。Q7和Q10保持补偿电容的电荷,保证在PWM脉冲变化时,电压误差放大器的输出能即刻切换至所要求的数值。电阻R24、R25可避免Q7和Q10状态变化产生的电荷注入而导致的C21、C22充/放电。
LED电流上升/下降时间
本设计要求在PWM工作产生6A LED电流时,LED电流的上升/下降时间保持在1?s以内。这就要求使用较小的输出滤波电容和较大电感,在满足LED电流较大纹波的要求的前提下满足上述条件。PWM处于关闭状态时,Q9导通,建立可编程的电感电流回路。如果LED电流设置为6A,电感电流将由MAX16821调整在6A.输出再次导通时,电感电流对输出电容C8充电。C8的充电速率决定了LED电流的上升时间,基于这一点计算C8的取值。因为Q9的放电速度远快于C8,所以LED电流的下降时间远远小于1?s.
电路波形

图3. 参考设计测试数据:LED电压(CH1)、LED电流(CH2)和OUTV电压(CH3)

图4. 参考设计测试数据:LED电压(CH1)、LED电流(CH2)和CLP电压(CH3)

图5. LED电压(CH1)和LED电流(CH2)上升时间的测试数据

图6. LED电压(CH1)和LED电流(CH2)下降时间的测试数据
测试参数
温度测量
VIN:10V
IOUT:6A
TA:25°C
电路板温度:+50°C
Q3、Q4和Q9温度:+52°C
U1表面温度:+47.5°C
L1磁芯温度:+75°C (电流为5.8A时,L1温度高出环境温度40°C)
上电顺序
在VIN+和GND之间连接0至20V、5A电源(PS1)。
在J6 (V_CONTROL)连接0至5V电源(PS2)。
将额定值大于6A的LED通过尽可能短的连线连接到LED+和LED-,以降低引线电感。如果需要较长连线,请务必使用双绞线连接。
J5、J8保持开路。
打开PS2电源,输出1.1V.
逐渐增大PS1电源输出,达到10V.LED被点亮,工作在1.5A连续电流。
将一个幅度为3V至5V、30%占空比的信号连接至PWM引脚。LED电流将由PWM信号控制通、断。
将PS2输出电压从1.1V调整到2.8V.在PWM处于导通期间,LED电流从1.5A上升到6A.
相关阅读:
- ...· Efinix® 全力驱动AI边缘计算,成功推出Trion™ T20 FPGA样品, 同时将产品扩展到二十万逻辑单元的T200 FPGA
- ...· 英飞凌亮相进博会,引领智慧新生活
- ...· 三电产品开发及测试研讨会北汽新能源专场成功举行
- ...· Manz亚智科技跨入半导体领域 为面板级扇出型封装提供化学湿制程、涂布及激光应用等生产设备解决方案
- ...· 中电瑞华BITRODE动力电池测试系统顺利交付北汽新能源
- ...· 中电瑞华FTF系列电池测试系统中标北京新能源汽车股份有限公司
- ...· 中电瑞华大功率高压能源反馈式负载系统成功交付中电熊猫
- ...· 中电瑞华国际在电动汽车及关键部件测评研讨会上演绎先进测评技术
- ...· 华芯微国产汽车芯片门电路系列(篇一)
- ...· 华芯微国产汽车芯片CAN收发器系列(篇一)
- ...· 华芯微国产汽车芯片DC/DC转换器系列
- ...· 华芯微国产汽车芯片DC/DC转换器系列
- ...· 华芯微国产汽车芯片运算放大器系列(篇一)
- ...· 华芯微国产汽车芯片MOSFET 驱动器系列(篇一)
- ...· 数据采集终端系统设备
- ...· 简仪科技踏上新征程








