吉时利工程师讲解电压开关中常见挑战的应对
设计自动化的测试系统开关需要搞清楚要开关信号和要执行测试的特点。例如,在测试应用中承受开关电压信号的较合适的开关卡和技术取决于其涉及电压的幅值和阻抗。
中等大小电压的开关
中等大小电压应用(1V到200V)通常要把一个伏特计或电压源切换到多个器件,例如测试电池、电化电池、电路配件、热电偶等。切换多个电源和切换多个负载各自分别存在相应的问题。
一个伏特计到多个串联电源的开关
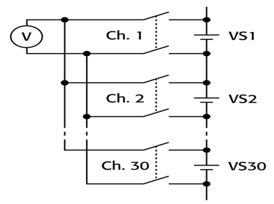
图1给出了切换伏特计到多个串联的30电压源(VS)的情形。为了避免其中一个或多个发生短路,必须在关闭一个通道之前打开另一个通道(操作前断开)。此外,要给每个电压源串联熔丝,避免超过卡的共模额定电压。在这个例子中,每个电源都是12V,整个串联电源的总电压为360V。较好采用至少500V的信道-信道额定电压和共模额定电压。

图1:一个伏特计到多个串联电源的开关。
一个电压源到多个负载的开关
图2给出了单个电压源连接多个负载的情形。如果两个或多个负载连接电源,那么由于流过公共阻抗(R)(例如测试引线和线路电阻)的电流影响,每个负载上的电压可能会小于期望值。随着额外负载的接入,总电流将会增大,从而提高了公共阻抗(R)上的电压降。

图2:一个电压源到多个负载的开关。
开关电阻
当把一个电压源切换到多个器件时,可能必须对开关电阻产生的电压降进行补偿。特别地,如果器件具有较低的电阻,流过开关的电流可能会产生较大的电压降。在远程检测中,负载上跨接了外部检测电路,这种方式有助于校正开关和布线上的所有电压降。
设计自动化的测试系统开关需要搞清楚要开关信号和要执行测试的特点。例如,在测试应用中承受开关电压信号的较合适的开关卡和技术取决于其涉及电压的幅值和阻抗。
中等大小电压的开关
中等大小电压应用(1V到200V)通常要把一个伏特计或电压源切换到多个器件,例如测试电池、电化电池、电路配件、热电偶等。切换多个电源和切换多个负载各自分别存在相应的问题。
一个伏特计到多个串联电源的开关
图1给出了切换伏特计到多个串联的30电压源(VS)的情形。为了避免其中一个或多个发生短路,必须在关闭一个通道之前打开另一个通道(操作前断开)。此外,要给每个电压源串联熔丝,避免超过卡的共模额定电压。在这个例子中,每个电源都是12V,整个串联电源的总电压为360V。较好采用至少500V的信道-信道额定电压和共模额定电压。

图1:一个伏特计到多个串联电源的开关。
一个电压源到多个负载的开关
图2给出了单个电压源连接多个负载的情形。如果两个或多个负载连接电源,那么由于流过公共阻抗(R)(例如测试引线和线路电阻)的电流影响,每个负载上的电压可能会小于期望值。随着额外负载的接入,总电流将会增大,从而提高了公共阻抗(R)上的电压降。

图2:一个电压源到多个负载的开关。
开关电阻
当把一个电压源切换到多个器件时,可能必须对开关电阻产生的电压降进行补偿。特别地,如果器件具有较低的电阻,流过开关的电流可能会产生较大的电压降。在远程检测中,负载上跨接了外部检测电路,这种方式有助于校正开关和布线上的所有电压降。
低压开关
当开关控制的信号电平为毫伏甚至更低时,采用特殊的技术有助于防止电压误差。这些误差可能来自于卡上或者连接线中的热电偏移电压、开关膜污染、磁场干扰或接地环路。
热电偏移电压
低电压卡的一项关键指标是它的接触电位,即热电偏移电压。热电电压是不同金属构成的结点上的温度差产生的电压,例如镍铁笛簧继电器与它们连接的铜导体之间。这种温度梯度主要由激励线圈的功耗引起的。这一偏移电压直接叠加到信号电压上,可以建模为一个不需要的电压源与目标信号串联。偏移电压会给待测器件(DUT)所施加的激励或伏特计测量的结果造成误差。
多种因素都会影响热电电压导致的卡的漂移电平,包括所采用的继电器类型(笛簧式、固态式或机电式)、线圈驱动技术(闩锁或非闩锁)以及用于触点电镀的材料(例如,镍合金或金)。
在笛簧继电器通电之后,它线圈上的功耗将使其温度上升几分钟,因此在触点闭合之后的几秒钟内完成低压测量是非常重要的。如果在闭合之后的几分钟时间内进行了很多测量,那么读数中将会加入不断增大的热电电压。热时间常数的大小可以从几秒到几小时不等。即使固态继电器没有线圈损耗,内部IR压降产生的热量仍然会产生热电漂移。闩锁继电器采用电流脉冲进行激励,因此具有很低的热电漂移。
与开关卡的连接也是一个产生发热电压的来源。我们应该尽量采用没有镀锡的铜线连接开关卡,并且保持所有引线处于相同的温度。可以采用一个短路通道构建零基值的方式对偏移电压进行补偿。但是,这种补偿方式并不理想,因为由于自热和环境温度的变化,偏移电压会随着时间发生变化。
在切换低电压同时又进行低电阻测量时,可以采用偏移补偿的方式抵消热电偏移电压,这需要利用两个不同的电流值进行两次电压测量。用两次电压测量结果的差除以两次测试电流的差,即可计算机出电阻的值:

开关膜污染
随着时间的延长,继电器接触点的表面会形成一层污染膜,从而增大它的电阻,在低电压测量或供电情况下这会使得开关电压变得不稳定。》l00mV的电压通常不受这种污染的影响。采用固态开关式扫描卡可以防止这一问题。
磁干扰
磁通量的高速变化,例如开关电源或者高电流信号通断所产生的,会在相邻的低压电路中感应出几个微伏的电压,造成明显的误差。通过将噪声源与敏感电路尽可能分离开,进行磁场屏蔽,使用带屏蔽的双绞线,减少噪声源和信号导线的有限区域等措施,可以较大限度地减少磁干扰问题。
接地环路
如果两个接地点之间存在较小的电位差,那么系统的某些敏感部分可能会产生一定的地电流。这种情况只出现在某些开关闭合,进行复杂诊断的情况下。无论什么时候,尽量保持一个系统接地点。如果做不到这一点,可以采用基于光耦合或平衡变压器的隔离技术,增大两点之间的有效电阻,将公共地电流降低至可以忽略的水平。
高压开关
线缆和印制电路板的绝缘电阻测试或者耐压测试通常都涉及高电压的开关切换。为了避免损坏开关卡,在开关切换200V以上的电压时必须十分谨慎,要选择额定指标符合所需电压与功率大小的开关卡,例如用于3706型系统开关/万用表(如图3所示)的吉时利3720型双1x30多路复用卡,以及额定指标合适的线缆。如果可行,采用冷开关的方式可以延长继电器的寿命,增大所容许的电流。

图3:吉时利3706型系统开关/万用表。
电抗性负载会引起过大的电流和电压跳变,因此为了防止损坏继电器和外部电路,容性负载需要采取电流浪涌限制措施,感性负载需要采用电压箝位措施。
高阻抗电压开关
高阻抗电压开关需要用在监测电化学电池、测量半导体电阻率之类的应用中。开关和测量具有高内部阻抗的电压源会遇到诸如偏移电流、杂散漏流和静电干扰之类的误差。采用并联电容技术可以延长稳定时间。
当选择开关高阻抗电压的开关卡时,要确保该卡具有较低的偏移电流。流过高阻抗器件的任何偏移电流都会在器件上产生不需要的电压,加入电压测量中。
高阻抗电路对静电干扰十分敏感,因此DUT和连接线都应该很好地屏蔽以防止噪声感应。
测试仪器、开关卡、线缆和夹具中的漏电流都会因为降低测量电压而带来误差。因此要选择具有较高隔离电阻的开关卡,尽量在所有可能的地方使用保护电路,尽可能选择具有较高绝缘电阻的绝缘体。
响应时间是开关高阻抗电压信号时比较关注的另外一个关键因素。开关和相关线缆中的并联电阻会引起额外的响应时间。在某些情况下,采用激励保护电路可以大大消除并联电容,使得线缆的屏蔽层与其中心导线(或者高阻抗引线)保持几乎相同的电位。图4a给出了一种通过开关连接静电伏特计的高阻抗电压情形。注意其对阶跃函数的缓慢相应。要保护这个信号,可以在静电计的保护输出端与卡的屏蔽端之间设置一个连接,如图4b所示。某些静电计,例如吉时利的6517B,可以通过开启内部保护连接功能从内部实现这一连接。开启这一保护功能有效减少了线缆和开关电容,从而改善了静电计的响应时间。

图4a:高阻抗电压源到静电计的开关。

图4b:采用激励保护电路抵消并联电容。
如果保护电压超
相关阅读:
- ...· Efinix® 全力驱动AI边缘计算,成功推出Trion™ T20 FPGA样品, 同时将产品扩展到二十万逻辑单元的T200 FPGA
- ...· 英飞凌亮相进博会,引领智慧新生活
- ...· 三电产品开发及测试研讨会北汽新能源专场成功举行
- ...· Manz亚智科技跨入半导体领域 为面板级扇出型封装提供化学湿制程、涂布及激光应用等生产设备解决方案
- ...· 中电瑞华BITRODE动力电池测试系统顺利交付北汽新能源
- ...· 中电瑞华FTF系列电池测试系统中标北京新能源汽车股份有限公司
- ...· 中电瑞华大功率高压能源反馈式负载系统成功交付中电熊猫
- ...· 中电瑞华国际在电动汽车及关键部件测评研讨会上演绎先进测评技术
- ...· 华芯微国产汽车芯片门电路系列(篇一)
- ...· 华芯微国产汽车芯片CAN收发器系列(篇一)
- ...· 华芯微国产汽车芯片DC/DC转换器系列
- ...· 华芯微国产汽车芯片DC/DC转换器系列
- ...· 华芯微国产汽车芯片运算放大器系列(篇一)
- ...· 华芯微国产汽车芯片MOSFET 驱动器系列(篇一)
- ...· 数据采集终端系统设备
- ...· 简仪科技踏上新征程








