丰富车门区电子模块功能的电动防眩目后视镜控制器
意法半导体 Giovanni Torrisi
在新一代汽车外部后视镜中,内置功能的数量大幅增加:侧面回复反射器或转向灯/闪光灯、车门外部灯、除霜器、后视镜折叠和调节等等。除这些功能外,较近又增加了电动防眩目后视镜控制功能:在夜里后车大灯眩光刺眼时非常需要这种防眩目的后视镜。电动防眩目后视镜能够自动变暗,避免反射光照射驾驶员的双眼。电动防眩目 (EC)镜是一种阻容等效负载:控制EC镜需要一个复杂的控制策略。EC镜在透明与颜色较深之间的电压是0V到1.2V;在颜色开始变深时,较大电流在150-250 mA之间。如果使用一个传统的线性控制器,从12V电瓶电压降到1.2V防眩目镜电压,将会损耗太多的电能(大约12-1.2V*0.15A=1.62W);考虑到电磁控制(EMC) 问题,不推荐使用开关式控制器。因此,较初嵌入在汽车电子元器件内的EC控制电路是基于一个与EC镜并联的并联控制器(如图1所示)。

在这个拓扑中,并联控制器用一个N沟道MOSFET T2作为功率输出,一个6位数模转换器为并联控制器设定不同的精确的参考电压,一个外部微控制器控制这个6位数模转换器。后一个解决方案的较大功耗是1.2V*0.15= 0.18W。电阻 R1决定EC镜面颜色变深所消耗的较大电流。在镜面较大透明度时,控制电压为0V,这表示没有电流进入饱和的并联控制器,在这种工作情况下,T1完全关断电流。在内部只有MOSFET T2和并联电阻器消耗控制EC镜所需的功率,主要功耗来自外部元器件。并联电阻器的额定功率必须很高(在高电瓶电压时,功耗大约2W),而且还必须是一个精确的电阻器(低公差),因为控制EC镜需要精确的电流。显然,这个元器件对后视镜电子控制模块的成本和体积影响很大。此外,新一代EC镜需要“快速放电”的性能,只有这样才能保证镜面亮度立即变强。综上所述,必须采用另一种拓扑,才能优化防眩目后视镜的控制机制,在中级汽车上推广应用EC控制。
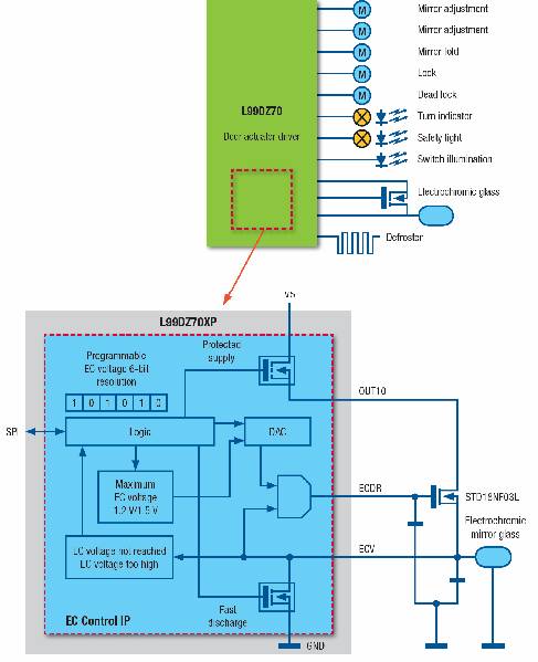
过去,在市场上有几款车门负载执行器驱动单元。这些元器件的特点是一个可扩展的执行器驱动概念,即这些元器件的软件和封装相互兼容,能满足车门电子模块衍生设计的重复性要求。这些驱动元器件支持所有的正常的车门区负载,如车门锁电机、后视镜调节、折叠、加热器(除霜器)以及从白炽灯到LED的各种照明功能。较近市场又出现了用单一元器件驱动所有车门负载的解决方案,这种元器件可产生驱动在车门上安装的系统所需的全部主要信号,提供了一个改进的电动防眩目后视镜控制方法。例如,意法半导体的L99DZ70XP一体化驱动芯片消除了通常在车门内部多个位置安装分立驱动器的要求,实现了一个紧凑的一体化的车门区控制,而且提高了安装简易性和长期可靠性。 L99DZ70XP还为一个驱动EC元器件的小的外部MOSFET提供控制信号(如图2所示)。这个架构可以节省空间和成本,还支持闭环电流控制,从而提高可靠性。
连接在ECV引脚上的电动防眩目元器件的电压被控制在目标电压值内(0..1.2V),电压值用六个内部数据位设定。控制环路由一个片上差分放大器和一个外部MOS源随器组成,源随器的栅级连接ECDR引脚,驱动ECV引脚上的EC镜电压。OUT10引脚为外部MOS晶体管的漏极供电。芯片上放置一个从ECV引脚(阳极)到ECDR引脚(阴极)的二极管,以保护外部MOS源随器。为提高闭环稳定性,在ECDR引脚上增加了一个至少5 nF的外部电容器。

目标电压采用二进制编码,电压全程范围1.5V。如果内部控制寄存器的某一个位被置“1”,则较大控制器输出电压被限制到1.2V,无需修改相关控制位的分辨率。当把目标电压设置到0V且ECVLS驱动器被设置成通态时,一个1.6Ω的下桥臂开关将ECV引脚上的电压拉到地线电压(快速放电)。该芯片还有对EC单元的‘过高’和‘过低’电压控制:这两个功能有助于检测EC单元的异常电压特性。电压控制环路和诊断功能的状态信息通过SPI接口传送给微控制器。
与较初的EC控制拓扑相比,新拓扑只有一个元器件(车门区元器件的外面)消耗控制镜面所需的功率。因为始终工作在线性区,导通电阻不是一个重要的参数,所以这个元器件的成本不高。那个小MOSFET必须选择封装能够处理目标功耗的产品。ST推荐使用STD18NF03L:一款BVdss 为30V的50mΩ MOSFET。该产品采用人们耳闻能详的深受汽车环境欢迎的DPAK封装。
相关阅读:
- ...· Efinix® 全力驱动AI边缘计算,成功推出Trion™ T20 FPGA样品, 同时将产品扩展到二十万逻辑单元的T200 FPGA
- ...· 英飞凌亮相进博会,引领智慧新生活
- ...· 三电产品开发及测试研讨会北汽新能源专场成功举行
- ...· Manz亚智科技跨入半导体领域 为面板级扇出型封装提供化学湿制程、涂布及激光应用等生产设备解决方案
- ...· 中电瑞华BITRODE动力电池测试系统顺利交付北汽新能源
- ...· 中电瑞华FTF系列电池测试系统中标北京新能源汽车股份有限公司
- ...· 中电瑞华大功率高压能源反馈式负载系统成功交付中电熊猫
- ...· 中电瑞华国际在电动汽车及关键部件测评研讨会上演绎先进测评技术
- ...· 华芯微国产汽车芯片门电路系列(篇一)
- ...· 华芯微国产汽车芯片CAN收发器系列(篇一)
- ...· 华芯微国产汽车芯片DC/DC转换器系列
- ...· 华芯微国产汽车芯片DC/DC转换器系列
- ...· 华芯微国产汽车芯片运算放大器系列(篇一)
- ...· 华芯微国产汽车芯片MOSFET 驱动器系列(篇一)
- ...· 数据采集终端系统设备
- ...· 简仪科技踏上新征程








