Cirrus SA306三相15A马达驱动方案
关键字:应用
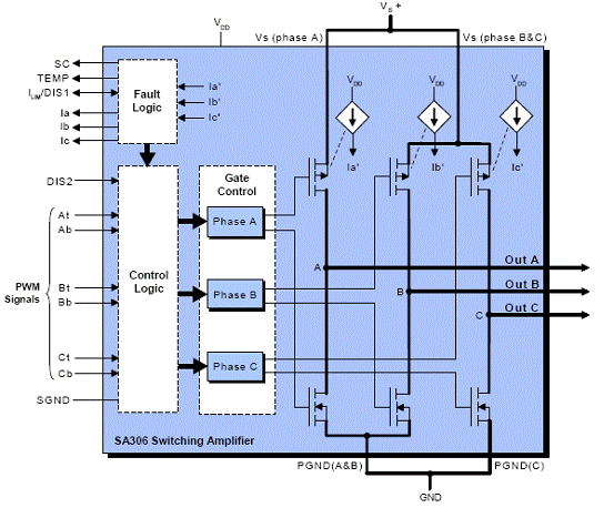
Cirrus Logic公司的SA306是全集成三相智能开关放大器,三个单独的半桥能向无刷直流电机(BLDC)提供峰值15A电流的驱动能力. SA306采用微控制器或DSC控制,并提供热和短路监视.工作电压从8.5V 到 60V,主要应用在三相无刷直流电机(BLDC), 直流无刷马达和三个单独的螺线管激励器.本文介绍了SA306的主要特性, 方框图, 应用系统方框图以及SA306评估板电路图和评估板材料清单(BOM).SA306:3 Phase Switching Amplifier
The SA306 is a fully integrated switching amplifier designed primarily to drive three-phase Brushless DC (BLDC) motors. Three independent half bridges provide over 15 amperes peak output current under microcontroller or DSC control. Thermal and short circuit
monitoring is provided, which generates fault signals for the microcontroller to take appropriate action.
Additionally, cycle-by-cycle current limit offers user programmable hardware protection independent of the microcontroller. Output current is measured using an innovative low loss technique. The SA306 is built using a multi-technology process allowing CMOS logic control and complementary DMOS output power devices on the same IC. Use of P-channel high side FETs enables 60V operation without bootstrap or charge pump
circuitry.
The Power Quad surface mount package balances excellent thermal performance with the advantages of a low profile surface mount package.
SA306主要特性:
Low cost 3 phase intelligent switching amplifier
Directly connects to most embedded Microcontrollers and Digital Signal Controllers
Integrated gate driver logic with dead-time generation and shoot-through prevention
Wide power supply range (8.5V to 60V)
Over 15A peak output current per phase
5A continuous output current per phase 8A continuous for A-Grade (SA306A)
Independent current sensing for each output
User programmable cycle-by-cycle current limit protection
Over-current and over-temperature warning signals
SA306应用:
3 phase brushless DC motors
Multiple DC brush motors
3 independent solenoid actuators

图1.SA306方框图

图2.SA306应用系统方框图(1)

图3.SA306应用系统方框图(2)
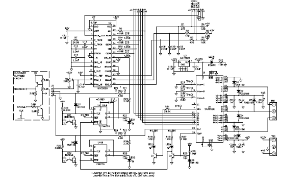
SA306-IHZ评估板
Demonstration Board for the SA306-IHZ
The DB64 is designed to demonstrate the capabilities of the SA306 3 phase brushless DC (BLDC) motor driver IC.
This fully assembled demonstration allows the user to directly control the speed and direction of the motor. An onboard controller decodes HALL Effect sensor inputs for commutation in either direction and provides four quadrant PWM signals to control the power outputs of the SA306. LEDs provide feedback for motor control status and fault
indications. Provisions on the DB64 allow the user to bypass the onboard control circuit and directly interface with the SA306 brushless motor driver.
The DB64 demonstrates proper layout techniques for the SA306 high current switching amplifier. The economical construction uses only a two-sided PCB and allows the SA306
to deliver peak currents of over 1kW.
THERMAL CONSIDERATIONS
The SA306 is available in a surface mount package which can deliver peak power of over 1kW. This presents an obvious and significant thermal challenge. The DB64 offers a
compact design which can deliver 17A peak current by using a patent pending mounting technique. Mounting the SA306 in an inverted fashion as shown in Figure 1 reduces the profile height of the assembly and provides a direct interface between the thermal tab of the PowerQuad package (package outline drawing HQ) and the small HS33 heatsink. The DB64 assembly can dissipate 7-9W in still air at 25ºC ambient temperature, depending on the orientation of the heatsink fins.
To use the DB64 in higher power applications, use a fan or mount a heatsink with larger thermal mass. Although the SA306 is rated for operation from -25 to +85ºC, the other
components on the DB64 are limited to 0 to 70ºC ambient temperature
CIRCUIT OPERATION
The DB64 control circuit receives power via two terminal block connections. The Vs connection supplies power to drive the motor and must be above the under-voltage lockout threshold of the SA306, approximately 8.3V. The control circuit requires 12V for proper operation a regulator on the DB64 provides the 5V logic supply for the SA306. There are no special considerations for sequencing the two supplies.

图4.SA306评估板电路图
评估板材料清单(BOM):

相关阅读:
- ...2011/06/01 12:06·Motor Monitor with Circuit Breaker
- ...2011/05/27 09:55·Secondary-Side AC Circuit Breaker
- ...2010/05/10 16:18·基于PXI和LabVIEW的FCT(Functional Circuit Test)测试系统
- ...2008/11/18 10:11·Customer-Specific Circuits Open the Door to New Fitness and Wellness Systems
- ...· Efinix® 全力驱动AI边缘计算,成功推出Trion™ T20 FPGA样品, 同时将产品扩展到二十万逻辑单元的T200 FPGA
- ...· 英飞凌亮相进博会,引领智慧新生活
- ...· 三电产品开发及测试研讨会北汽新能源专场成功举行
- ...· Manz亚智科技跨入半导体领域 为面板级扇出型封装提供化学湿制程、涂布及激光应用等生产设备解决方案
- ...· 中电瑞华BITRODE动力电池测试系统顺利交付北汽新能源
- ...· 中电瑞华FTF系列电池测试系统中标北京新能源汽车股份有限公司
- ...· 中电瑞华大功率高压能源反馈式负载系统成功交付中电熊猫
- ...· 中电瑞华国际在电动汽车及关键部件测评研讨会上演绎先进测评技术
产品快讯更多
企业新闻更多
- ...· 华芯微国产汽车芯片门电路系列(篇一)
- ...· 华芯微国产汽车芯片CAN收发器系列(篇一)
- ...· 华芯微国产汽车芯片DC/DC转换器系列
- ...· 华芯微国产汽车芯片DC/DC转换器系列
- ...· 华芯微国产汽车芯片运算放大器系列(篇一)
- ...· 华芯微国产汽车芯片MOSFET 驱动器系列(篇一)
- ...· 数据采集终端系统设备
- ...· 简仪科技踏上新征程








