电源设计小贴士 25:改善负载瞬态响应—第 2 部分
作者:Robert Kollman,德州仪器 (TI)
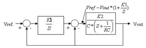
这篇《电源设计小贴士》是《电源设计小贴士 23》的后续文章。它着重介绍如何使用TL431分路稳压器关闭隔离电源的反馈环路。本文章讨论了一种扩展电源控制环路带宽以改善瞬态负载及线路响应的方法。您可能必须要参考原文来继续这一讨论。功率级是一个带电容输出滤波器和单极衰减的电流模式控制反馈电路。图 1 显示了该控制环路的结构图,该图已得到极大的简化。在左侧模块中,误差放大器由一个带起点极的积分电路响应代表。在右侧模块中,光耦合器增益和电流模式控制电路已被组合为一个简单的 K2 增益,以及一个由负载电阻 (R) 和输出电容 (C) 设置的极。

图 1 大大简化的控制结构图显示了两个环路
结构图中共有两条反馈通路:一条通过积分器,其输出与参考电压比较;另一条将积分电路输出与输出电压比较。模块的频率响应显示在图 2 中。蓝色曲线代表功率级响应,您可能没有足够多的修改灵活性。负载电阻由输出电压和电流设置,而滤波器电容取决于噪声要求、开关频率和瞬态负载要求。
在电源的光耦合器和电流模式控制部分,您的确可以通过增益实现一定的控制。红色曲线是输出电压到功率级输入的响应。利用补偿积分电路,在对电源进行补偿的程度方面您会受到一定的限制。在高频率下,Vout 到功率级输入的增益等于 1。您唯一的选择是在哪里放置零。其由积分电路变为 1 的位置决定。图 2 中,补偿零与总单极衰减的功率级极一致。请注意,由于补偿增益为 1,因此电源的交叉频率由功率级本身的 0 dB 交叉设置。

图 2 连接误差放大器为一个 1 型积分电路限制带宽
很多时候,积分电路并不会为要求瞬态响应提供充足的带宽。一种简单的改进方法是将 1 型误差放大器布局转变为 2 型。2 型增加了一个与积分电容串联的电阻,之后增加一个并联高频电容,以用于二极、一零频率响应。图 3 显示了 2 型放大器的更新频率响应。这种情况下,首个零时我们并没有被限于 0 dB 增益,并且我们还可以设置 10 dB 增益。这样就允许将交叉频率(两条曲线的和等于 0 dB)从 2 kHz 增加到 6 kHz。另外,需要注意更高频率特性。我们在交叉频率以上放置了一个极,以降低电源的噪声敏感度。正如简单积分电路中一样,通过补偿部分的增益绝不会降低至 0 dB 以下。

图 3 型补偿器提高了带宽
由 2 型误差放大器实现的更高交叉频率改善了瞬态负载响应。图 4 显示了利用两种具有图 2-3 所示频率响应特性的设计带来的改善状况。电路在 P-Spice 中得到仿真,并且两个电路均使用同样的负载阶跃。如我们预料的一样,3 到 1 的带宽提高转换为 3 到 1 的输出电压波动减小。

图 4 型误差放大器产生 3 到 1 瞬态阶跃负载的改善状况
下次,我们将讨论高频导体的电流分布,敬请期待。
文章末尾列出了之前发表的一些《电源设计小贴士》文章。如欲了解本文章内容及其他电源解决方案的更多详情,敬请访问:www.ti.com.cn/power。
相关阅读:
- ...2015/07/17 17:10·安森美半导体论汽车电源设计挑战及考量
- ...2013/06/17 17:17·反激式转换器简化隔离式电源设计
- ...2012/07/04 16:44·基于模糊和PI控制的MIG焊接电源设计
- ...2012/04/18 16:39·电源设计小贴士 43:分立器件——一款可替代集成 MOSFET 驱动器的卓越解决方案
- ...2012/04/16 16:07·电源设计小贴士 42:可替代集成 MOSFET 的分立器件
- ...2012/01/13 14:34·电源设计,自己掌控
- ...· Efinix® 全力驱动AI边缘计算,成功推出Trion™ T20 FPGA样品, 同时将产品扩展到二十万逻辑单元的T200 FPGA
- ...· 英飞凌亮相进博会,引领智慧新生活
- ...· 三电产品开发及测试研讨会北汽新能源专场成功举行
- ...· Manz亚智科技跨入半导体领域 为面板级扇出型封装提供化学湿制程、涂布及激光应用等生产设备解决方案
- ...· 中电瑞华BITRODE动力电池测试系统顺利交付北汽新能源
- ...· 中电瑞华FTF系列电池测试系统中标北京新能源汽车股份有限公司
- ...· 中电瑞华大功率高压能源反馈式负载系统成功交付中电熊猫
- ...· 中电瑞华国际在电动汽车及关键部件测评研讨会上演绎先进测评技术
- ...· 华芯微国产汽车芯片门电路系列(篇一)
- ...· 华芯微国产汽车芯片CAN收发器系列(篇一)
- ...· 华芯微国产汽车芯片DC/DC转换器系列
- ...· 华芯微国产汽车芯片DC/DC转换器系列
- ...· 华芯微国产汽车芯片运算放大器系列(篇一)
- ...· 华芯微国产汽车芯片MOSFET 驱动器系列(篇一)
- ...· 数据采集终端系统设备
- ...· 简仪科技踏上新征程








