OLED 显示器技术及功能:电源供应是否会影响显示器画质?
作者:Oliver Nachbaur,德州仪器显示电源系统工程经理
有机发光二极管 (OLED) 显示器越来越普遍,在手机、媒体播放器及小型入门级电视等产品中较为显著。不同于标准的液晶显示器,OLED 像素是由电流源所驱动。若要了解 OLED 电源供应如何及为何会影响显示器画质,必须先了解 OLED 显示器技术及电源供应需求。本文将说明较新的 OLED 显示器技术,并探讨主要的电源供应需求及解决方案,另外也介绍专为 OLED 电源供应需求而提出的创新性电源供应架构。
市场环境
各大手机公司现在都推出一款或多款采用 OLED 显示器的机型,Sony 则率先量产 OLED 电视,其它多家公司也推出首款样品机种。OLED 显示器具有广色域、高对比度、宽视角及快速反应时间等特性,这使得这类显示器相当适用于多媒体应用。自体发光的 OLED 技术不需要采用背光,而且耗电量视显示内容而定,其耗电量远低于使用背光的 LCD。面板尺寸加大之后,OLED 的高画质特性更为明显,因此愈来愈多 OLED 面板的显示器尺寸都大于 3 吋,而未来的应用层面仍将以电视面板为大宗。另一个 OLED 显示器市场是软性显示器。目前 OLED 及电泳显示器技术的前景相当看好,应用于电子阅读器的电泳或双稳态显示器需要提升色彩质量。另一方面,在使用完全软性材质的情况下,OLED 显示器目前仍不适合量产,这主要取决于背板技术的发展。
背板技术造就软性显示器
高分辨率彩色主动式矩阵有机发光二极管 (AMOLED) 显示器需要采用主动式矩阵背板,此背板使用主动式开关进行各像素的开关。目前液晶 (LC) 显示器非晶硅制程已臻成熟,可供应低成本的主动式矩阵背板,并且可用于 OLED。许多公司目前正针对软性显示器开发有机薄膜晶体管 (OTFT) 背板制程,此一制程也可用于 OLED 显示器,以实现全彩软性显示器的推出。不论是标准或软性 OLED,都需要运用相同的电源供应及驱动技术。若要了解 OLED 技术、功能及其与电源供应之间的互动,必须深入剖析这项技术本身。OLED 显示器是一种自体发光显示器技术,完全不需要任何背光。OLED 采用的材质属于化学结构适用的有机材质。
OLED 技术需要电流控制驱动方法
图 1 是仅显示一个像素的简易电路示意图。OLED 具有与标准有机发光二极管 (LED) 相当类似的电气特性,亮度均取决于 LED 电流。若要开启和关闭 OLED 并控制 OLED 电流,需要使用薄膜晶体管 (TFT)的控制电路。

图 1.简易的主动式矩阵 OLED 单一像素控制范例 (ITO – 透明导电膜)
在图 1 中,晶体管 T2 是开启和关闭像素的像素控制晶体管,这类似于其它任何主动式矩阵液晶显示器技术。T1 被当作电流来源,电流就是由此闸极电压源所驱动。储存电容为 Cs,它用来维持稳定的 T1 闸极电压,并锁定供应电流的大小,一直到像素被重新配置。在图 1 中,简易的单一晶体管电流源具有重大的成本优点,因为只需要两个晶体管。这类简易电路的缺点是电流会产生变化,变化的因素包括过程变化及 Vdd 电压变化。OLED 电源供应电路通常提供 Vdd 和 Vss 两种电压电源轨。电压轨 Vdd 必须达到极严格的调节效用,才能发挥较佳画质并避免影像闪烁。Vss 通常是负电压,其电压调节准确度可降低,因为此电压较不会影响 LED 电流。图 2 显示 Vdd 对于 OLED 显示器所产生的电压波动效应。

图 2.电源轨的电压波动造成水平条纹
当电压供应的 Vdd 变动时,OLED 亮度也会随之变动。Vdd 上的迭加电压链波(superimposed voltage ripple)会让影像出现水平条纹,这是因为亮度不同所致。视显示器而定,大于 20mV 的电压链波就可能会造成这种现象。水平条纹的显现程度与迭加电压链波的振幅及频率有关。一旦频率干扰讯框频率,就会出现条纹。在一般的实验环境下,Vdd 上的迭加电压链波通常小于 20mV。将显示器与电源供应整合成为系统时,这个问题就会出现。一旦系统中任何的子电路从系统电源供应器汲取脉动电流(pulsating current),就会出现电压链波,所有连接系统电源供应器的电路都是如此。一般汲取脉动电流的子电路包括手机中的GSM 功率放大器、马达驱动器、音讯功率放大器等等。在这些系统中,系统供应电源轨都会出现迭加电压链波。如果 AMOLED 电源供应不抑制这种链波,链波便会出现在输出端,并造成前述的影像失真。为避免这类问题的发生,AMOLED 的电源供应需要有极高的电源抑制比及线路瞬时响应。
对于 AMOLED 的电源供应而言,正电压电源轨Vdd 需要升压转换器,负电压电源轨 Vss 需要升降压转换器或反相器。这对于提供适用电源供应的 IC 制造商而言是一大挑战,因为制造商需要提供相当准确的正电压电源轨 Vdd 与负电压电源轨 Vss,以达到较低的组件高度与较小的解决方案尺寸。
为了符合所有这些要求,需要选择全新的电源供应拓朴架构,以便在仅使用单一电感的情况下从锂离子电池提供正输出及负输出的电压电源轨。
SIMO 稳压器技术可达到同级产品中较佳的画质

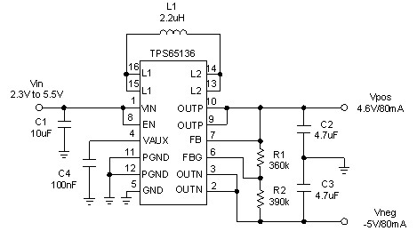
图 3. 支持双重输入的 TPS65136 降压升压转换器拓朴
图 3 显示使用 TPS65136 的一般应用电路,此装置采用单一电感多重输出 (SIMO) 稳压器技术,并且以四开关的降压升压转换器拓朴进行运作。SIMO 技术可达到同级产品中较佳的线路瞬时调节、两个输出的降压升压模式,以及整体负载电流范围的较高效率。
进阶节能模式可达到较高效率
和任何电池供电的设备一样,只有在转换器以整体负载电流范围的较高效率进行运作时,才能达到较长的电池待机时间,这对于 OLED 显示器尤其重要。OLED 显示器呈现全白时会耗用较大的电源,对于其它任何显示色彩则电流相对较小,这是因为只有白色需要所有红、绿、蓝子像素都全亮。举例来说,2.7 吋显示器需要 80mA 电流来呈现全白影像,但只需要 5mA 电流显示其它图标或图形。因此,OLED 电源供应需要针对所有负载电流达到高转换器效率。为了达到如此的效率,需要运用进阶的节能模式技术来减少负载电流,以降低转换器切换频率。由于这是透过电压控制震荡器 (VCO) 完成,因此能够将可能的 EMI 问题降至较低,并且能够将较低切换频率控制在一般 40kHz 的音讯范围以外,这可避免陶瓷输入或输出电容产生噪音。在手机应用中使用这类装置时,这特别重要,而且可简化设计流程。
结论
由于 OLED 显示器技术尚在起步阶段,对于节能、提升 OLED 效率以及将整体解决方案尺寸降至较低等方面仍有许多改善空间,由于 OLED 日益成熟,因此可将 OLED 应用于建筑照明或 液晶 显示器背光的用途。相较于传统的照明解决方案,OLED为这两种用途提供更低的耗电量及较高的设计弹性,因此很有商机。对于 OLED 技术而言,未来必然是一片光明。
作者
Oliver Nachbaur 现任美商德州仪器德国分公司技术小组成员,并身兼显示器电源转换器部门系统工程经理,本身拥有 10 年以上关于半导体产业电源管理产品的应用工程师及系统工程师等资历,并且在德国里根斯堡获得电子工程学位。
TI感谢工程师影片:http://www.ti.com/thanks-tw。
参考文献
1. TPS65136数据表 http://focus.ti.com.cn/cn/docs/prod/folders/print/tps65136.html
2. TI电源管理 www.ti.com.cn/powermanagement
3. TI照明解决方案 http://focus.ti.com.cn/cn/paramsearch/docs/parametricsearch.tsp?family=analog&familyId=690&uiTemplateId=NODE_STRY_PGE_T
相关阅读:
- ...2011/11/09 13:45·图文解析:LED、LED背光和OLED三者之间的区别和联系
- ...2011/07/22 11:08·OLED产业将在2011年大展宏图
- ...2011/07/20 09:53·OLED包封的点胶工艺
- ...2011/06/10 15:58·Driver For CCD Imager and an OLED Display Panel With Soft Start
- ...2011/06/09 14:04·2.7V~4.2V 至 -5V/90mA 和 4.6V/100mA AMOLED 电源
- ...2011/06/07 17:03·Li-Ion Powered Driver For 6 White LEDs and OLED Display
- ...· Efinix® 全力驱动AI边缘计算,成功推出Trion™ T20 FPGA样品, 同时将产品扩展到二十万逻辑单元的T200 FPGA
- ...· 英飞凌亮相进博会,引领智慧新生活
- ...· 三电产品开发及测试研讨会北汽新能源专场成功举行
- ...· Manz亚智科技跨入半导体领域 为面板级扇出型封装提供化学湿制程、涂布及激光应用等生产设备解决方案
- ...· 中电瑞华BITRODE动力电池测试系统顺利交付北汽新能源
- ...· 中电瑞华FTF系列电池测试系统中标北京新能源汽车股份有限公司
- ...· 中电瑞华大功率高压能源反馈式负载系统成功交付中电熊猫
- ...· 中电瑞华国际在电动汽车及关键部件测评研讨会上演绎先进测评技术
- ...· 华芯微国产汽车芯片门电路系列(篇一)
- ...· 华芯微国产汽车芯片CAN收发器系列(篇一)
- ...· 华芯微国产汽车芯片DC/DC转换器系列
- ...· 华芯微国产汽车芯片DC/DC转换器系列
- ...· 华芯微国产汽车芯片运算放大器系列(篇一)
- ...· 华芯微国产汽车芯片MOSFET 驱动器系列(篇一)
- ...· 数据采集终端系统设备
- ...· 简仪科技踏上新征程








