工程师分享:LED球泡灯电源设计经验与光学结构技术探讨(附图)
进入2011年以后,LED逐渐向室内照明进军,这也意味着开始向民用家庭进军。一方面这是一个大喜事,因为民用的市场是非常之大;另一方面也是一个极为严重的挑战,因为民用市场要求成本特别低,可靠性特别高。现在离开完全满足民用市场的要求还很远,可以说还有很长的路要走。较普通的民用灯就是白炽灯,也就是我们普通用的灯泡。所以如果LED要取代白炽灯泡,就要开发出一种无论在灯头形状还是外型上都和白炽灯泡类似的灯泡,这就是我们通常称为LED球泡灯。可以想象,球泡灯的市场是十分巨大的。
对LED球泡灯的要求
因为要替换白炽灯,所以至少要有以下几方面的要求:
亮度要相当 白炽灯通常只讲瓦数而不讲流明数。LED虽然也可以只讲瓦数,但是由于LED的光效还在不断发展,只说瓦数并不能代表其流明数。白炽灯较常用的瓦数有15瓦、30瓦、45瓦、60瓦、75瓦和100瓦等。如果要讲流明数,那么可以用白炽灯的发光效率来计算。白炽灯的发光效率在7.5-12lm/W。瓦数越大效率越高。所以上面列出几种瓦数的白炽灯的相对流明数可以列表如下:

如果采用LED来取代,也可以得出相应的瓦数。但是因为LED的发光效率在不断攀升,所以很难给出准确的数字。假定采用目前通常的LED1,其光效为100lm/W,假如采用较高光效的LED2,其光效为130lm/W(暖白的光效会低于此值)。就可以得出对这两种光效LED相应的瓦数来。但是因为LED需要恒流源,而恒流源有一定的效率,假定为85%,另外因为LED不可能采用透明泡壳,而只能采用乳白泡壳。其透光率大约为85%。二者相乘等于0.72。.考虑以上因素以后就可以得出和白炽灯相当的瓦数来。由表中可见,LED2在同样亮度时大约可以节省10倍的功率。有一点需要特别说明的。就是从目前LED球泡灯的光效和散热来说,它还不可能做到10瓦以上,也就是说目前还只有可以取代60-75W白炽灯的LED球泡灯。当然PAR灯就另当别论了(后面将讨论)。
外形要类似 通常白炽灯为梨形的,所以LED球泡灯也应当为梨形的。这点是很容易做到。但是白炽灯为全玻璃制品,LED因为要散热就很难采用全玻璃的结构。下面会详细讨论LED球泡灯的结构。
体积大小要相当,因为LED需要恒流源和散热器,所以这是非常难做到的。
重量要相当,同样因为LED需要恒流源和散热器,所以这也是非常难做到的。
灯头要相同 中国过去大都是采用卡口式,改革开放以后大都改用和美国一样的螺口式。就是美国的E26或E27。这点也还是很容易做到的。
电源要相同,都应该是220VAC(或美国的110VAC),这也是没问题的。
LED球泡灯的结构
LED球泡灯可以分为外部结构和内部结构。我们先来看一下它的外部结构。一个典型的LED球泡灯的外形如图1所示(这是作者较近在美国硅谷Fry’s电子商店上看到的较大功率的LED球泡灯,价$40):

图1,LED球泡灯外形图
这是一个5W的LED球泡灯,全长13cm,散热器长5cm,直径4.5cm,泡壳长5.2cm,直径5.5cm,重量114克。它大约可以取代45W的白炽灯。其外部结构主要包括3个部分,一个是灯头,二是散热器,三是泡壳。而内部结构则主要是2部分,一是恒流驱动电源,二是LED灯板(包括铝基板和LED)在内(图2)。

图2,球泡灯的结构
球泡灯的电源
因为球泡灯都是用市电供电,所以电源也必须是市电交流输入的,英文称为Off-Line,有把中文译成离线式是很不恰当的,因为英文原意是From Line的意思,应该译成在线,但又会和网络的在线相混,所以不如就直接称为市电式电源。
球泡灯的市电式电源基本指标如下:
![]()
电源基本类型:主要分隔离式和非隔离式两种,那是指负载端是否与火线220V隔离。一般说,非隔离因为不需要隔离变压器,所以成本低,但要求铝基板耐压高,否则散热器就有可能带电。所以比较不容易通过安规检验。隔离式就比较安全,比较容易通过安规,但成本高。
电源输出功率:因为球泡灯的体积大小必须和玻壳的白炽灯相当,所以散热器大小有限,目前还不能超过9W。
电源效率:一般隔离式在80-85%左右,非隔离式在90%左右
电源功率因数(PF):不加PF校正在0.5-0.6,加PF校正在0.9-0.99左右
体积大小:由于球泡灯留给电源的空间很小,所以体积的限制很严。
下面来介绍几种典型的球泡灯电源。
3.1非隔离式电源
下面是一个采用美国安森美NCP1014的非隔离式电源原理图(图3)

图3,非隔离式电源原理图
其实这个电源的核心就是一个恒流二极管NSI45025,以确保LED恒流在25mA。所以它只能用于小功率贴片式的LED。其中外加的集成电路NCP1014实际上是一个有源式的功率因数校正(PFC),可以把它的功率因数提高到>0.9以满足美国能源之星的要求。输入端的L1,C1,C2是一个防电磁干扰EMI的滤波器。它的缺点是非隔离,所以220V会直接加到负载LED上。
其实假如不要求功率因数的话,那么采用恒流二极管(CRD)的电源方案可以做得很简单(图4)。

图4,采用恒流二极管的球泡灯电源
这种电源的功率因数大约在0.5-0.6之间。因为电路简单,所以体积可以做得很小,而且成本很低。
3.2隔离式电源
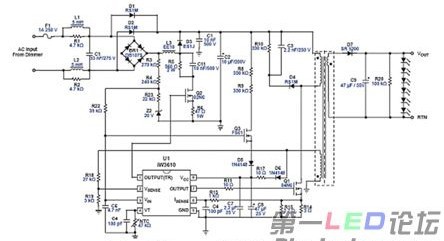
为了提高安全性,较好采用隔离式电源,这样就多了一个隔离变压器,增加了体积、成本,降低了效率。图5是一个采用iWatt公司iW3610的反激式隔离电源电路图。其实这个芯片和Cypress公司的CY8CLEDAC02十分类似。

图5,采用IW3610的隔离式电源原理图
这个电路还可以自动检测墙上有无可控硅调光器,如果有的话就可以调光,其调光范围可以从2%调到100%。而且较后采用了PWM调光,调光频率高达900Hz,因此避免了闪烁。另外由于采用了准谐振控制使其总效率高达85%。它还有一个特点是采用变压器初级反馈从而取消了光耦合器件。它的外形图如图6所示。其外形是专门为球泡灯而设计。

图6,IW3610的演示板
球泡灯的散热器
球泡灯的LED通常焊接在一块铝基板(LED底板)上,这块铝基板再和一片圆形铝散热板固定,然后再把这块铝散热板固定到散热器外壳上去(见图7)。

图7,LED底板如何固定到散热器上去
图中的铝散热板上可以看出有精加工的痕迹。经过精加工以后LED底板就可以直接固定上去,否则的话,二者之间会有气隙,需要涂覆硅导热胶以改善导热。
球泡灯由于体积的限制所以散热是一个大问题。无论是哪种散热器都是只能依靠对流和辐射两种方法来把热量散发到空气中去,而这两种散热的能力都是和它的散热的面积成正比。而球泡灯的散热面积可以如下计算。假定其散热器可以近似为一个截去尖顶的圆锥体。假定大圆锥体的高度为H,直径为D,而截去的小圆锥体的高度为h,直径为d。

图8,截顶的圆锥体
圆锥体的侧面积为πHD/2,所以截去一个尖顶以后的侧面积是πHD/2-πhd/2=π(HD-hd)/2。假定H=8cm,h=3cm,D=5cm,d=3cm,那么这个截顶以后的侧面积就是48.7cm2,可近似为50平方厘米。而因为大多数散热器都开了沟槽,以增加其散热面积,开沟槽以后所增加的散热面积为沟槽深度g乘长度l再乘2,再乘以沟槽数。假定沟槽平均深度为0.3cm,长度为5cm,沟槽数为46个,那么开沟槽以后增加的面积为0.3x5x2x46=138. cm2。总计散热面积为188 cm2。根据经验数据,每瓦所需要的散热面积大约在35-60 cm2。具体要多大取决于环境温度和允许的升温。因为球泡灯大部分是用在室内,环境温度不是很高,所以可以采用35 cm2/W。所以188 cm2的散热面积可以散大约5.3W左右。不过这只是极为粗略的估计,可以得到一个数量级的概念而已。真正的散热情况还是要实际测定才可以。
日本的技术在线拆解了几种LED球泡灯。并实测了其泡壳温度,结果如下表所示:因为室
相关阅读:
- ...2011/12/21 12:00·吉时利工程师讲解电压开关中常见挑战的应对
- ...2011/11/28 14:38·工程师解析:做好LED照明产品的几个关键技术
- ...2011/09/07 10:08·电子设计工程师,滤波器应如何选型?
- ...2010/10/20 15:30·软件工程师优化医疗设备设计,助力人体解剖学
- ...2009/10/16 09:16·工控工程师要使用Zigbee技术?您无需成为RF专家!
- ...2009/09/01 13:49·超越“降额” – 值得现代工程师参考的可靠性概念
- ...· Efinix® 全力驱动AI边缘计算,成功推出Trion™ T20 FPGA样品, 同时将产品扩展到二十万逻辑单元的T200 FPGA
- ...· 英飞凌亮相进博会,引领智慧新生活
- ...· 三电产品开发及测试研讨会北汽新能源专场成功举行
- ...· Manz亚智科技跨入半导体领域 为面板级扇出型封装提供化学湿制程、涂布及激光应用等生产设备解决方案
- ...· 中电瑞华BITRODE动力电池测试系统顺利交付北汽新能源
- ...· 中电瑞华FTF系列电池测试系统中标北京新能源汽车股份有限公司
- ...· 中电瑞华大功率高压能源反馈式负载系统成功交付中电熊猫
- ...· 中电瑞华国际在电动汽车及关键部件测评研讨会上演绎先进测评技术
- ...· 华芯微国产汽车芯片门电路系列(篇一)
- ...· 华芯微国产汽车芯片CAN收发器系列(篇一)
- ...· 华芯微国产汽车芯片DC/DC转换器系列
- ...· 华芯微国产汽车芯片DC/DC转换器系列
- ...· 华芯微国产汽车芯片运算放大器系列(篇一)
- ...· 华芯微国产汽车芯片MOSFET 驱动器系列(篇一)
- ...· 数据采集终端系统设备
- ...· 简仪科技踏上新征程








