LIN总线及其对环保汽车的贡献
作者:爱特梅尔高压产品市场推广总监Stephan Hartmann 博士
是否真的有绿色汽车?
原油价格上升及全球气候的明显变化增强了消费者对生态环境的意识 (ecological awareness)。但即便如此,汽车工业仍然在不断发展。那么,是否真的有所谓的绿色汽车呢?这当然是没有的,或者说,目前还没有。不过,情况也不至于这样差,例如现有引擎的功率比20年前增大了许多倍,但油耗却减少了差不多三分之一。
降低油耗的因素
汽车的重量和其电子系统是降低油耗、进而减少二氧化碳 (CO2) 排放的主要因素。30多年前,几乎没听说过诸如电动助力转向,主动和被动安全或空调之类的系统,而如今这些功能甚至在各种基本汽车型款上都成了不可缺少的组成部分。正是这类 (以及许多其它的) 功能构成了汽车额外重量的主要部分。在非电子部分,汽车业已经发挥尽降低油耗的潜力。首先,车漆用量比过去减少了好几倍,然后车体钢板厚度也减到较小,并且有些部分使用轻得多的材料 (如塑料、铝材,甚至碳纤化合物) 来替代。在可能的情况下,甚至玻璃也被轻得多的聚碳酸酯材料代替。
LIN总线的作用
因此,要进一步降低油耗只能借助于智能电子技术。在这个领域中,汽车总线系统扮演着一个重要的角色,它们不仅能减少连接线路本身 (因而减轻车重),而且还能使LIN节点更加智能化,让各节点在无需工作时关断。
LIN网络只是众多汽车总线系统中的一种,但却是单位节点成本较低的。从近年的技术变革,以及市场渗透情况来看,LIN 行业领域的发展可与电动助力转向 (EPS) 相媲美。LIN 和 EPS 都是面向低成本市场领域,通过大批量而不是价格来实现销售目标,与ABS系统或安全气囊截然相反。因此,从全球的角度看,LIN的主要潜力在于汽车制造商的大批量平台。LIN的应用领域众多,包括了从空调联网或车门控制模块 (目前首先或主要采用LIN连接);乘客区车灯控制和开关模块 (目前大多采用电缆连接);直到翼板控制 (如排气再循环(EGR)),电热塞预热装置,以及各种泵 (如油泵、燃料泵或水泵) 等。而爱特梅尔的 LIN 器件更有优势,还可用于动力传动系统,这是因为它所采用的SOI 工艺技术可使IC 承受高达200°C 的工作温度,也就是说,完全可应付引擎仓高达 150°C 的温度范围。
总线联网挑战
开发高成本效益的、稳健的总线系统是赢得市场成功的先决条件,对于 LIN 总路线系统亦如此。未来几年市场预测表明LIN将有快速增长。
就稳健性而言,爱特梅尔公司的 LIN 产品是市场中的先驱者。其所有第二代 LIN 产品系列都达能承受高达 8 kV 的 ESD 电压,且具有出色的抗电磁干扰能力,同时已得到全球所有汽车制造商的认可。之所以具有这些优势,一方面是因为采用了整体优化的电路设计(即 LIN IP);另一方面则因为采用了 BCD-on-SOI 技术 (即 SMART-I.S. ® )。因为这种技术的活动性结构下有介质隔离 (氧化层),故它具有极好的高温稳定性,并能很好地防止闭锁和可控硅行为。

图1:SMART-I.S.剖面图(第一金属层剖面)
光学总线系统应当在EMC方面具有极大的优势,而且应用更为广泛;但事实上,目前的情况并非如此,原因在于光波导在插接头处容易中断。这在采用所谓分段接插线束的汽车制造中尤其突出,因而汽车制造商主要采用电路数据传输方式。但仅通过网络连接并不能达到要求,甚至在汽车中采用专用高速网络也是行不通的。更何况,撇开客户无法接受的价格不谈,高速网络会导致汽车中数据泛滥,降低抗电磁干扰辐射能力,同时产生的辐射也很高。
智能LIN节点
更重要的是让LIN节点具有足够的智能,这样汽车中各单元就可根据需要关闭,从而降低功耗。这种智能解决方案可以使用分立模块架构来实现,但仅用分立模块不能降低成本和减小尺寸。要降低成本和减小尺寸只能借助于支持所有功能 (如收发器、电压调节器、监视器等) 的高集成度系统级IC。此外,也可将单板机 (SBC) 和微控制器封装在一起,进一步减小模块尺寸,以及装配和运行过程中的错误率。8位微控制器尤其适合这种集成,考虑到目前AVR® 微控制器的功耗,设计人员可用AVR 微控制器替代16位架构,将整个系统容纳到一个5mm x 7 mm或 7 mm x 7 mm 的SiP IC封装中。
高集成度器件显著节省油耗
通过高集成度引入智能化的伺服执行机构 (slave ctuator),其好处是显而易见的。根据对汽车油耗的研究显示,每增加100W的电气负载,便会使百公里油耗增加0.1升,而这相当于每百公里多排放25克CO2 。从已规划的排放限制来看,这是个不小的数值。我们还可以从更实际的角度做出评价,按照欧洲已规划的汽车税改革法 (新法令将对新增车辆,以及车辆本身的油耗征税),对于一辆每年行驶15000公里的车辆,每排放1克CO2的税金估计达到170欧元左右;换句话说,百公里油耗每增加 0.1升,每年税金就将增加425欧元。此外,对车重也可作同样的计算,可按车重每减少50公斤,百公里油耗减少0.1升来计算。
专为汽车配备成本优化的LIN总线和高集成度的系统级封装IC,就可让汽车中所有执行机构仅在需要时才工作,从而大幅提高燃油的使用效率。在不工作模式下,电流消耗可降低至仅数微安培。
高集成度的实现方案 ---- 多芯片模块 (MCM)
如何实现微控制器、监视器、电压调节器和收发器的高度集成呢?总的来说,有两种方法。一是在单一芯片上实现集成,即单芯片集成;二是将两块裸片组合成一个所谓的多芯片模块 (MCM) 中。乍一看,单芯片集成似乎更好,可实现更小的封装尺寸。
但事实并非如此,假设你打算将采用高压 BCDMOS 技术来把微控制器、LIN 收发器和电压调节器集成在一块芯片上,除了技术劣势外,由于芯片表面积显着增大而导致的成本上升,还抵销了单芯片集成的好处。
而且,这种单芯片解决方案还存在问题,因为汽车制造商对在恶劣环境下行车时数据传输所需的ESD保护能力及抗干扰能力的要求越来越严格,而这种解决方案是无法满足的。

图2:LIN SiP ATA6612/13功能框图
DPI测试
如上所述,汽车制造商要求器件符合目前的LIN标准,并成功地通过系统及组件级的专门EMC测试,作为一个附加措施。在这方面,基于氧化物隔离的技术明显优于体效应技术。直接功率注入测试 (Direct Power Injection, DPI) 通过在 LIN 引脚上的直接耦合,测量 RF辐射能量,结果清楚显示,由于采用了 SOI 技术,因而不存在寄生晶体管被激活的可控硅行为。相比使用传统技术的收发器,爱特梅尔采用 SOI 技术的LIN收发器在34 dBm的测试极限下未出现任何故障。
低电流微控制器
对于微控制器内核,要求则截然不同,电流消耗要尽可能低,即应当采用尽可能小的结构和尽可能低的电平。此外,必须支持各种不同容量的存储器技术 (如EEPORM、闪存或SRAM) 和各种外设 (如定时器、USART、ADC等)。如果需要根据应用进行电流消耗优化,智能节电模式和执行时间短则是基本的要求。
除了这些要求外,诸如芯片上调试,或硬件级集成的 LIN UART 之类的功能也是 LIN节点开发不可分割的部分。尤其是硬件实现的 LIN 协议,不仅可将简化的开发工艺用于模块,而且还能显着降低成本,因为 IC 制造商已经完成了协议认证,而且所需的存储器和系统资源也更少。
QFN封装
要取得较佳的成本优化效果,应当采用较适合相应要求的技术。请记住,就SiP技术而言,在系统基础芯片的高压要求和微控制器的超低功耗/高速性能要求之间可以画出一条清楚的界线。为了进一步优化,必须采用QFN封装。一方面,这种封装可为容纳两块裸片提供尽可能大的表面;另一方面,QRN封装所占的线路板面积较小。例如32管脚QFN封装的占位空间小于SO8封装,因而使到可用芯片空间增加一倍。除了占位空间小,QFN封装还有一个决定性优势,即热阻低,Rthjc<10 k/W,相应地散热也就良好。此外,其安装两块芯片的铜条也在背面起到大面积散热体的作用,如将该铜条焊接在相应的电路板上,热阻便可下降到35 k/W以下。
单一IC中实现完整的LIN节点
爱特梅尔较新的第二代系统级封装 (SiP) 器件 (ATA6612 和ATA6613) 不仅具有8位AVR微控制器 (ATmega88 或ATmega168),而且还包含一个LIN SBC,提供了整个系统所需的功能如LIN收发器、5V电压调节器和监视器。
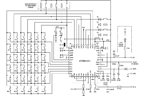
采用这种 SiP 组件,只需一块芯片构就可构建一个完整的LIN节点 (参见图3),而且占用较小的空间。SiP IC具有与单一器件相同的抗ESD/EMC能力和散热能力。

图3:采用ATA6612/13实现的LIN开关节点
更进一步的SiP 解决方案正在开发之中,如扩展闪存 (32和64KB) 版本,或带有其它(除电源、监视器、LIN收发器等基本功能之外) 高级功能的版本。
相关阅读:
- ...2015/02/12 14:48·基于Simulink的气控液压背压阀仿真与设计
- ...2014/01/26 13:35·分数阶传递函数的SIMULINK实现
- ...2011/12/19 10:26·Linear LTC3880双输出多相降压电源解决方案
- ...2011/11/14 10:31·应用PCS进行嵌入式Linux的研究
- ...2011/11/09 13:45·Linux操作系统在移动电话上的应用
- ...2011/10/28 10:28·嵌入式uCLinux内核启动过程分析
- ...· Efinix® 全力驱动AI边缘计算,成功推出Trion™ T20 FPGA样品, 同时将产品扩展到二十万逻辑单元的T200 FPGA
- ...· 英飞凌亮相进博会,引领智慧新生活
- ...· 三电产品开发及测试研讨会北汽新能源专场成功举行
- ...· Manz亚智科技跨入半导体领域 为面板级扇出型封装提供化学湿制程、涂布及激光应用等生产设备解决方案
- ...· 中电瑞华BITRODE动力电池测试系统顺利交付北汽新能源
- ...· 中电瑞华FTF系列电池测试系统中标北京新能源汽车股份有限公司
- ...· 中电瑞华大功率高压能源反馈式负载系统成功交付中电熊猫
- ...· 中电瑞华国际在电动汽车及关键部件测评研讨会上演绎先进测评技术
- ...· 华芯微国产汽车芯片门电路系列(篇一)
- ...· 华芯微国产汽车芯片CAN收发器系列(篇一)
- ...· 华芯微国产汽车芯片DC/DC转换器系列
- ...· 华芯微国产汽车芯片DC/DC转换器系列
- ...· 华芯微国产汽车芯片运算放大器系列(篇一)
- ...· 华芯微国产汽车芯片MOSFET 驱动器系列(篇一)
- ...· 数据采集终端系统设备
- ...· 简仪科技踏上新征程








