基于MSP430的便携式心率计的设计
在消费电子领域,便携式电子产品由于体积小、质量轻的特点越来越受到消费者的喜爱,已成为人们生活中不可缺少的部分。基于这个思路,我们设计了一款便携式心率计,它可以替代用脉搏听诊器等进行测量的传统方法,使用非常方便。该产品主要包括三个部分:信号的采集、数据处理以及LED显示和报警电路。
系统总体设计
图1为本系统的原理框图。

图1 系统结构框图
如图1所示,从传感器检测到的脉搏信号转化为电压信号送入电压跟随器,起到缓冲的作用,使前级和后级隔离开来,避免相互干扰。输出的信号经前置放大后送入高通滤波器,以滤除传感器的热电干扰,再经过低通滤波器滤除环境中的高频干扰。处理完的信号送入后级继续放大以便得到干扰小且清晰的信号,此信号经比较器和二极管整流后直接送入单片机处理,以驱动显示电路和报警电路。
系统硬件电路原理图
图2为电路原理图,下面对各模块进行逐一描述。

图2 系统硬件电路原理图
1电压跟随和前置放大电路
电压跟随器的输入信号,即脉搏传感器信号从V+端输入,反馈电阻置零,构成一个同相跟随器,起到缓冲作用,隔离前后级的影响。心音脉搏放大器的功能是将mV级的心音信号放大到V级,以供显示和记录使用。
根据心音脉搏信号的特性,要求放大器具有以下特性:
● 足够高的增益,约800倍。
● 有合适的频带宽度(0.78~ 3.33Hz)
● 因为心音脉搏信号比较微弱,干扰和噪声比较大,要求电路有高输入阻抗来减小信号的损失,有高共模抑制比(大于80dB)来抑制干扰和噪声。
由于在实际应用中,外界信号的干扰,以及考虑到放大器的稳定性,一级放大器不能实现如此大的增益,所以电压放大器一般由两级组成。其中,前级采用负反馈差动放大电路,以提高共模信号抑制比。此部分的关键是如何抑制各种噪声,避免让噪声窜入后级电路。因此在系统中,采用基于双运放电路的微功耗仪表放大器AD620作为心音脉搏信号的前级放大器。为防止产生非线性失真以致损害电路的共模抑制比,该部分的放大倍数不宜过高,选择为1000倍左右。
2 高低通滤波器电路
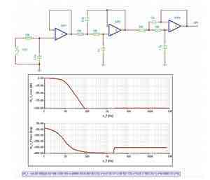
在本设计中,信号频率较低,在 0.78~3.33Hz之间,因此滤波器的设计成为本电路的关键。首先,要经过一个0.5Hz的高通滤波器,以滤出传感器的热电干扰,然后再经过一个低通滤波器以滤除心音信号的绝大多数干扰。在实现电路中,普通的滤波器已经很难对这么低的信号进行滤波,因此在本设计中采用增益变化较平坦的巴特沃斯滤波器。其中,高通为二阶的巴特沃斯滤波器,低通为截止频率为5Hz的巴特沃斯滤波器。图3为低通滤波的原理图。

图3 低通滤波器原理与性能
3后级放大和比较整流电路设计
心音信号经过前级放大后,幅度还未达到理想的应用值,且还有一定的干扰,因此需要后级放大器继续放大,以达到使用要求。整个电路采用一般的反向放大器模块电路。
比较整流电路的作用是将处理后的信号转化为不含负脉冲的方波,以送入单片机进行处理。该电路由一个过零比较器和整流电路构成,由于送入单片机的信号要求为正电压,所以经过整流电路后,信号将全部转化为正跳沿的方波。
4单片机控制电路
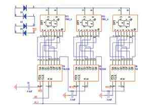
本部分主要包括单片机控制显示电路以及驱动蜂鸣器的报警,具体电路如图4所示。

图4单片机控制电路
图4中,数码管为共阳极结构,74LS164作为数码管的驱动,当输入0时点亮,四个二极管串联起限压保护的作用。图5为JTAG口与单片机的连接图。

图5 JTAG口与单片机的连接
图6为单片机程序流程图。

图6 单片机控制流程图
本系统电路的软件部分能够精确跟踪微小心电信号的频率。所采用的技术是单片机的中断捕获功能以及数学算法误差消除、硬件结构误差消除。
5电源管理模块
本电路采用两块干电池供电,对于大多数电子产品而言,具有普遍性和方便性。由于此单片机为低功耗工作模式,我们选用了升压芯片TPS61210,TPS6110,MAX660作为电源芯片,提供±5V、3.3V的工作电压。
电路测试与数据分析
表1为加入信号频率为0.5~5.5Hz,峰峰值为2mv的正弦波信号后各模块电路的输出电压测试数据。


由表中的数据可知,实际测出的值与理论计算的值有所差别,且当输入信号较弱时,输出信号受干扰较大。本电路中,跟随器就受到传感器的很大干扰,因此在实际的测量中,一定要注意电路的抗干扰能力。
外部时钟晶振为32 768Hz,对其进行1/2分频;1Hz捕获上升沿的是时间差,S[Rx]为数据寄存数组;单片机系统采用8MHz DCO。可以看出,该系统可以在误差范围内对1MHz左右的心音信号进行准确的判断。
结论
本设计通过数模混合电路结合单片机控制的设计实现了对心率信号的实时测定,并能发出警告。整个电路尽量考虑到各方面的因素,做到线路简单,减小电磁场干扰,充分利用软件编程,弥补元器件的精度不足。还可以以该设计为基础加载其他功能,使其功能和结构更加完善,扩展至对人体其他生理状态的测定。
相关阅读:
- ...2015/01/04 10:20·基于MVB的协议一致性测试系统设计
- ...2014/01/26 13:16·基于MSC.Patran和Nastran压力机螺杆的模态分析
- ...2012/03/23 15:58·基于MC56F8013的冰箱压缩机控制系统
- ...2012/03/19 11:00·基于Modbus/TCP的智能相机通信接口实现
- ...2011/12/07 09:33·福华先进微电子公司:基于MCU和音频解码器设计磁带式MP3播放器
- ...2011/11/30 17:25·基于MSP430F149与Si4432的无线传感器网络的实现方法
- ...· Efinix® 全力驱动AI边缘计算,成功推出Trion™ T20 FPGA样品, 同时将产品扩展到二十万逻辑单元的T200 FPGA
- ...· 英飞凌亮相进博会,引领智慧新生活
- ...· 三电产品开发及测试研讨会北汽新能源专场成功举行
- ...· Manz亚智科技跨入半导体领域 为面板级扇出型封装提供化学湿制程、涂布及激光应用等生产设备解决方案
- ...· 中电瑞华BITRODE动力电池测试系统顺利交付北汽新能源
- ...· 中电瑞华FTF系列电池测试系统中标北京新能源汽车股份有限公司
- ...· 中电瑞华大功率高压能源反馈式负载系统成功交付中电熊猫
- ...· 中电瑞华国际在电动汽车及关键部件测评研讨会上演绎先进测评技术
- ...· 华芯微国产汽车芯片门电路系列(篇一)
- ...· 华芯微国产汽车芯片CAN收发器系列(篇一)
- ...· 华芯微国产汽车芯片DC/DC转换器系列
- ...· 华芯微国产汽车芯片DC/DC转换器系列
- ...· 华芯微国产汽车芯片运算放大器系列(篇一)
- ...· 华芯微国产汽车芯片MOSFET 驱动器系列(篇一)
- ...· 数据采集终端系统设备
- ...· 简仪科技踏上新征程








