基于MC9S12DT128B的电池数据采集系统设计
1 前言
目前, 电池在实际使用中普遍存在的问题是电荷量不足, 一次充电行驶里程难以满足实用要求。
另外, 用可测得的电池参数对电池荷电状态( SOC,S tate- O f- Charge)作出准确、可靠的估计, 也一直是电动汽车和电池研究人员关注并投入大量精力的研究课题。因此有必要建立动力电池测试平台, 利用该平台对电池相关参数进行全面、精确的测量, 实现电池性能试验, 工况模拟和算法研究, 确定较合理的充放电方式及更为精确的SOC 估算方法, 从而合理的分配和使用电池有限的能量, 尽可能延长电池的使用寿命, 进一步降低电动汽车的整车成本。与以往的电池测试系统相比, 该测试平台可全面监测电池相关参数, 并加入充放电能量的计量, 可从能量的角度对电池的性能进行描述, 从能量状态( SOE,Sta te- O f- Energy)的角度对电池的使用效率进行分析。系统硬件电路具有电池过电压、欠电压保护及均衡功能, 可对单体电池进行监视和保护, 减小电池间的不一致性。在充放电设备与上位机之间建立通信, 控制充电机按照编程指令改变控制策略和输出电流, 检验充放电电流大小、方式和环境条件对电池的电荷量及使用寿命的影响。
2 测试平台结构
测试平台的结构如图1所示, 以单片机为核心的电池数据采集系统直接对电池组的单体电压、总电压、温度、电流、充放电容量、充放电能量等信息进行精确测量, 并通过RS232总线将数据发送到上位机。由微型计算机构成的上位机监控系统, 实时显示并记录接收到的测试数据, 对数据进行分析, 监控测试系统工作状态。另外可根据具体的实验要求,控制充放电设备按照编程指令输出电流, 模拟电池在某些特定条件下的使用情况。充放电设备实现电池组的充放电, 完成电池和电网之间能量的双向流动, 与监控PC 机通过CAN 通信, 可接收监控PC机的编程控制指令。文中主要完成数据采集系统、上位机监控系统的设计并实现各部分之间的实时通讯。

图1 平台结构图
3 系统硬件设计
数据采集系统硬件结构如图2所示, 主要包括以下几个模块: 微控制器、电源模块、电流及安时检测模块、瓦时检测模块、电压检测模块以及通信接口电路。

图2 硬件结构图
微控制器采用的是MC9S12DT128B 芯片, 该芯片具有串行接口、CAN 控制器等丰富的外围资源,只需加入电平转换电路即可实现与上位机之间的232通信。本设计使用数字温度传感器DS18B20来实现温度检测, 它支持1- w ire总线协议, 可利用单片机的一个端口来读取多个检测点的数字化温度信息, 扩展方便。
电压检测采用bq76PL536 芯片, 它同时检测3到6节电池, 测量的单只电池的电压范围为1~ 5V。
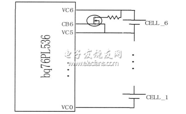
该芯片由所测电池直接供电, 供电电压范围为5. 5~ 30V。为了保证芯片在所测电池少于3 节时仍能正常工作, 电路中外接9V 的直流电源。在电池总电压小于9V 时, 采用外部供电。该芯片具有电池过电压, 欠电压保护功能, 电压阈值及检测延迟时间这些保护参数可通过程序写入。当某节电池的实际情况超过设定的安全阈值范围时, 芯片中电池故障寄存器相应字节置位, 从而通知充电机动作, 防止电池过充或过放。在芯片外围, 有MOS管与电阻构成的均衡电路, 芯片的CBx管脚可以控制MOS管的导通与关断, 如图3所示。通过软件设置, 当程序判断出某节电池需要均衡时, 该电池对应的CBx 管脚被置位, 这时与CBx 相连接的MOS管导通, 均衡电路启动。

图3 均衡电路
CS5460A 芯片能够精确检测和计算有功电能、瞬时功率、IRM S和VRM S, 本系统用两片CS5460 分别检测电流、安时和瓦时。其中一片CS5460 采用分压电阻检测电压, 分流器检测电流, 通过软件设置,它在每秒钟内对电压、电流信号采样4000次, 并计算出瞬时功率。通过4000次功率的累计, 芯片可自行计算出这一秒钟内的能量值, 即?? 瓦时 。另外一片CS5460将通过电压测量通道测量恒压源信号,电流测量通道测量分流器信号, 这样测得的数值为电流与时间的积分, 即电池电量的计量单位?? 安时 , 可用于SOC 的计算。摘要: 随着电动汽车产业的发展, 电池需求数量急剧增长, 对电池测试设备的需求也在同步增长。提出了一种电池组测试平台, 并着重介绍了数据采集系统与上位机监控系统的设计。以MC9S12DT128B微控制器为核心的电池数据采集系统, 实时检测电池的相关信息, 并将数据发送至上位机, 为电池状态估算提供依据。上位机监控系统用VC++ 编写, 用于数据的读取及存储、参数设置、校准, 同时可以控制充放电设备按照编程指令输出电流, 以满足不同的实验要求。经实验验证, 本系统对电池信息进行实时检测具有较高的精度, 系统运行稳定、可靠。
相关阅读:
- ...2015/01/04 10:20·基于MVB的协议一致性测试系统设计
- ...2014/01/26 13:16·基于MSC.Patran和Nastran压力机螺杆的模态分析
- ...2012/03/23 15:58·基于MC56F8013的冰箱压缩机控制系统
- ...2012/03/19 11:00·基于Modbus/TCP的智能相机通信接口实现
- ...2011/12/07 09:33·福华先进微电子公司:基于MCU和音频解码器设计磁带式MP3播放器
- ...2011/11/30 17:25·基于MSP430F149与Si4432的无线传感器网络的实现方法
- ...· Efinix® 全力驱动AI边缘计算,成功推出Trion™ T20 FPGA样品, 同时将产品扩展到二十万逻辑单元的T200 FPGA
- ...· 英飞凌亮相进博会,引领智慧新生活
- ...· 三电产品开发及测试研讨会北汽新能源专场成功举行
- ...· Manz亚智科技跨入半导体领域 为面板级扇出型封装提供化学湿制程、涂布及激光应用等生产设备解决方案
- ...· 中电瑞华BITRODE动力电池测试系统顺利交付北汽新能源
- ...· 中电瑞华FTF系列电池测试系统中标北京新能源汽车股份有限公司
- ...· 中电瑞华大功率高压能源反馈式负载系统成功交付中电熊猫
- ...· 中电瑞华国际在电动汽车及关键部件测评研讨会上演绎先进测评技术
- ...· 华芯微国产汽车芯片门电路系列(篇一)
- ...· 华芯微国产汽车芯片CAN收发器系列(篇一)
- ...· 华芯微国产汽车芯片DC/DC转换器系列
- ...· 华芯微国产汽车芯片DC/DC转换器系列
- ...· 华芯微国产汽车芯片运算放大器系列(篇一)
- ...· 华芯微国产汽车芯片MOSFET 驱动器系列(篇一)
- ...· 数据采集终端系统设备
- ...· 简仪科技踏上新征程








